- 封装:8-TDFN 裸露焊盘
- RoHS:无铅 / 不受限制有害物质指令(RoHS)规范要求限制
- 包装方式:Digi-Reel?
- 参考价格:$0.9685-$2.07
更新日期:2024-04-01 00:04:00
产品简介:采用 5mm x 6mm SON 封装的单通道、2.6mΩ、25V、N 沟道 NexFET? 功率 MOSFET
查看详情- 封装:8-TDFN 裸露焊盘
- RoHS:无铅 / 不受限制有害物质指令(RoHS)规范要求限制
- 包装方式:Digi-Reel?
- 参考价格:$0.9685-$2.07
CSD16321Q5 供应商
- 公司
- 型号
- 品牌
- 封装/批号
- 数量
- 地区
- 日期
- 说明
- 询价
-
TI
-
原厂原装
22+ -
3288
-
上海市
-
-
-
一级代理原装
-
TI
-
SON8
1519+ -
275
-
杭州
-
-
-
进口原装现货
-
TI
-
SON8
22+授权代理 -
15800
-
上海市
-
-
-
旋尔只做进口原装,假一赔十...
-
TI/德州仪器
-
SON8
1419+ -
1003
-
上海市
-
-
-
原装可开发票
-
-
连可连代销V -
20
-
上海市
-
-
-
1
-
TI
-
-
2021+ -
28000
-
苏州
-
-
-
-
23+ -
46000
-
合肥
-
-
-
科大讯飞战略投资企业,提供一站式配套服务
CSD16321Q5 中文资料属性参数
- 产品培训模块:NexFET MOSFET Technology
- 视频文件:NexFET Power BlockPowerStack? Packaging Technology Overview
- 标准包装:1
- 类别:分离式半导体产品
- 家庭:FET - 单
- 系列:NexFET™
- FET 型:MOSFET N 通道,金属氧化物
- FET 特点:逻辑电平门
- 漏极至源极电压(Vdss):25V
- 电流 - 连续漏极(Id) @ 25° C:100A
- 开态Rds(最大)@ Id, Vgs @ 25° C:2.4 毫欧 @ 25A,8V
- Id 时的 Vgs(th)(最大):1.4V @ 250µA
- 闸电荷(Qg) @ Vgs:19nC @ 4.5V
- 输入电容 (Ciss) @ Vds:3100pF @ 12.5V
- 功率 - 最大:3.1W
- 安装类型:表面贴装
- 封装/外壳:8-TDFN 裸露焊盘
- 供应商设备封装:8-SON
- 包装:?
- 其它名称:296-24517-6
产品特性
- 针对 5V 栅极驱动器进行了优化
- 超低 Q g 和 Q gd
- 低热阻
- 雪崩级
- 无铅引脚镀层
- 符合 RoHS 标准
- 5mm × 6mm SON 塑料封装
产品概述
这款 25V、1.9mΩ、5mm × 6mm SON NexFET™ 功率 MOSFET 旨在更大限度减小功率转换应用中的损耗,并针对 5V 栅极驱动应用进行了优化。
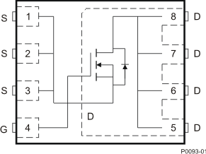
CSD16321Q5 电路图

CSD16321Q5 电路图
CSD16321Q5 相关产品
- 2N7000
- 2N7000BU
- 2N7000G
- 2N7000RLRAG
- 2N7000RLRMG
- 2N7000TA
- 2N7002
- 2N7002,215
- 2N7002-7-F
- 2N7002A-7
- 2N7002BK,215
- 2N7002BKM,315
- 2N7002BKT,115
- 2N7002BKW,115
- 2N7002E
- 2N7002E,215
- 2N7002E-7-F
- 2N7002E-T1-E3
- 2N7002ET1G
- 2N7002E-T1-GE3
- 2N7002F,215
- 2N7002K
- 2N7002K-7
- 2N7002K-T1-E3
- 2N7002KT1G
- 2N7002K-T1-GE3
- 2N7002K-TP
- 2N7002LT1
- 2N7002LT1G
- 2N7002LT3G