更新日期:2024-04-01 00:04:00
产品简介:具有轨到轨电流检测放大器的汽车类多拓扑 LED 驱动器
查看详情TPS92691QPWPQ1 供应商
- 公司
- 型号
- 品牌
- 封装/批号
- 数量
- 地区
- 日期
- 说明
- 询价
-
TI
-
原厂原装
22+ -
3288
-
上海市
-
-
-
一级代理原装
TPS92691QPWPQ1 中文资料属性参数
- 现有数量:0现货9,990Factory查看交期
- 价格:1 : ¥21.94000管件
- 系列:Automotive, AEC-Q100
- 包装:管件
- 产品状态:在售
- 类型:DC DC 控制器
- 拓扑:反激,SEPIC,降压,升压
- 内部开关:无
- 输出数:1
- 电压 - 供电(最低):4.5V
- 电压 -?供电(最高):65V
- 电压 - 输出:65V
- 电流 - 输出/通道:-
- 频率:80kHz ~ 700kHz
- 调光:模拟,PWM
- 应用:汽车级,照明
- 工作温度:-40°C ~ 125°C(TA)
- 安装类型:表面贴装型
- 封装/外壳:16-PowerTSSOP(0.173",4.40mm 宽)
- 供应商器件封装:16-HTSSOP
产品特性
- 宽输入电压范围:4.5V 至 65V
- 宽输出电压范围:2V 至 65V
- 低输入偏移轨到轨电流感测放大器 在 25°C 至 140°C 结温范围内,好于 ±3% 的发光二极管 (LED) 电流精度 与高侧和低侧电流感测元件兼容
- 在 25°C 至 140°C 结温范围内,好于 ±3% 的发光二极管 (LED) 电流精度
- 与高侧和低侧电流感测元件兼容
- 高阻抗模拟 LED 电流调节输入 (IADJ),对比度高于 15:1
- 使用集成的串联 N 通道调光驱动器接口时,具有超过 1000:1 串联场效应管 (FET) 脉宽调制 (PWM) 调光比率
- 具有 LED 电流持续监视输出用于系统故障检测和诊断
- 可编程开关频率以实现与外部时钟同步
- 可编程软启动和斜坡补偿
- 综合故障保护电路,包括电源电压 (VCC) 欠压锁定 (UVLO)、输出过压保护 (OVP)、逐周期开关电流限制和热保护
- TPS92691-Q1:符合汽车类 Q100 1 级标准
- TPS92691-Q1:汽车外部照明 应用
- 建筑照明和通用照明 应用
产品概述
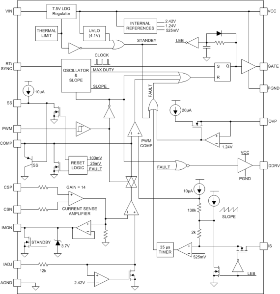
TPS92691/-Q1 是一款通用 LED 控制器,支持一系列升压或降压驱动器拓扑。该器件实现了固定频率峰值电流模式控制技术,可编程开关频率、斜坡补偿和软启动时序。其整合了高电压 (65V) 轨到轨电流感测放大器,从而可使用高侧或低侧串联感测电阻直接测量 LED 电流。该放大器可用于实现低输入偏移电压且在 25°C 至 140°C 结温范围和 0 至 60V 输出共模电压范围获得好于 ±3% 的 LED 电流精度。可使用模拟或 PWM 调光技术单独调制 LED 电流。通过在高阻抗模拟调整输入 (IADJ) 范围内将电压从 140mV 改变为 2.25V 可获得具有 15:1 范围的线性模拟调光响应。通过将 PWM 输入引脚调制为所需的占空比和频率实现 LED 电流的 PWM 调光。可使用可选 DDRV 栅极驱动器输出使串联 FET 调光功能获得高于 1000:1 的对比度。 TPS92691/-Q1 支持通过电流监视输出连续检查 LED 状态。这样就可以实现 LED 短路或开路检测和保护。其他故障保护 特性 包括 VCC UVLO、输出过压保护 (OVP)、开关逐周期电流限制和热保护。
TPS92691QPWPQ1 电路图

TPS92691QPWPQ1 电路图
TPS92691QPWPQ1 相关产品
- 2SD300C17A1
- 2SP0115T2A0-12
- 5962-1022101VSC
- 5962-8686102XA
- 5962-8688202XA
- 5962-89728022A
- 5962-89805012A
- 5962-8982402PA
- 5962-9322201MEA
- 7604501EA
- 85514012A
- 8551401PA
- 905X0205100
- 90E23PYGI8
- 90E24PYGI8
- 90E36ERGI
- A4910KJPTR-T
- A4915METTR-T
- A4930GETTR-T
- A4990KLPTR-T
- A5974AD
- A5974D
- A5975D
- A8304SESTR-T
- AAT2153IVN-0.6-T1
- AAT2823IBK-1-T1
- AAT4684ITP-T1
- AD536ASD/883B
- AD536ASH/883B
- AD580SH/883B