更新日期:2024-04-01 00:04:00
产品简介:具有 3 个降压转换器和 8 个 LDO 的汽车类 1.4V 至 5.5V 电源管理 IC
查看详情TPS659119HAIPFPRQ1 供应商
- 公司
- 型号
- 品牌
- 封装/批号
- 数量
- 地区
- 日期
- 说明
- 询价
-
TI
-
原厂原装
22+ -
3288
-
上海市
-
-
-
一级代理原装
TPS659119HAIPFPRQ1 中文资料属性参数
- 现有数量:0现货1,000Factory查看交期
- 价格:1,000 : ¥53.54259卷带(TR)
- 系列:Automotive, AEC-Q100
- 包装:卷带(TR)
- 产品状态:在售
- 应用:汽车级
- 电流 - 供电:-
- 电压 - 供电:2.7V ~ 5.5V
- 工作温度:-40°C ~ 85°C
- 安装类型:表面贴装型
- 封装/外壳:80-TQFP 裸露焊盘
- 供应商器件封装:80-HTQFP(12x12)
产品特性
- 符合汽车应用要求
- 具有符合 AEC-Q100 的下列结果: 器件温度 3 级:-40°C 至 85°C 的环境运行温度范围 器件人体模型 (HBM) 静电放电 (ESD) 分类等级 2 器件充电器件模型 (CDM) ESD 分类等级 C4B
- 器件温度 3 级:-40°C 至 85°C 的环境运行温度范围
- 器件人体模型 (HBM) 静电放电 (ESD) 分类等级 2
- 器件充电器件模型 (CDM) ESD 分类等级 C4B
- 支持 EEPROM 可编程性的嵌入式电源控制器 (EPC)
- 两个用于处理器内核(VDD1,VDD2)且支持动态电压调节的高效降压直流到直流 (DC-DC) 转换器
- 一个用于 I/O 电源 (VIO) 的高效降压 DC-DC 转换器
- 一个控制外部 DCDC 转换器 (EXTCTRL) 的接口
- 8 个低压降 (LDO) 电压稳压器和 1 个实时时钟 (RTC) LDO(为内部 RTC 供电)
- 一个高速 I2C 通用控制命令接口 (CTL-I2C)
- 两个用于控制电源的独立使能信号 (EN1,EN2),此信号可被用作一个高速 I2C 接口,专门用于 VDD1 和 VDD2 电压调节。
- 热关断保护和热模检测
- 一个具有以下资源的实时时钟 (RTC): 快速启动 16.384MHz 晶体振荡器 由晶体振荡器、外部 32kHz 时钟或内部 32kHz RC 振荡器供源的可配置时钟源 日期、时间和日历 闹铃功能
- 快速启动 16.384MHz 晶体振荡器
- 由晶体振荡器、外部 32kHz 时钟或内部 32kHz RC 振荡器供源的可配置时钟源
- 日期、时间和日历
- 闹铃功能
- 9 个支持复用特性的可配置通用输入输出 (GPIO) 接口: 其中 4 个可针对外部资源启用,包括在加电序列之中并由状态机控制 作为 GPI,GPIO 支持逻辑电平检测并可针对唤醒生成可屏蔽中断 其中的 2 个 GPIO 具有驱动 LED 所需的 10mA 电流吸收能力 通过一个外部 3MHz 时钟实现的 DCDC 开关同步
- 其中 4 个可针对外部资源启用,包括在加电序列之中并由状态机控制
- 作为 GPI,GPIO 支持逻辑电平检测并可针对唤醒生成可屏蔽中断
- 其中的 2 个 GPIO 具有驱动 LED 所需的 10mA 电流吸收能力
- 通过一个外部 3MHz 时钟实现的 DCDC 开关同步
- 两个用于冷复位 (HDRST) 的复位输入和一个用于热复位输入的电源初始化复位 (PWRDN)
- 包括在电源序列衷的 32kHz 时钟输出 (CLK32KOUT) 和系统复位 (NRESPWRON)
- 安全装置
- 两个开关状态 LED 脉冲发生器和一个脉宽调制 (PWM) 发生器
- 汽车
- 信息娱乐
- 自动数据采集 (ADA)
- 组合仪表
产品概述
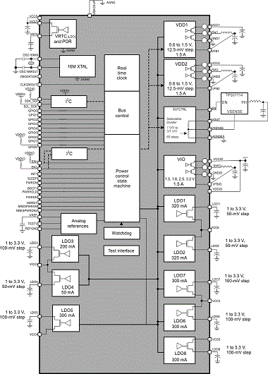
TPS659119-Q1 器件是一款集成型电源管理 IC,专用于所搭载应用处理器需要多个电源轨的系统。 此器件提供三个降压转换器、一个用于控制外部转换器的接口以及 8 个 LDO,可灵活用于支持不同的处理器和应用。其中两个降压转换器为双处理器内核供电,并支持通过专用的 I2C 接口动态调节电压,从而实现最优节能。 第 3 个转换器为系统中的输入和输出 (I/O) 以及存储器供电。 通过控制外部转换器可以针对系统中的高电流轨对外部转换器电压进行排序和调节。此器件还包含 8 个通用 LDO,能够提供大范围的电压和电流能力。 其中 5 个 LDO 支持 1 至 3.3V(步长 100mV),而其它 3 个 LED 支持 1 至 3.3V(步长 50mV)。 所有 LDO 均可由 I2C 接口完全控制。除了电源稳压器,此器件还包含九个具有复用功能的可配置 GPIO,用于支持广泛的功能。 此器件中还包含一个嵌入式电源控制器,用于管理系统的上电排序要求。 电源排序由 EEPROM 设定。
TPS659119HAIPFPRQ1 电路图
TPS659119HAIPFPRQ1 电路图
TPS659119HAIPFPRQ1 相关产品
- 2SD300C17A1
- 2SP0115T2A0-12
- 5962-1022101VSC
- 5962-8686102XA
- 5962-8688202XA
- 5962-89728022A
- 5962-89805012A
- 5962-8982402PA
- 5962-9322201MEA
- 7604501EA
- 85514012A
- 8551401PA
- 905X0205100
- 90E23PYGI8
- 90E24PYGI8
- 90E36ERGI
- A4910KJPTR-T
- A4915METTR-T
- A4930GETTR-T
- A4990KLPTR-T
- A5974AD
- A5974D
- A5975D
- A8304SESTR-T
- AAT2153IVN-0.6-T1
- AAT2823IBK-1-T1
- AAT4684ITP-T1
- AD536ASD/883B
- AD536ASH/883B
- AD580SH/883B

搜索
发布采购