更新日期:2024-04-01 00:04:00
产品简介:嵌入式摄像机模块 PMIC
查看详情TPS657095YFFT 供应商
- 公司
- 型号
- 品牌
- 封装/批号
- 数量
- 地区
- 日期
- 说明
- 询价
-
TI
-
原厂原装
22+ -
3288
-
上海市
-
-
-
一级代理原装
-
TI(德州仪器)
-
DSBGA-16
2022+ -
12000
-
上海市
-
-
-
原装可开发票
-
TI
-
原厂原装
2318+ -
9200
-
合肥
-
-
-
科大讯飞战略投资企业
TPS657095YFFT 中文资料属性参数
- 现有数量:250现货5,500Factory
- 价格:1 : ¥23.29000剪切带(CT)250 : ¥16.26612卷带(TR)
- 系列:-
- 包装:卷带(TR)剪切带(CT)Digi-Reel? 得捷定制卷带
- 产品状态:在售
- 应用:手持/移动设备
- 电流 - 供电:25μA
- 电压 - 供电:3.7V ~ 6V
- 工作温度:-40°C ~ 85°C
- 安装类型:表面贴装型
- 封装/外壳:16-UFBGA,DSBGA
- 供应商器件封装:16-DSBGA(1,67x1,67)
产品特性
- 2 个 100mA 低压降稳压器 (LDO)
- 输出电压精度为 ±1.5%
- VIN 范围为 3.7V 至 6V
- 具有 PWM 调光功能的 LED 驱动器
- 1 GPO
- 1 个 GPIO
- I2C 接口
- 4KB 用户一次性可编程 (OTP) 存储器
- 采用 16 焊球 0.4mm 间距芯片尺寸球栅阵列封装 (DSBGA)
- 笔记本电脑
- 可拆卸平板电脑
- 平板电脑
- 监视器
- 智能手机
产品概述
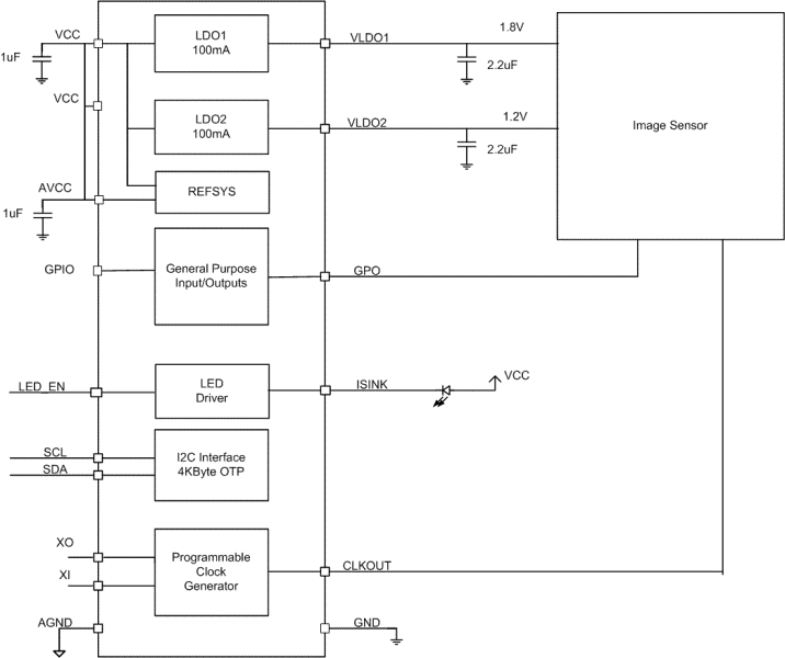
TPS657095 是面向嵌入式摄像头模块或其他便携式低功耗消费类终端设备的电源管理单元。 其包含两个由 I2C 接口使能的 LDO、一个用于驱动单个发光二极管 (LED) 的脉宽调制 (PWM) 可调光电流阱、一个通用输出 (GPO)、一个可编程时钟发生器和 4KB 的用户 OTP 存储器。 如果输入电压电源低于内部欠压锁定值,则该器件将被禁止运行。此器件采用 16 焊球芯片尺寸球栅阵列封装 (DSBGA),焊球间距为 0.4mm。
TPS657095YFFT 电路图
TPS657095YFFT 电路图
TPS657095YFFT 相关产品
- 2SD300C17A1
- 2SP0115T2A0-12
- 5962-1022101VSC
- 5962-8686102XA
- 5962-8688202XA
- 5962-89728022A
- 5962-89805012A
- 5962-8982402PA
- 5962-9322201MEA
- 7604501EA
- 85514012A
- 8551401PA
- 905X0205100
- 90E23PYGI8
- 90E24PYGI8
- 90E36ERGI
- A4910KJPTR-T
- A4915METTR-T
- A4930GETTR-T
- A4990KLPTR-T
- A5974AD
- A5974D
- A5975D
- A8304SESTR-T
- AAT2153IVN-0.6-T1
- AAT2823IBK-1-T1
- AAT4684ITP-T1
- AD536ASD/883B
- AD536ASH/883B
- AD580SH/883B

搜索
发布采购