更新日期:2024-04-01 00:04:00
产品简介:采用 280mA 自动拉电流 LDO 稳压器的汽车类 3.6V 至 36V 3.2A 降压转换器
TPS65320BQPWPRQ1 供应商
- 公司
- 型号
- 品牌
- 封装/批号
- 数量
- 地区
- 日期
- 说明
- 询价
-
TI
-
原厂原装
22+ -
3288
-
上海市
-
-
-
一级代理原装
TPS65320BQPWPRQ1 中文资料属性参数
- 现有数量:0现货
- 价格:1 : ¥19.72000剪切带(CT)2,000 : ¥10.01688卷带(TR)
- 系列:Automotive, AEC-Q100, Eco-Mode?
- 包装:卷带(TR)剪切带(CT)Digi-Reel? 得捷定制卷带
- 产品状态:不适用于新设计
- 拓扑:降压(1),线性(LDO)(1)
- 输出数:2
- 频率 - 开关:100kHz ~ 2.5MHz
- 电压/电流 - 输出 1:1.1V ~ 20V,3.2A
- 电压/电流 - 输出 2:1.1V ~ 5.5V,280mA
- 电压/电流 - 输出 3:-
- 带 LED 驱动器:无
- 带监控器:是
- 带定序器:无
- 电压 - 供电:3.6V ~ 40V
- 工作温度:-40°C ~ 125°C(TA)
- 安装类型:表面贴装型
- 封装/外壳:14-PowerTSSOP(0.173",4.40mm 宽)
- 供应商器件封装:14-HTSSOP
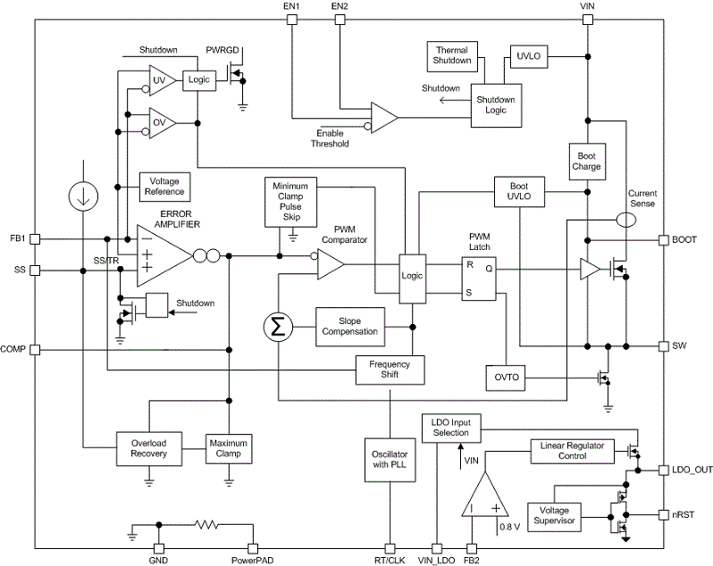
TPS65320BQPWPRQ1 电路图
TPS65320BQPWPRQ1 电路图
TPS65320BQPWPRQ1 相关产品
- 2SD300C17A1
- 2SP0115T2A0-12
- 5962-1022101VSC
- 5962-8686102XA
- 5962-8688202XA
- 5962-89728022A
- 5962-89805012A
- 5962-8982402PA
- 5962-9322201MEA
- 7604501EA
- 85514012A
- 8551401PA
- 905X0205100
- 90E23PYGI8
- 90E24PYGI8
- 90E36ERGI
- A4910KJPTR-T
- A4915METTR-T
- A4930GETTR-T
- A4990KLPTR-T
- A5974AD
- A5974D
- A5975D
- A8304SESTR-T
- AAT2153IVN-0.6-T1
- AAT2823IBK-1-T1
- AAT4684ITP-T1
- AD536ASD/883B
- AD536ASH/883B
- AD580SH/883B

搜索
发布采购