更新日期:2024-04-01 00:04:00
产品简介:具有 3 个直流/直流转换器、4 个 LDO、电池充电器和 LED 驱动器的用户可编程电源管理 IC (PMIC)
查看详情TPS652170RSLR 供应商
- 公司
- 型号
- 品牌
- 封装/批号
- 数量
- 地区
- 日期
- 说明
- 询价
-
TI
-
原厂原装
22+ -
3288
-
上海市
-
-
-
一级代理原装
-
TI
-
原厂原装
2318+ -
9200
-
合肥
-
-
-
科大讯飞战略投资企业
TPS652170RSLR 中文资料属性参数
- 现有数量:2,500现货10,000Factory
- 价格:1 : ¥45.00000剪切带(CT)2,500 : ¥25.45956卷带(TR)
- 系列:-
- 包装:卷带(TR)剪切带(CT)Digi-Reel? 得捷定制卷带
- 产品状态:在售
- 应用:电池管理
- 电流 - 供电:15μA
- 电压 - 供电:4.3V ~ 5.8V
- 工作温度:-40°C ~ 105°C(TA)
- 安装类型:表面贴装型
- 封装/外壳:48-VFQFN 裸露焊盘
- 供应商器件封装:48-VQFN(6x6)
产品特性
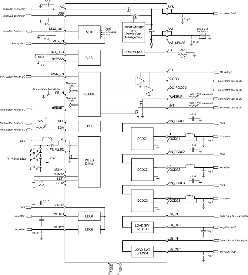
- 充电器和电源路径 电源路径上具有 2A 输出电流 线性充电器;700mA 最大充电电流 可耐受 20V USB 和交流输入 热调节,安全计时器温度检测输入
- 电源路径上具有 2A 输出电流
- 线性充电器;700mA 最大充电电流
- 可耐受 20V USB 和交流输入
- 热调节,安全计时器
- 温度检测输入
- 降压转换器(DCDC1、DCDC2、DCDC3)三个具有集成开关 FET 的降压转换器2.25MHz 固定频率运行轻负载电流状态下进入节能模式PWM 模式下输出电压精度为 ±2%100% 占空比,可实现最低压降每个转换器的静态电流典型值为 15µA禁用时支持无源对地放电
- 三个具有集成开关 FET 的降压转换器
- 2.25MHz 固定频率运行
- 轻负载电流状态下进入节能模式
- PWM 模式下输出电压精度为 ±2%
- 100% 占空比,可实现最低压降
- 每个转换器的静态电流典型值为 15µA
- 禁用时支持无源对地放电
- LDO 稳压器(LDO1、LDO2) 两个可调 LDOLDO2 可配置为跟踪 DCDC315µA 静态电流(典型值)
- 两个可调 LDO
- LDO2 可配置为跟踪 DCDC3
- 15µA 静态电流(典型值)
- 负载开关(LDO3、LDO4) 两个可配置为 LDO 的独立负载开关
- 两个可配置为 LDO 的独立负载开关
- WLED 驱动器 内部生成的 PWM 可支持调光控制38V 开路 LED 保护 支持两个 LED 灯串(每串多达 10 个 LED,每个 LED 的电流为 25mA)内部低侧灌电流
- 内部生成的 PWM 可支持调光控制
- 38V 开路 LED 保护
- 支持两个 LED 灯串(每串多达 10 个 LED,每个 LED 的电流为 25mA)
- 内部低侧灌电流
- 保护 欠压锁定和电池故障比较器常开按钮监视器硬件复位引脚受密码保护的 I2C 寄存器
- 欠压锁定和电池故障比较器
- 常开按钮监视器
- 硬件复位引脚
- 受密码保护的 I2C 寄存器
- 接口 I2C 接口(地址 0x24)受密码保护的 I2C 寄存器
- I2C 接口(地址 0x24)
- 受密码保护的 I2C 寄存器
产品概述
TPS652170 是一款单芯片电源管理 IC (PMIC),专门设计用于为便携式和 5V 线路供电型应用中的 AM335x ARM®
Cortex®-A8 处理器 供电。该 PMIC 器件包含一个线性电池充电器(支持单节锂离子电池和锂聚合物电池)、双输入电源路径、三个降压转化器、四个低压降 (LDO) 稳压器以及一个高效升压转换器,可为两个分别由多达 10 个 LED 组成的灯串供电。此系统可由 USB 端口、5V 交流适配器或锂离子电池的任意组合供电。此器件的额定运行温度范围为 -40°C 至 +105°C,非常适合工业 应用。三个高效 2.25MHz 降压转换器可为系统提供内核电压、存储器和 I/O 电压。TPS652170 器件采用具有 0.4mm 间距的 48 引脚无引线封装 (6mm × 6mm VQFN)。
TPS652170RSLR 电路图
TPS652170RSLR 电路图
TPS652170RSLR 相关产品
- 2SD300C17A1
- 2SP0115T2A0-12
- 5962-1022101VSC
- 5962-8686102XA
- 5962-8688202XA
- 5962-89728022A
- 5962-89805012A
- 5962-8982402PA
- 5962-9322201MEA
- 7604501EA
- 85514012A
- 8551401PA
- 905X0205100
- 90E23PYGI8
- 90E24PYGI8
- 90E36ERGI
- A4910KJPTR-T
- A4915METTR-T
- A4930GETTR-T
- A4990KLPTR-T
- A5974AD
- A5974D
- A5975D
- A8304SESTR-T
- AAT2153IVN-0.6-T1
- AAT2823IBK-1-T1
- AAT4684ITP-T1
- AD536ASD/883B
- AD536ASH/883B
- AD580SH/883B

搜索
发布采购