更新日期:2024-04-01 00:04:00
产品简介:适用于 AMD? 系列 17h 模型 10h-1Fh 处理器的 PMIC
查看详情TPS6508700RSKR 供应商
- 公司
- 型号
- 品牌
- 封装/批号
- 数量
- 地区
- 日期
- 说明
- 询价
-
TI
-
原厂原装
22+ -
3288
-
上海市
-
-
-
一级代理原装
-
TI(德州仪器)
-
QFN-64(7x7)
2022+ -
12000
-
上海市
-
-
-
原装可开发票
TPS6508700RSKR 中文资料属性参数
- 现有数量:0现货6,000Factory查看交期
- 价格:2,000 : ¥31.92284卷带(TR)
- 系列:D-CAP2?
- 包装:卷带(TR)
- 产品状态:在售
- 应用:控制器/转换器,移动 PC
- 电压 - 输入:5.6V ~ 21V
- 输出数:12
- 电压 - 输出:多重
- 工作温度:-40°C ~ 85°C(TA)
- 安装类型:表面贴装型
- 封装/外壳:64-VFQFN 裸露焊盘
- 供应商器件封装:64-VQFN(8x8)
产品特性
- 5.6V 至 21V 的宽输入电压范围
- 三个可变输出电压同步降压控制器,采用 DCAP2™拓扑 使用外部 FET 的可扩展输出电流,支持可选电流限制针对 BUCK2 和 BUCK6 进行 I2C 动态电压调节 (DVS) 控制,针对 BUCK1 进行外部反馈
- 使用外部 FET 的可扩展输出电流,支持可选电流限制
- 针对 BUCK2 和 BUCK6 进行 I2C 动态电压调节 (DVS) 控制,针对 BUCK1 进行外部反馈
- 三个可变输出电压同步降压转换器,采用 DCS-Control 拓扑技术并支持 I2C DVS 功能 输入电压 范围为 4.5V 至 5.5V输出电压范围为 0.425V 至 3.575V 输出电流高达 3A
- 输入电压 范围为 4.5V 至 5.5V
- 输出电压范围为 0.425V 至 3.575V
- 输出电流高达 3A
- 三个具有可调节输出电压的 LDO 稳压器 LDOA1:可通过 I2C 选择的输出电压(1.35V 至 3.3V),输出电流高达 200mALDOA2 和 LDOA3:I2C 可选输出电压为 0.7V 至 1.5V,输出电流高达 600mA
- LDOA1:可通过 I2C 选择的输出电压(1.35V 至 3.3V),输出电流高达 200mA
- LDOA2 和 LDOA3:I2C 可选输出电压为 0.7V 至 1.5V,输出电流高达 600mA
- 带有 BUCK6 的 LDO 作为输入电压
- 三个具有压摆率控制功能的负载开关 输出电流高达 300mA,压降小于标称输入电压的 1.5% 输入电压为 1.8V 时,RDSON < 96mΩ
- 输出电流高达 300mA,压降小于标称输入电压的 1.5%
- 输入电压为 1.8V 时,RDSON < 96mΩ
- 5V 固定输出电压 LDO (LDO5) 用于 SMPS 的栅极驱动器和 LDOA1 的电源可自动切换至 5V 降压以实现更高效率
- 用于 SMPS 的栅极驱动器和 LDOA1 的电源
- 可自动切换至 5V 降压以实现更高效率
- 工厂 OTP 编程提供的内置时序功能 用于 G3、G3、S5 和 S0 状态选择的 CTL1、CTL4 和 CTL5用于 PG_S0 和 PG_S5 的 GPO1 和 GPO2 漏极开路中断输出引脚
- 用于 G3、G3、S5 和 S0 状态选择的 CTL1、CTL4 和 CTL5
- 用于 PG_S0 和 PG_S5 的 GPO1 和 GPO2
- 漏极开路中断输出引脚
- I2C 接口支持: 标准模式(100kHz)快速模式(400kHz) 快速模式+(1MHz)
- 标准模式(100kHz)
- 快速模式(400kHz)
- 快速模式+(1MHz)
产品概述
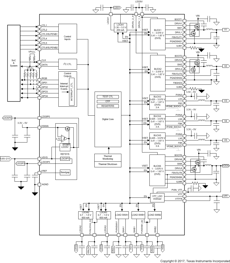
TPS6508700 器件是一款单芯片电源管理 IC (PMIC),专为笔记本电脑和一体式台式机的 AMD™系列 17h 型 10h-1Fh 处理器而设计。TPS6508700 器件可提供 5.6V 至 21V 的输入电压范围,用途 广泛。该器件非常适合使用 2S、3S 或 4S 锂离子电池组的 NVDC 和非 NVDC 电源架构。该 D-CAP2™和 DCS-Control™高频稳压器采用小型电感和电容,以减小解决方案体积。D-CAP2 和 DCS-Control 拓扑具有出色的瞬态响应性能,特别适用于具有快速负载开关的处理器内核和系统内存电压轨。I2C 接口可通过嵌入式控制器 (EC) 或片上系统 (SoC) 进行轻松控制。PMIC 采用带散热焊盘的 8mm × 8mm 单行 VQFN 封装,因此散热性能良好,电路板布线简单。
TPS6508700RSKR 电路图
TPS6508700RSKR 电路图
TPS6508700RSKR 相关产品
- 2SD300C17A1
- 2SP0115T2A0-12
- 5962-1022101VSC
- 5962-8686102XA
- 5962-8688202XA
- 5962-89728022A
- 5962-89805012A
- 5962-8982402PA
- 5962-9322201MEA
- 7604501EA
- 85514012A
- 8551401PA
- 905X0205100
- 90E23PYGI8
- 90E24PYGI8
- 90E36ERGI
- A4910KJPTR-T
- A4915METTR-T
- A4930GETTR-T
- A4990KLPTR-T
- A5974AD
- A5974D
- A5975D
- A8304SESTR-T
- AAT2153IVN-0.6-T1
- AAT2823IBK-1-T1
- AAT4684ITP-T1
- AD536ASD/883B
- AD536ASH/883B
- AD580SH/883B

搜索
发布采购