更新日期:2024-04-01 00:04:00
产品简介:具有 3 个转换器、3 个控制器、4 个 LDO 和 3 个负载开关的用户可编程电源管理 IC (PMIC)
查看详情TPS65086100RSKT 供应商
- 公司
- 型号
- 品牌
- 封装/批号
- 数量
- 地区
- 日期
- 说明
- 询价
-
TI
-
原厂原装
22+ -
3288
-
上海市
-
-
-
一级代理原装
-
TI(德州仪器)
-
64-VFQFN
2022+ -
12000
-
上海市
-
-
-
原装可开发票
TPS65086100RSKT 中文资料属性参数
- 现有数量:1,065现货9,750Factory
- 价格:1 : ¥86.81000剪切带(CT)250 : ¥62.01940卷带(TR)
- 系列:D-CAP2?
- 包装:卷带(TR)剪切带(CT)Digi-Reel? 得捷定制卷带
- 产品状态:在售
- 应用:控制器,多核,CPU,FPGA,SOC
- 电压 - 输入:5.6V ~ 21V
- 输出数:13
- 电压 - 输出:多重
- 工作温度:-40°C ~ 85°C
- 安装类型:表面贴装型
- 封装/外壳:64-VFQFN 裸露焊盘
- 供应商器件封装:64-VQFN(8x8)
产品特性
- 两组用于为默认电压和序列进行编程的一次性可编程内存
- 5.6V 至 21V 的宽输入电压范围
- 三个采用 D-CAP2™ 拓扑的可变输出电压同步降压控制器 使用外部 FET 的可扩展输出电流,支持可选电流限制 在 0.41V 至 1.67V 之间以 10mV 为步长、在 1V 至 3.575V 之间以 25mV 为步长或固定 5V 输出的 I2C DVS 控制
- 使用外部 FET 的可扩展输出电流,支持可选电流限制
- 在 0.41V 至 1.67V 之间以 10mV 为步长、在 1V 至 3.575V 之间以 25mV 为步长或固定 5V 输出的 I2C DVS 控制
- 三个采用 DCS-Control 拓扑的可变输出电压同步降压转换器 输入电压范围为 3V 至 5.5 V 输出电流高达 3A在 0.425V 至 3.575V在 25mV 为步长的 I2C 控制
- 输入电压范围为 3V 至 5.5 V
- 输出电流高达 3A
- 在 0.425V 至 3.575V在 25mV 为步长的 I2C 控制
- 三个具有可调节输出电压的 LDO 稳压器 LDOA1:I2C 可选输出电压为 1.35V 至 3.3V,输出电流最高 200mALDOA2 和 LDOA3:I2C 可选输出为 0.7V 至 1.5V,各输出电流均为最高 600mA
- LDOA1:I2C 可选输出电压为 1.35V 至 3.3V,输出电流最高 200mA
- LDOA2 和 LDOA3:I2C 可选输出为 0.7V 至 1.5V,各输出电流均为最高 600mA
- 用于 DDR 存储器终端的 VTT LDO
- 三个具有压摆率控制功能的负载开关 输出电流高达 300mA,压降小于标称输入电压的 1.5% 输入电压为 1.8V 时,RDSON < 96mΩ
- 输出电流高达 300mA,压降小于标称输入电压的 1.5%
- 输入电压为 1.8V 时,RDSON < 96mΩ
- 5V 固定输出电压 LDO (LDO5) 用于 SMPS 的栅极驱动器和 LDOA1 的电源可自动切换至外部 5V 降压以实现更高效率
- 用于 SMPS 的栅极驱动器和 LDOA1 的电源
- 可自动切换至外部 5V 降压以实现更高效率
- 内置可通过 OTP 编程功能实现的灵活性和可配置性 六个 GPI 引脚均可配置为启用(CTL1 至 CTL6)任意所选电压轨或使其进入睡眠模式(CTL3 和 CTL6)四个 GPO 引脚均可配置为指示任意所选轨道的电源正常 漏极开路中断输出引脚
- 六个 GPI 引脚均可配置为启用(CTL1 至 CTL6)任意所选电压轨或使其进入睡眠模式(CTL3 和 CTL6)
- 四个 GPO 引脚均可配置为指示任意所选轨道的电源正常
- 漏极开路中断输出引脚
- I2C 接口支持标准模式 (100kHz)、快速模式 (400kHz) 和超快速模式 (1MHz)
产品概述
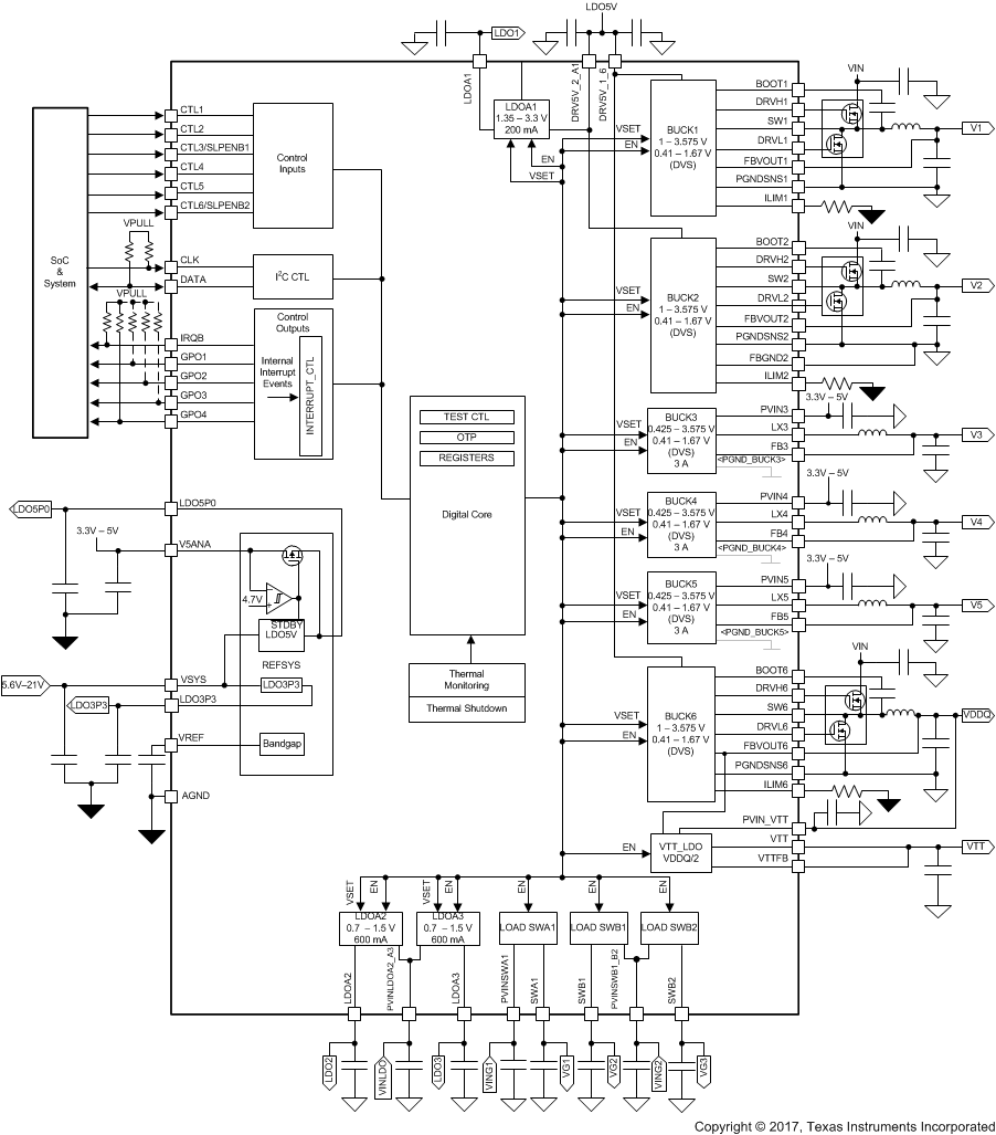
TPS650861 器件系列是一款单芯片电源管理 IC (PMIC),按照设计,其经编程可实现最佳的输出电压和电源定序。TPS650861 具有三个控制器,可提供最高 30A 电流的灵活供电能力,采用可满足大功率设计需求的大型外部 FET,但该 FET 的使用可降低尺寸和成本,获得更小巧的设计。通过将三个 3A 转换器、三个通用 LDO、一个适用于 DDR 的终端 LDO 以及三个负载开关相结合,TPS650861 可为多种 应用提供系统电源。该 D-CAP2™和DCS-Control 高频稳压器采用小型无源器件,以减小解决方案尺寸。D-CAP2 和 DCS-Control 拓扑具有出色的瞬态响应性能,非常适用于具有快速负载开关的处理器内核和系统内存电压轨。该器件具有两组一次性可编程 (OTP) 内存。如需大量采购,请联系当地的 TI 销售代表,以确定是否能够使用 TI 制造的产品进行 OTP 定制。第三方经销商也支持为 TPS650861 编程。
TPS65086100RSKT 电路图
TPS65086100RSKT 电路图
TPS65086100RSKT 相关产品
- 2SD300C17A1
- 2SP0115T2A0-12
- 5962-1022101VSC
- 5962-8686102XA
- 5962-8688202XA
- 5962-89728022A
- 5962-89805012A
- 5962-8982402PA
- 5962-9322201MEA
- 7604501EA
- 85514012A
- 8551401PA
- 905X0205100
- 90E23PYGI8
- 90E24PYGI8
- 90E36ERGI
- A4910KJPTR-T
- A4915METTR-T
- A4930GETTR-T
- A4990KLPTR-T
- A5974AD
- A5974D
- A5975D
- A8304SESTR-T
- AAT2153IVN-0.6-T1
- AAT2823IBK-1-T1
- AAT4684ITP-T1
- AD536ASD/883B
- AD536ASH/883B
- AD580SH/883B

搜索
发布采购