更新日期:2024-04-01 00:04:00
产品简介:适用于 2 节和 3 节锂离子电池供电器件或非电池供电器件的可配置多电轨 PMIC
查看详情TPS650860A0RSKR 供应商
- 公司
- 型号
- 品牌
- 封装/批号
- 数量
- 地区
- 日期
- 说明
- 询价
-
TI
-
原厂原装
22+ -
3288
-
上海市
-
-
-
一级代理原装
-
TI/德州仪器
-
QFN
21+ -
10000
-
杭州
-
-
-
只做原装现货,大量现货热卖
TPS650860A0RSKR 中文资料属性参数
- 现有数量:0现货查看交期
- 价格:2,000 : ¥45.60064卷带(TR)
- 系列:D-CAP2?
- 包装:卷带(TR)
- 产品状态:在售
- 应用:控制器,多核,CPU,FPGA,SOC
- 电压 - 输入:5.6V ~ 21V
- 输出数:11
- 电压 - 输出:多重
- 工作温度:-40°C ~ 85°C(TA)
- 安装类型:表面贴装型
- 封装/外壳:64-VFQFN 裸露焊盘
- 供应商器件封装:64-VQFN(8x8)
产品特性
- Wide VIN Range From 5.6V to 21 V
- Three Variable-Output Voltage Synchronous Step-Down Controllers With DCAP2™ Topology Scalable Output Current Using External FETs With Selectable Current Limit I2C DVS Control From 0.41 V to 1.67 V in 10-mV Steps or 1 V to 3.575 V in 25-mV Steps
- Scalable Output Current Using External FETs With Selectable Current Limit
- I2C DVS Control From 0.41 V to 1.67 V in 10-mV Steps or 1 V to 3.575 V in 25-mV Steps
- Three Variable-Output Voltage Synchronous Step-Down Converters With DCS-Control Topology VIN Range From 4.5 V to 5.5 V Up to 3 A of Output Current I2C DVS Control From 0.41 V to 1.67 V in 10-mV Steps or 0.425 V to 3.575 V in 25-mV Steps
- VIN Range From 4.5 V to 5.5 V
- Up to 3 A of Output Current
- I2C DVS Control From 0.41 V to 1.67 V in 10-mV Steps or 0.425 V to 3.575 V in 25-mV Steps
- Three LDO Regulators With Adjustable Output Voltage LDOA1: I2C-Selectable Output Voltage From 1.35 V to 3.3 V for up to 200 mA of Output Current LDOA2 and LDOA3: I2C-Selectable Output Voltage From 0.7 V to 1.5 V for up to 600 mA of Output Current
- LDOA1: I2C-Selectable Output Voltage From 1.35 V to 3.3 V for up to 200 mA of Output Current
- LDOA2 and LDOA3: I2C-Selectable Output Voltage From 0.7 V to 1.5 V for up to 600 mA of Output Current
- VTT LDO for DDR Memory Termination
- Three Load Switches With Slew Rate Control Up to 300 mA of Output Current With Voltage Drop Less Than 1.5% of Nominal Input Voltage RDSON < 96 mΩ at Input Voltage of 1.8 V
- Up to 300 mA of Output Current With Voltage Drop Less Than 1.5% of Nominal Input Voltage
- RDSON < 96 mΩ at Input Voltage of 1.8 V
- 5-V Fixed-Output Voltage LDO (LDO5) Power Supply for Gate Drivers of SMPS and for LDOA1 Automatic Switch to External 5-V Buck for Higher Efficiency
- Power Supply for Gate Drivers of SMPS and for LDOA1
- Automatic Switch to External 5-V Buck for Higher Efficiency
- Built-in Flexibility and Configurability by Factory OTP Programming Six GPI Pins Configurable to Enable (CTL1 to CTL6) or Sleep Mode Entry (CTL3 and CTL6) of Any Selected Rails Four GPO Pins Configurable to Power Good of Any Selected Rails Open-Drain Interrupt Output Pin
- Six GPI Pins Configurable to Enable (CTL1 to CTL6) or Sleep Mode Entry (CTL3 and CTL6) of Any Selected Rails
- Four GPO Pins Configurable to Power Good of Any Selected Rails
- Open-Drain Interrupt Output Pin
- I2C Interface Supports: Standard Mode (100 kHz) Fast Mode (400 kHz) Fast Mode Plus (1 MHz)
- Standard Mode (100 kHz)
- Fast Mode (400 kHz)
- Fast Mode Plus (1 MHz)
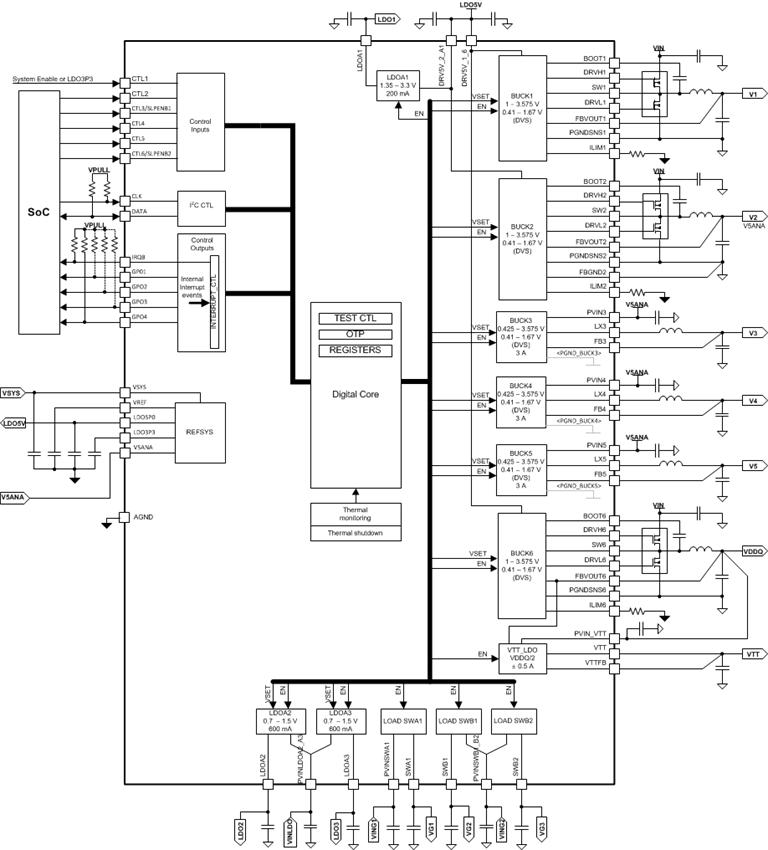
产品概述
The TPS650860 device is a single-chip power-management IC designed for multicore
processors, FPGAs, and other System-on-Chips (SoCs). The TPS650860 offers an input range of 5.6 V
to 21 V, enabling a wide range of applications. The device is well suited for NVDC and non-NVDC
power architecture using 2S, 3S, or 4S Li-Ion battery packs. See the Application Section for
5-V input supplies. The D-CAP2 and DCS-Control high-frequency
voltage regulators use small inductors and capacitors to achieve a small solution size. The D-CAP2
and DCS-Control topologies have excellent transient response performance, which is great for
processor core and system memory rails that have fast load switching. An
I2C interface allows simple control either by an embedded controller
(EC) or by an SoC. The PMIC comes in an
8-mm × 8-mm, single-row VQFN package with thermal pad for good thermal dissipation and ease
of board routing.
TPS650860A0RSKR 电路图
TPS650860A0RSKR 电路图
TPS650860A0RSKR 相关产品
- 2SD300C17A1
- 2SP0115T2A0-12
- 5962-1022101VSC
- 5962-8686102XA
- 5962-8688202XA
- 5962-89728022A
- 5962-89805012A
- 5962-8982402PA
- 5962-9322201MEA
- 7604501EA
- 85514012A
- 8551401PA
- 905X0205100
- 90E23PYGI8
- 90E24PYGI8
- 90E36ERGI
- A4910KJPTR-T
- A4915METTR-T
- A4930GETTR-T
- A4990KLPTR-T
- A5974AD
- A5974D
- A5975D
- A8304SESTR-T
- AAT2153IVN-0.6-T1
- AAT2823IBK-1-T1
- AAT4684ITP-T1
- AD536ASD/883B
- AD536ASH/883B
- AD580SH/883B

搜索
发布采购