更新日期:2024-04-01 00:04:00
产品简介:采用 1.5mm x 1.5mm VSON-HR 封装、具有 1% 精度的 2.4V 至 5.5V 输入、3A 降压转换器
查看详情TPS62826DMQT 供应商
- 公司
- 型号
- 品牌
- 封装/批号
- 数量
- 地区
- 日期
- 说明
- 询价
-
TI
-
原厂原装
22+ -
3288
-
上海市
-
-
-
一级代理原装
-
TI(德州仪器)
-
VSON-6-HR(1.5x1.5)
2022+ -
12000
-
上海市
-
-
-
原装可开发票
TPS62826DMQT 中文资料属性参数
- 现有数量:215现货9,750Factory
- 价格:1 : ¥15.10000剪切带(CT)250 : ¥4.42684卷带(TR)
- 系列:-
- 包装:卷带(TR)剪切带(CT)Digi-Reel? 得捷定制卷带
- 产品状态:在售
- 功能:降压
- 输出配置:正
- 拓扑:降压
- 输出类型:可调式
- 输出数:1
- 电压 - 输入(最小值):2.4V
- 电压 - 输入(最大值):5.5V
- 电压 - 输出(最小值/固定):0.6V
- 电压 - 输出(最大值):4V
- 电流 - 输出:3A
- 频率 - 开关:2.2MHz
- 同步整流器:是
- 工作温度:-40°C ~ 125°C(TJ)
- 安装类型:表面贴装型
- 封装/外壳:6-VFDFN
- 供应商器件封装:6-VSON-HR(1.5x1.5)
产品特性
- 可作为集成电感器的电源模块:TPSM82821、TPSM82822 和 TPSM82823
- DCS-Control 拓扑
- 1% 反馈或输出电压精度(整个温度范围)
- 效率高达 97%
- 26mΩ 和 25mΩ 内部功率 MOSFET
- 2.4V 至 5.5V 输入电压范围
- 运行静态电流 4µA
- 2.2MHz 开关频率
- 0.6V 至 4V 可调节输出电压
- 可实现轻负载效率的省电模式
- 100% 占空比,可实现超低压降
- 有源输出放电
- 电源正常状态输出
- 热关断保护
- 断续短路保护
- 强制 PWM 版本可支持 CCM 运行
- 使用 TPS6282x 并借助 WEBENCH Power Designer 创建定制设计方案
产品概述
TPS6282x 是易于使用的同步直流/直流降压转换器系列,具有仅 4µA 的超低静态电流。该器件基于 DCS 控制拓扑,可实现快速瞬态响应。由于具有内部基准,该产品可在 -40°C 至 125°C 的结温范围内以 1% 的高反馈电压精度将输出电压调节到 0.6V 以下。该系列器件具有引脚对引脚和 BOM 对 BOM 兼容性。整个设计需要一个小型 470nH 电感器、一个 4.7µF 输入电容器以及两个 10µF 输出电容器(或一个 22µF 输出电容器)。TPS6282x 具有两种型号。第一种型号可自动进入省电模式,在超轻负载条件下保持高效率,从而延长系统电池的运行时间。第二种型号可实现强制 PWM 运行,以维持连续导通模式,从而确保超低的输出电压纹波和准固定开关频率。该器件具有电源正常信号和内部软启动电路。该器件能够以 100% 模式运行。在故障保护方面,该器件加入了断续短路保护以及热关断功能。该器件采用 6 引脚 1.5mm x 1.5mm QFN 封装,可实现超高功率密度设计。
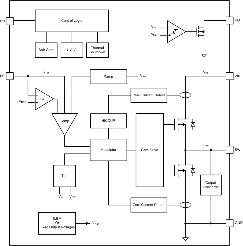
TPS62826DMQT 电路图
TPS62826DMQT 电路图
TPS62826DMQT 相关产品
- 2SD300C17A1
- 2SP0115T2A0-12
- 5962-1022101VSC
- 5962-8686102XA
- 5962-8688202XA
- 5962-89728022A
- 5962-89805012A
- 5962-8982402PA
- 5962-9322201MEA
- 7604501EA
- 85514012A
- 8551401PA
- 905X0205100
- 90E23PYGI8
- 90E24PYGI8
- 90E36ERGI
- A4910KJPTR-T
- A4915METTR-T
- A4930GETTR-T
- A4990KLPTR-T
- A5974AD
- A5974D
- A5975D
- A8304SESTR-T
- AAT2153IVN-0.6-T1
- AAT2823IBK-1-T1
- AAT4684ITP-T1
- AD536ASD/883B
- AD536ASH/883B
- AD580SH/883B

搜索
发布采购