更新日期:2024-04-01 00:04:00
产品简介:适用于 Intel SkyLake 平台且具有低功耗模式输入的 17V 输入降压转换器
查看详情TPS62134BRGTT 供应商
- 公司
- 型号
- 品牌
- 封装/批号
- 数量
- 地区
- 日期
- 说明
- 询价
-
TI
-
原厂原装
22+ -
3288
-
上海市
-
-
-
一级代理原装
-
TI(德州仪器)
-
QFN-16(3x3)
2022+ -
12000
-
上海市
-
-
-
原装可开发票
TPS62134BRGTT 中文资料属性参数
- 现有数量:3现货5,500Factory
- 价格:1 : ¥21.70000剪切带(CT)250 : ¥12.97424卷带(TR)
- 系列:DCS-Control?
- 包装:卷带(TR)剪切带(CT)Digi-Reel? 得捷定制卷带
- 产品状态:在售
- 功能:降压
- 输出配置:正
- 拓扑:降压
- 输出类型:可编程
- 输出数:1
- 电压 - 输入(最小值):3V
- 电压 - 输入(最大值):17V
- 电压 - 输出(最小值/固定):0.7V
- 电压 - 输出(最大值):0.95V
- 电流 - 输出:3.2A
- 频率 - 开关:1MHz
- 同步整流器:是
- 工作温度:-40°C ~ 125°C(TJ)
- 安装类型:表面贴装型
- 封装/外壳:16-VFQFN 裸露焊盘
- 供应商器件封装:16-VQFN(3x3)
产品特性
- DCS-Control 架构
- 支持系统待机模式的低功耗模式
- 用于在轻载时实现高效率的省电模式
- 固定输出电压可选择(0.7V 至 1.05V)
- 低功耗模式逻辑输入
- 静态电流为 20µA
- 输入电压范围:3V 至 17V
- 输出电流:高达 3.2A
- 可编程软启动
- 电源正常输出
- 短路保护
- 单端遥感
- 热关断保护
- 采用 3mm x 3mm 超薄型四方扁平无引线 (VQFN)-16 封装
- Intel Skylake 平台超级本、笔记本电脑和 PC
- 标准 12V 导轨式电源
- 负载点 (POL) 由 1 至 4 节锂离子电池供电
- 固态硬盘驱动器
- 嵌入式系统
产品概述
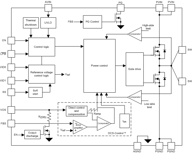
TPS62134x 系列器件是一款易于使用的同步降压 DC-DC 转换器,可兼容 Intel Skylake 平台应用,诸如 超级本 和笔记本电脑。 高性能 DCS-Control 架构可提供快速瞬态响应以及高精度输出电压。借助其 3 至 17V 宽运行输入电压范围,此器件非常适用于由锂离子电池或者其它电池以及由 12V 中间电源轨供电的系统。 器件具有低功耗模式,在该模式下器件可通过 LPM 引脚降低输出电压。 此外,器件还可通过 VIDx 引脚支持输出电压的动态变化。 LPM 和 VIDx 引脚可帮助系统在不同工作模式下最大限度地降低功耗。输出电压启动斜坡由 SS 引脚控制。 电源排序可通过使能 (EN) 引脚和电源正常 (PG) 引脚配置。 省电模式下,器件所示静态电流约为 20μA,该电流可在整个负载范围内保持高效率。 短路保护和热关断功能可保护集成电路 (IC) 和外部元件,使其不受输出接地短路时产生的强大电流的影响。 该器件采用 3mm × 3mm 16 引脚超薄四方扁平无引线封装 (VQFN) 封装,且带有散热焊盘。
TPS62134BRGTT 数据手册
| 数据手册 | 说明 | 数量 | 操作 |
|---|---|---|---|
TPS62134BRGTT
|
Buck Switching Regulator IC Positive Programmable 0.7V 1 Output 3.2A 16-VFQFN Exposed Pad |
29页,1.15M | 查看 |
TPS62134BRGTT 电路图
TPS62134BRGTT 电路图
TPS62134BRGTT 相关产品
- 2SD300C17A1
- 2SP0115T2A0-12
- 5962-1022101VSC
- 5962-8686102XA
- 5962-8688202XA
- 5962-89728022A
- 5962-89805012A
- 5962-8982402PA
- 5962-9322201MEA
- 7604501EA
- 85514012A
- 8551401PA
- 905X0205100
- 90E23PYGI8
- 90E24PYGI8
- 90E36ERGI
- A4910KJPTR-T
- A4915METTR-T
- A4930GETTR-T
- A4990KLPTR-T
- A5974AD
- A5974D
- A5975D
- A8304SESTR-T
- AAT2153IVN-0.6-T1
- AAT2823IBK-1-T1
- AAT4684ITP-T1
- AD536ASD/883B
- AD536ASH/883B
- AD580SH/883B

搜索
发布采购
TPS62134BRGTT