更新日期:2024-04-01 00:04:00
产品简介:TPS57140-EP 具有 Eco-mode™ 控制方案的 1.5A、42V 直流/直流降压转换器
查看详情TPS57140MDRCREP 供应商
- 公司
- 型号
- 品牌
- 封装/批号
- 数量
- 地区
- 日期
- 说明
- 询价
-
TI
-
原厂原装
22+ -
3288
-
上海市
-
-
-
一级代理原装
-
TI(德州仪器)
-
VSON-10(3x3)
2022+ -
12000
-
上海市
-
-
-
原装可开发票
TPS57140MDRCREP 中文资料属性参数
- 现有数量:0现货9,000Factory
- 价格:100 : ¥217.25100卷带(TR)3,000 : ¥143.55139卷带(TR)
- 系列:SWIFT?
- 包装:卷带(TR)卷带(TR)剪切带(CT)Digi-Reel? 得捷定制卷带
- 产品状态:在售
- 功能:降压
- 输出配置:正
- 拓扑:降压
- 输出类型:可调式
- 输出数:1
- 电压 - 输入(最小值):3.5V
- 电压 - 输入(最大值):42V
- 电压 - 输出(最小值/固定):0.8V
- 电压 - 输出(最大值):39V
- 电流 - 输出:1.5A
- 频率 - 开关:100kHz ~ 2.5MHz
- 同步整流器:无
- 工作温度:-55°C ~ 125°C(TA)
- 安装类型:表面贴装型
- 封装/外壳:10-VFDFN 裸露焊盘
- 供应商器件封装:10-VSON(3x3)
产品特性
- 3.5V 至 42V 输入电压范围
- 200mΩ 高侧金属氧化物半导体场效应晶体(MOSFET)
- 在具有脉冲跳跃的轻负载下实现高效率 Eco-mode™控制机制
- 116µA 工作静态电流
- 1.5µA 关断电流
- 100kHz 至 2.5MHz 开关频率
- 同步至外部时钟
- 可调缓启动和排序
- 欠压和过压电源正常输出
- 可调的欠压闭锁 (UVLO) 电压和滞后
- 0.8V 内部电压基准
- 支持国防、航天和医疗 应用受控基线 同一组装和测试场所同一制造场所支持军用(-55°C 至 125°C)温度范围延长的产品生命周期延长的产品变更通知产品可追溯性
- 受控基线
- 同一组装和测试场所
- 同一制造场所
- 支持军用(-55°C 至 125°C)温度范围
- 延长的产品生命周期
- 延长的产品变更通知
- 产品可追溯性
产品概述
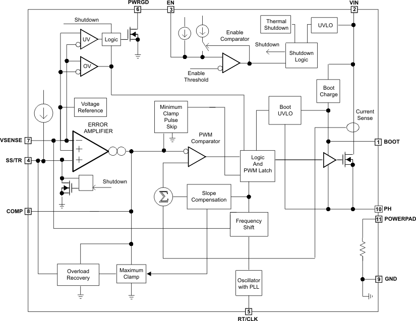
TPS57140-EP 器件是一款带有集成型高侧 MOSFET 的 42V,1.5A 降压稳压器。电流模式控制提供了简单的外部补偿和灵活的组件选择。低纹波脉冲跳跃模式可将无负载的稳压输出电源电流减小至 116µA。通过使能引脚可以将关断电源电流减小至 1.5µA。UVLO 电压在内部设定为 2.5V,但可用使能引脚将之提高。缓启动引脚控制输出电压启动斜升,该引脚还可配置用于排序或跟踪。开漏电源正常信号表示输出处于其标称电压值的 92% 至 109% 之内。宽开关频率范围可实现效率和外部组件尺寸的优化。频率折返和热关断功能负责在过载情况下保护器件。TPS57140-EP 采用 10 引脚超薄型小外形尺寸无引线 (VSON) 封装 (DRC)。
TPS57140MDRCREP 电路图
TPS57140MDRCREP 电路图
TPS57140MDRCREP 相关产品
- 2SD300C17A1
- 2SP0115T2A0-12
- 5962-1022101VSC
- 5962-8686102XA
- 5962-8688202XA
- 5962-89728022A
- 5962-89805012A
- 5962-8982402PA
- 5962-9322201MEA
- 7604501EA
- 85514012A
- 8551401PA
- 905X0205100
- 90E23PYGI8
- 90E24PYGI8
- 90E36ERGI
- A4910KJPTR-T
- A4915METTR-T
- A4930GETTR-T
- A4990KLPTR-T
- A5974AD
- A5974D
- A5975D
- A8304SESTR-T
- AAT2153IVN-0.6-T1
- AAT2823IBK-1-T1
- AAT4684ITP-T1
- AD536ASD/883B
- AD536ASH/883B
- AD580SH/883B

搜索
发布采购