更新日期:2024-04-01 00:04:00
产品简介:3.6V 至 36V、1A 输出、2MHz 同步升压和降压转换器
查看详情TPS55160QPWPRQ1 供应商
- 公司
- 型号
- 品牌
- 封装/批号
- 数量
- 地区
- 日期
- 说明
- 询价
-
TI
-
原厂原装
22+ -
3288
-
上海市
-
-
-
一级代理原装
TPS55160QPWPRQ1 中文资料属性参数
- 现有数量:0现货查看交期
- 价格:1 : ¥39.83000剪切带(CT)2,000 : ¥22.52605卷带(TR)
- 系列:Automotive, AEC-Q100
- 包装:卷带(TR)剪切带(CT)Digi-Reel? 得捷定制卷带
- 产品状态:在售
- 功能:升压/降压
- 输出配置:正
- 拓扑:降压升压
- 输出类型:可调式
- 输出数:1
- 电压 - 输入(最小值):2V
- 电压 - 输入(最大值):36V
- 电压 - 输出(最小值/固定):5.7V
- 电压 - 输出(最大值):9V
- 电流 - 输出:1A
- 频率 - 开关:2MHz
- 同步整流器:是
- 工作温度:-40°C ~ 125°C(TA)
- 安装类型:表面贴装型
- 封装/外壳:20-PowerTSSOP(0.173",4.40mm 宽)
- 供应商器件封装:20-HTSSOP
产品特性
- 符合汽车应用要求
- 具有符合 AEC-Q100 标准的下列特性: 器件温度等级 1:–40°C 至 +125°C 的工作环境温度范围 器件 HBM ESD 分类等级 2 器件 CDM ESD 分类等级 C4B
- 器件温度等级 1:–40°C 至 +125°C 的工作环境温度范围
- 器件 HBM ESD 分类等级 2
- 器件 CDM ESD 分类等级 C4B
- 提供功能安全 可帮助进行功能安全系统设计的文档
- 可帮助进行功能安全系统设计的文档
- VOUT = 5V 时的输入电压范围为 2V 至 36V
- 5V 或 12V 固定输出电压 (TPS55165-Q1)
- 5.7V 至 9V 可调输出电压选项 (TPS55160-Q1 和 TPS55162-Q1)
- 效率高达 85%
- VOUT = 5V 且 VIN ≥ 5.3V 时的输出电流为 1A
- VOUT = 5V 且 VIN ≥ 3.8V 时的输出 电流为 0.8A
- VOUT = 5V 且 VIN ≥ 2.3V 时的输出 电流为 0.4A
- 在降压和升压模式之间自动转换
- 低功耗模式,可在轻负载情况下提高效率 (TPS55160-Q1/TPS55165-Q1)
- 在低功耗模式下器件静态电流小于 15µA (TPS55160-Q1/TPS55165-Q1)
- 器件关断电流小于 3µA
- 2MHz 强制固定运行频率
- 可选展频(TPS55160-Q1 和 TPS55165-Q1)
- 通过具有电源锁存功能的 IGN 唤醒
- 具有可配置延迟时间的智能电源正常输出
- 过热保护和输出过压保护
- 采用易于使用的 20 引脚 HTSSOP PowerPAD™ 封装
产品概述
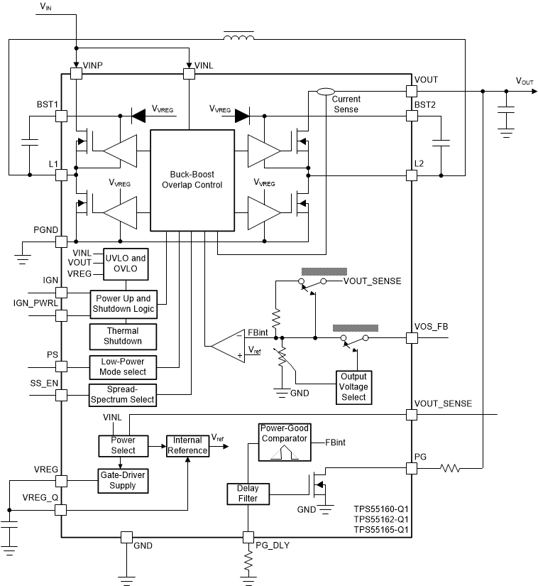
TPS5516x-Q1 系列器件是一款高电压同步降压/升压直流/直流转换器。该器件通过多种不同的输入电源(如汽车电池)提供稳定的电源输出。降压/升压重叠控制可确保以最佳的效率在降压和升压模式之间自动转换。TPS55165-Q1 输出电压可以设置为 5V 或 12V 固定电平。TPS55160-Q1 和 TPS55162-Q1 器件具有通过外部电阻分压器设置的 5.7V 至 9V 可配置输出电压。对于常规汽车电池电压,输出电流可高至 1A,并且能够针对更低的输入电压(如用于实现常见电池启动曲线的电压)保持在 0.4A。该降压/升压转换器基于一个使用同步整流的固定频率、脉宽调制 (PWM) 控制电路来获得最高效率。开关频率设置为 2MHz(典型值),从而允许使用小型电感器(布板空间更少)。
TPS55160QPWPRQ1 电路图
TPS55160QPWPRQ1 电路图
TPS55160QPWPRQ1 相关产品
- 2SD300C17A1
- 2SP0115T2A0-12
- 5962-1022101VSC
- 5962-8686102XA
- 5962-8688202XA
- 5962-89728022A
- 5962-89805012A
- 5962-8982402PA
- 5962-9322201MEA
- 7604501EA
- 85514012A
- 8551401PA
- 905X0205100
- 90E23PYGI8
- 90E24PYGI8
- 90E36ERGI
- A4910KJPTR-T
- A4915METTR-T
- A4930GETTR-T
- A4990KLPTR-T
- A5974AD
- A5974D
- A5975D
- A8304SESTR-T
- AAT2153IVN-0.6-T1
- AAT2823IBK-1-T1
- AAT4684ITP-T1
- AD536ASD/883B
- AD536ASH/883B
- AD580SH/883B

搜索
发布采购