更新日期:2024-04-01 00:04:00
产品简介:具有 AVSO 和差分遥感功能的 1.5V 至 16V、40A 同步 SWIFT? 降压转换器
查看详情TPS548D21RVFT 供应商
- 公司
- 型号
- 品牌
- 封装/批号
- 数量
- 地区
- 日期
- 说明
- 询价
-
TI
-
原厂原装
22+ -
3288
-
上海市
-
-
-
一级代理原装
-
TI(德州仪器)
-
LQFN-40-CLIP(7x5)
2022+ -
12000
-
上海市
-
-
-
原装可开发票
TPS548D21RVFT 中文资料属性参数
- 现有数量:0现货查看交期
- 价格:1 : ¥83.08000剪切带(CT)250 : ¥59.35716卷带(TR)
- 系列:SWIFT?, D-CAP3?, Eco-Mode?
- 包装:卷带(TR)剪切带(CT)Digi-Reel? 得捷定制卷带
- 产品状态:在售
- 功能:降压
- 输出配置:正
- 拓扑:降压
- 输出类型:可调式
- 输出数:1
- 电压 - 输入(最小值):1.5V
- 电压 - 输入(最大值):16V
- 电压 - 输出(最小值/固定):0.6V
- 电压 - 输出(最大值):5.5V
- 电流 - 输出:40A
- 频率 - 开关:可选
- 同步整流器:是
- 工作温度:-40°C ~ 125°C(TJ)
- 安装类型:表面贴装型
- 封装/外壳:40-PowerLFQFN
- 供应商器件封装:40-LQFN-CLIP(7x5)
产品特性
- 转换输入电压范围 (PVIN):1.5V 至 16V
- 输入偏置电压 (VDD) 范围:4.5V 至 22V
- 输出电压范围:0.6V 至 5.5V
- 集成式 2.9mΩ 和 1.2mΩ 功率 MOSFET,持续输出电流为 40A
- 电压基准 0.6V 至 1.2V(阶跃为 50mV),采用 VSEL 引脚
- ±0.5%,0.9VREF 公差范围:–40°C 至 +125°C 结温
- 真正的差分遥感放大器
- D-CAP3™控制环路,
- 通过 REFIN_TRK 引脚 进行模拟 AVS 优化
- 自适应导通时间控制,具有 4 种频率设置可供选择:425kHz、650kHz、875kHz 和 1.05MHz
- 温度补偿和可编程电流限值,具有 RILIM 和 OC 钳位
- 可选断续或闭锁 OVP 或 UVP
- 通过精确的 EN 迟滞实现的 VDD UVLO 外部调整
- 预偏置启动支持
- 所有操作期间的 FCCM 模式
- 全套故障保护和 PGOOD
- 使用 TPS548D21 并借助 WEBENCH® 电源设计器创建定制设计方案
产品概述
TPS548D21 器件是一款紧凑型单通道降压转换器,具有自适应导通时间 D-CAP3
模式控制。该器件专为高精度、高效率、快速瞬态响应、易于使用、外部组件较少且空间受限的电源系统而设计。该器件 采用 全差分感应和 TI 集成 FET,高侧导通电阻为 2.9mΩ,低侧导通电阻为
1.2mΩ。此外,该器件还 具有 0.5% 的精度和 0.9V 基准电压,环境温度范围介于 –40°C 和 +125°C 之间。其竞争
优势 包括:极少的外部组件数、精确的负载调节和线路调节、 FCCM 工作模式以及内部软启动控制。TPS548D21 器件采用 7mm × 5mm、40 引脚、LQFN-CLIP (RVF) 封装(RoHs 豁免)。
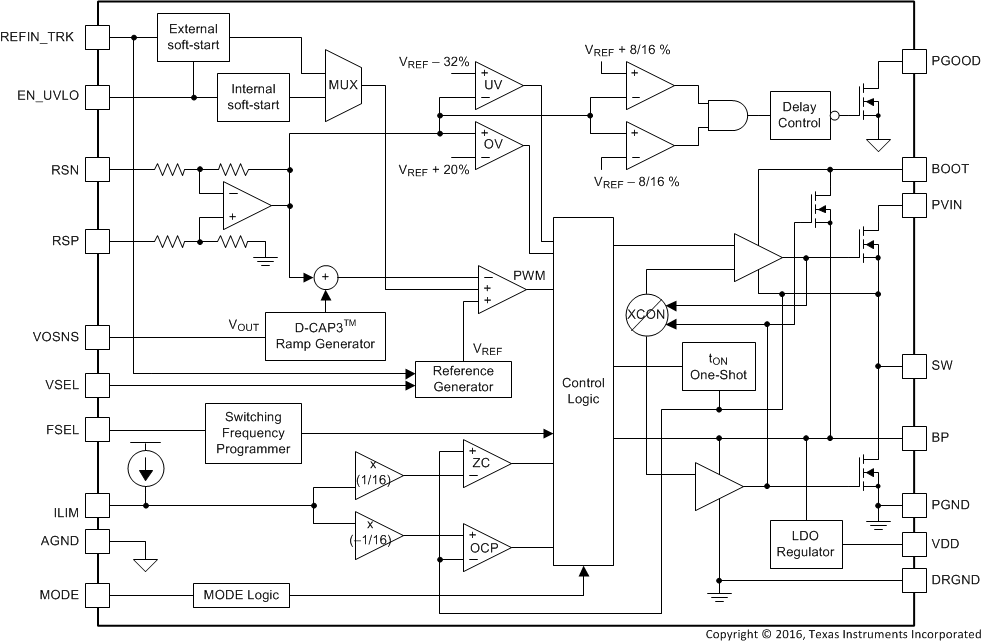
TPS548D21RVFT 电路图
TPS548D21RVFT 电路图
TPS548D21RVFT 相关产品
- 2SD300C17A1
- 2SP0115T2A0-12
- 5962-1022101VSC
- 5962-8686102XA
- 5962-8688202XA
- 5962-89728022A
- 5962-89805012A
- 5962-8982402PA
- 5962-9322201MEA
- 7604501EA
- 85514012A
- 8551401PA
- 905X0205100
- 90E23PYGI8
- 90E24PYGI8
- 90E36ERGI
- A4910KJPTR-T
- A4915METTR-T
- A4930GETTR-T
- A4990KLPTR-T
- A5974AD
- A5974D
- A5975D
- A8304SESTR-T
- AAT2153IVN-0.6-T1
- AAT2823IBK-1-T1
- AAT4684ITP-T1
- AD536ASD/883B
- AD536ASH/883B
- AD580SH/883B

搜索
发布采购