更新日期:2024-04-01 00:04:00
产品简介:适用于 Intel VR13 CPU VCORE 和 DDR 存储器的两相 D-CAP+™ 降压控制器
查看详情TPS53627RSMR 供应商
- 公司
- 型号
- 品牌
- 封装/批号
- 数量
- 地区
- 日期
- 说明
- 询价
-
TI
-
原厂原装
22+ -
3288
-
上海市
-
-
-
一级代理原装
-
TI(德州仪器)
-
VQFN-32(4x4)
2022+ -
12000
-
上海市
-
-
-
原装可开发票
-
TSSOP
23+ -
46000
-
合肥
-
-
-
科大讯飞战略投资企业,提供一站式配套服务
TPS53627RSMR 中文资料属性参数
- 现有数量:0现货9,000Factory查看交期
- 价格:3,000 : ¥24.81562卷带(TR)
- 系列:D-CAP+?
- 包装:卷带(TR)
- 产品状态:在售
- 应用:控制器,Intel VR13
- 电压 - 输入:4.5V ~ 28V
- 输出数:1
- 电压 - 输出:0.5V ~ 2.3V
- 工作温度:-40°C ~ 105°C
- 安装类型:表面贴装型
- 封装/外壳:32-VFQFN 裸露焊盘
- 供应商器件封装:32-VQFN(4x4)
产品特性
- 兼容 Intel®VR13 串行 VID (SVID)
- 单相或两相运行
- 支持压降和非压降 应用
- 8 位 DAC,具有 10mV 的步长
- 4.5V 至 28V 转换电压范围
- 输出电压范围:0.5V 到 2.3V
- 轻重负载情况下效率均得到优化
- 8 级独立的过冲衰减 (OSR) 和下冲衰减 (USR)
- 无驱动器配置,有助于实现高效的高频开关
- 支持分立式、电源块、 功率级™或 DrMOS MOSFET 实施
- 精确可调电压定位
- 300kHz 至 1MHz 的频率选择
- 已获专利 AutoBalance™相位均衡
- 适用于负载瞬态升压的可编程 ON-Pulse 扩展
- 可编程自动 DCM 和 CCM 运行
- 可选 8 级电流限制
- 小型 32 引脚 4mm × 4mm VQFN 封装 PowerPad™封装
产品概述
TPS53627 器件是兼容 VR13 SVID 的无驱动器同步降压控制器。高级控制 特性 (例如具有重叠脉冲的
D-CAP+ ™架构)支持下冲衰减 (USR) 和过冲衰减 (OSR),可提供快速瞬态响应、最低输出电容和高效率。该器件还支持在
CCM 和 DCM 运行情况下进行单相运行,从而提高轻负载情况下的效率。该器件集成了一整套 VR13 I/O 特性, 包括 VR_READY
(PGOOD)、ALERT 和 VR_HOT。SVID 接口地址允许在 00h 到 07h
的时间范围内进行编程。输出电压转换率的可调节控制可编程为高达 20mV/uS。与 TI NexFET™功率级配合使用时,该总体解决方案可提供超高速度和低开关损耗。 TPS53627 器件采用节省空间的热增强型 32 引脚 VQFN 封装,可在 –40°C 到 + 105°C
温度下运行。
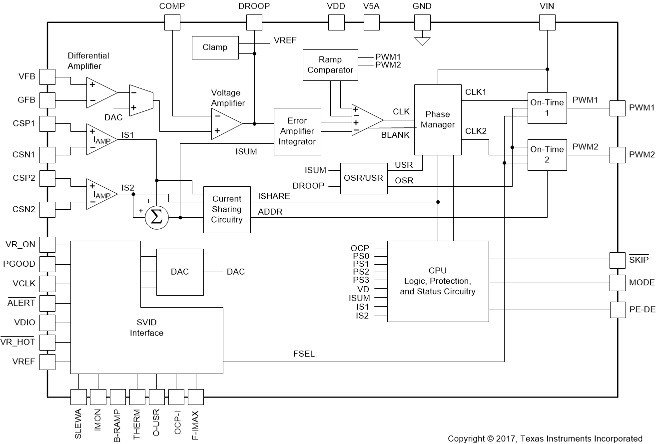
TPS53627RSMR 电路图
TPS53627RSMR 电路图
TPS53627RSMR 相关产品
- 2SD300C17A1
- 2SP0115T2A0-12
- 5962-1022101VSC
- 5962-8686102XA
- 5962-8688202XA
- 5962-89728022A
- 5962-89805012A
- 5962-8982402PA
- 5962-9322201MEA
- 7604501EA
- 85514012A
- 8551401PA
- 905X0205100
- 90E23PYGI8
- 90E24PYGI8
- 90E36ERGI
- A4910KJPTR-T
- A4915METTR-T
- A4930GETTR-T
- A4990KLPTR-T
- A5974AD
- A5974D
- A5975D
- A8304SESTR-T
- AAT2153IVN-0.6-T1
- AAT2823IBK-1-T1
- AAT4684ITP-T1
- AD536ASD/883B
- AD536ASH/883B
- AD580SH/883B

搜索
发布采购