更新日期:2024-04-01 00:04:00
产品简介:双输出、两相、可堆叠 PMBUS 同步降压无驱动器控制器
查看详情TPS40425RHAT 供应商
- 公司
- 型号
- 品牌
- 封装/批号
- 数量
- 地区
- 日期
- 说明
- 询价
-
TI
-
原厂原装
22+ -
3288
-
上海市
-
-
-
一级代理原装
-
TI(德州仪器)
-
40-VFQFN
2022+ -
12000
-
上海市
-
-
-
原装可开发票
-
TI
-
VQFN
21+ -
20000
-
上海市
-
-
-
原装现货,品质为先!请来电垂询!
-
TI
-
TSSOP
23+ -
46000
-
合肥
-
-
-
科大讯飞战略投资企业,提供一站式配套服务
TPS40425RHAT 中文资料属性参数
- 现有数量:1,250现货6,500Factory
- 价格:1 : ¥71.39000剪切带(CT)250 : ¥51.01864卷带(TR)
- 系列:-
- 包装:卷带(TR)剪切带(CT)Digi-Reel? 得捷定制卷带
- 产品状态:在售
- 输出类型:晶体管驱动器
- 功能:降压
- 输出配置:正
- 拓扑:降压
- 输出数:2
- 输出阶段:2
- 电压 - 供电 (Vcc/Vdd):4.5V ~ 20V
- 频率 - 开关:200kHz ~ 1.5MHz
- 占空比(最大):-
- 同步整流器:是
- 时钟同步:是
- 串行接口:PMBus
- 控制特性:频率控制,相位控制,电源良好
- 工作温度:-40°C ~ 125°C(TJ)
- 安装类型:表面贴装型
- 封装/外壳:40-VFQFN 裸露焊盘
- 供应商器件封装:40-VQFN(6x6)
产品特性
- 出厂默认为非智能功率模式
- 与出厂默认为智能功率模式的 TPS40428 引脚对引脚等效
- 单电源供电:4.5V 至 20V
- VOUT 为 0.6V
- 双相或多相同步降压控制器
- 独立的高速 AVS 接口(0.5V 至 1.5V 电压范围)
- 快速瞬态响应
- 最多可堆叠四相位2 相、3 相或 4 相交错式相移精准电流均流
- 2 相、3 相或 4 相交错式相移
- 精准电流均流
- PMBus™接口功能以 2mV 为步长的电压上升/下降可编程故障限制和响应±0.8% VOUT精准电流监视±4.5°C 外部温度监视(使用 x3904 时)可编程欠压闭锁 (UVLO) 开/关阈值可编程软启动时间、接通延迟和关断延迟
- 以 2mV 为步长的电压上升/下降
- 可编程故障限制和响应
- ±0.8% VOUT
- 精准电流监视
- ±4.5°C 外部温度监视(使用 x3904 时)
- 可编程欠压闭锁 (UVLO) 开/关阈值
- 可编程软启动时间、接通延迟和关断延迟
- 用于存储定制配置的片上非易失性存储器 (NVM)
- –40°C 到 125°C 温度范围内的基准电压为 0.6V,精度为 0.5%
- 电感器分布式直流电阻 (DCR) 电流感应
- 可编程 ƒSW,范围从 200kHz 到 1.5MHz
- 支持预偏置输出
- 差分远程感应
- 与外部时钟同步
- 过流/过压/欠压/过热(OC/OV/UV/OT)故障保护
- 40 引脚,6mm x 6mm,QFN封装
- 支持德州仪器 (TI) 功率级中的 TPS28226 器件参考
产品概述
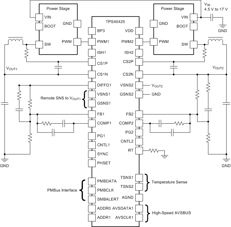
TPS40425 是一款 PMBus 同步降压无驱动器控制器。其出厂默认设置中的工作模式为非智能功率模式,在进行 PMBus 编程并重启电源后即可在智能功率模式下工作。该器件可配置为双路输出或双相操作。而且该器件最多可堆叠 4 个相位,支持高达 120A 的负载电流。2 相、3 相或 4 相交错式相移可减少输入和输出波纹,从而减小输入和输出电容。它的宽输入电压范围可支持 5V 和 12V 中间电源总线。基准电压精度达 0.5%,可满足现代专用集成电路 (ASIC) 对于精准电压的需求。 根据 PMBus 标准,TPS40425 器件可对基准电压、故障限制、UVLO 阈值、软启动时间以及接通和关断延迟进行编程。此外,该器件还采用了精准的测量系统,用于监视各通道的输出电压、电流和温度。
TPS40425RHAT 电路图
TPS40425RHAT 电路图
TPS40425RHAT 相关产品
- 2SD300C17A1
- 2SP0115T2A0-12
- 5962-1022101VSC
- 5962-8686102XA
- 5962-8688202XA
- 5962-89728022A
- 5962-89805012A
- 5962-8982402PA
- 5962-9322201MEA
- 7604501EA
- 85514012A
- 8551401PA
- 905X0205100
- 90E23PYGI8
- 90E24PYGI8
- 90E36ERGI
- A4910KJPTR-T
- A4915METTR-T
- A4930GETTR-T
- A4990KLPTR-T
- A5974AD
- A5974D
- A5975D
- A8304SESTR-T
- AAT2153IVN-0.6-T1
- AAT2823IBK-1-T1
- AAT4684ITP-T1
- AD536ASD/883B
- AD536ASH/883B
- AD580SH/883B

搜索
发布采购