更新日期:2024-04-01 00:04:00
产品简介:具有集成看门狗计时器的高精度电压监控器
查看详情TPS3851G50EDRBT 供应商
- 公司
- 型号
- 品牌
- 封装/批号
- 数量
- 地区
- 日期
- 说明
- 询价
-
TI
-
原厂原装
22+ -
3288
-
上海市
-
-
-
一级代理原装
-
TI
-
原厂原装
2318+ -
9200
-
合肥
-
-
-
科大讯飞战略投资企业
TPS3851G50EDRBT 中文资料属性参数
- 现有数量:2,522现货10,000Factory
- 价格:1 : ¥19.48000剪切带(CT)250 : ¥13.19684卷带(TR)
- 系列:-
- 包装:卷带(TR)剪切带(CT)Digi-Reel? 得捷定制卷带
- 产品状态:在售
- 类型:简单复位/加电复位
- 受监控电压数:1
- 电压 - 阈值:5V
- 输出:开路漏极或开路集电极
- 复位:低有效
- 复位超时:最小为 170ms
- 工作温度:-40°C ~ 125°C(TJ)
- 安装类型:表面贴装型
- 封装/外壳:8-VDFN 裸露焊盘
- 供应商器件封装:8-SON(3x3)
产品特性
- 输入电压范围:VDD = 1.6 V 至 6.5 V
- 0.8% 电压阈值精度
- 低静态电流:IDD = 10µA(典型值)
- 用户可编程看门狗超时
- 开漏输出
- 高精度欠压监控: 支持 1.8 V 到 5.0V 常见电压轨 支持 4% 和 7% 欠压阈值 0.5% 迟滞
- 支持 1.8 V 到 5.0V 常见电压轨
- 支持 4% 和 7% 欠压阈值
- 0.5% 迟滞
- 看门狗禁用功能
- 出厂编程的精密看门狗和复位计时器
- 手动复位输入 (MR)
- 采用小型 3mm × 3mm 8 引脚 VSON 封装
- 结工作温度范围: –40°C 至 +125°C
产品概述
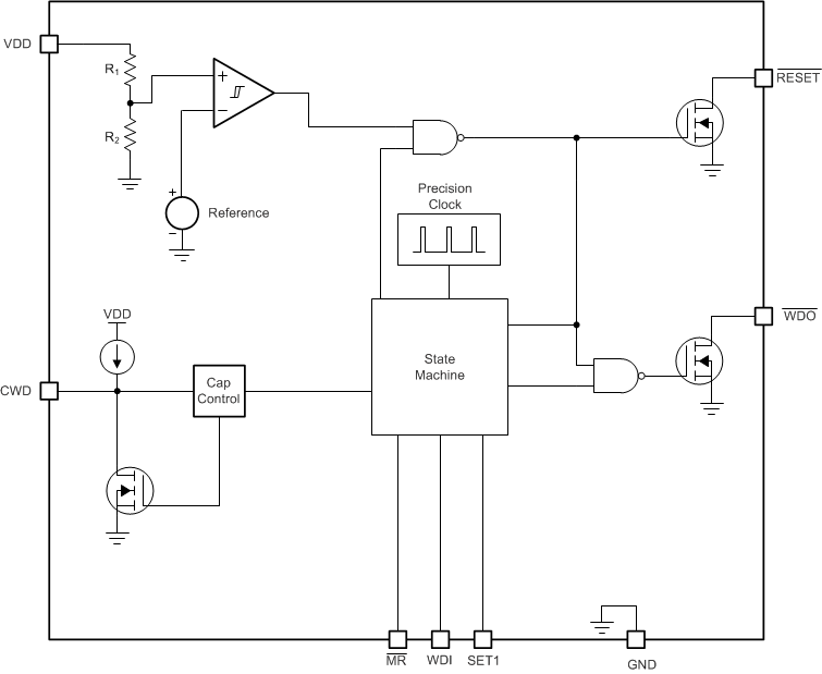
TPS3851 完美结合了高精度电压监控器和可编程看门狗定时器。TPS3851 比较器在 VDD 引脚上可实现 0.8% 的精度 (–40°C 至 +125°C),针对欠压 (VITN) 阈值。TPS3851 还包含与欠压阈值相关的高精度迟滞,因此成为了紧容差系统的理想之选。该监控器的 RESET 延迟具备 15% 精度、高精密延迟时间。TPS3851 包含可编程窗口看门狗计时器,广泛适用于各种应用。专用看门狗输出 (WDO) 有助于提高分辨率,从而帮助确定出现故障情况的根本原因。看门狗超时可通过外部电容编程,也可以采用工厂编程的默认延迟设置。可通过逻辑引脚禁用看门狗,避免在开发过程中出现意外的看门狗超时。TPS3851 采用小型 3.00mm × 3.00mm 8 引脚 VSON 封装。
TPS3851G50EDRBT 电路图

TPS3851G50EDRBT 电路图
TPS3851G50EDRBT 相关产品
- 2SD300C17A1
- 2SP0115T2A0-12
- 5962-1022101VSC
- 5962-8686102XA
- 5962-8688202XA
- 5962-89728022A
- 5962-89805012A
- 5962-8982402PA
- 5962-9322201MEA
- 7604501EA
- 85514012A
- 8551401PA
- 905X0205100
- 90E23PYGI8
- 90E24PYGI8
- 90E36ERGI
- A4910KJPTR-T
- A4915METTR-T
- A4930GETTR-T
- A4990KLPTR-T
- A5974AD
- A5974D
- A5975D
- A8304SESTR-T
- AAT2153IVN-0.6-T1
- AAT2823IBK-1-T1
- AAT4684ITP-T1
- AD536ASD/883B
- AD536ASH/883B
- AD580SH/883B