更新日期:2024-04-01 00:04:00
产品简介:具有集成看门狗计时器的汽车类高精度电压监控器
查看详情TPS3851G33SQDRBRQ1 供应商
- 公司
- 型号
- 品牌
- 封装/批号
- 数量
- 地区
- 日期
- 说明
- 询价
-
TI
-
原厂原装
22+ -
3288
-
上海市
-
-
-
一级代理原装
-
TI(德州仪器)
-
SON-8(3x3)
2022+ -
12000
-
上海市
-
-
-
原装可开发票
-
TI
-
原厂原装
2318+ -
9200
-
合肥
-
-
-
科大讯飞战略投资企业
TPS3851G33SQDRBRQ1 中文资料属性参数
- 现有数量:1,044现货9,000Factory
- 价格:1 : ¥11.77000剪切带(CT)3,000 : ¥5.96243卷带(TR)
- 系列:Automotive, AEC-Q100
- 包装:卷带(TR)剪切带(CT)Digi-Reel? 得捷定制卷带
- 产品状态:在售
- 类型:简单复位/加电复位
- 受监控电压数:1
- 电压 - 阈值:3.3V
- 输出:开路漏极或开路集电极
- 复位:低有效
- 复位超时:最小为 170ms
- 工作温度:-40°C ~ 125°C(TJ)
- 安装类型:表面贴装,可润湿侧翼
- 封装/外壳:8-VDFN 裸露焊盘
- 供应商器件封装:8-VSON(3x3)
产品特性
- 具有符合 AEC-Q100 标准的下列特性: 器件温度等级 1:-40°C 至 125°C 环境工作温度范围 器件 HBM ESD 分类等级 2 器件 CDM ESD 分类等级 C4B
- 器件温度等级 1:-40°C 至 125°C 环境工作温度范围
- 器件 HBM ESD 分类等级 2
- 器件 CDM ESD 分类等级 C4B
- 提供功能安全 可帮助进行功能安全系统设计的文档
- 可帮助进行功能安全系统设计的文档
- 输入电压范围:VDD = 1.6 V 至 6.5 V
- 0.8% 电压阈值精度
- 低电源电流:IDD = 10µA(典型值)
- 用户可编程看门狗超时
- 出厂编程的精密看门狗和复位计时器:
- 手动复位输入 (MR)
- 开漏输出
- 高精度欠压监控: 支持 1.8 V 到 5.0V 常见电压轨 支持 4% 和 7% 欠压阈值 0.5% 迟滞
- 支持 1.8 V 到 5.0V 常见电压轨
- 支持 4% 和 7% 欠压阈值
- 0.5% 迟滞
- 看门狗禁用功能
- 采用小型 3mm × 3mm 8 引脚 VSON 封装
产品概述
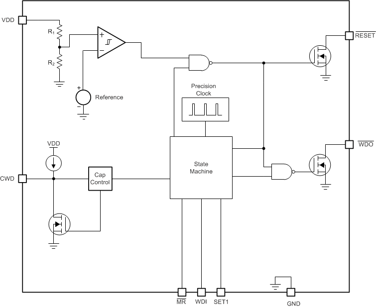
TPS3851-Q1 器件结合了精密电压监控器和可编程看门狗计时器。TPS3851-Q1 比较器在 VDD 引脚上可针对欠压 (VITN) 阈值实现 0.8% 的精度(–40°C 至 +125°C)。TPS3851-Q1 还包含与欠压阈值相关的高精度迟滞,因此成为小容差系统的理想之选。该监控器的 RESET 延迟具备 15% 精度、高精密延迟时间。TPS3851-Q1 包含可编程窗口看门狗计时器,广泛适用于各种应用。专用看门狗输出 (WDO) 有助于提高分辨率,从而帮助确定出现故障情况的根本原因。看门狗超时可通过外部电容编程,也可以采用工厂编程的默认延迟设置。可通过逻辑引脚禁用看门狗,避免在开发过程中出现意外的看门狗超时。TPS3851-Q1 采用小型 3.00mm × 3.00mm、8 引脚 VSON 封装。TPS3851-Q1 具有可湿性侧面,可轻松进行光学检查。
TPS3851G33SQDRBRQ1 电路图

TPS3851G33SQDRBRQ1 电路图
TPS3851G33SQDRBRQ1 相关产品
- 2SD300C17A1
- 2SP0115T2A0-12
- 5962-1022101VSC
- 5962-8686102XA
- 5962-8688202XA
- 5962-89728022A
- 5962-89805012A
- 5962-8982402PA
- 5962-9322201MEA
- 7604501EA
- 85514012A
- 8551401PA
- 905X0205100
- 90E23PYGI8
- 90E24PYGI8
- 90E36ERGI
- A4910KJPTR-T
- A4915METTR-T
- A4930GETTR-T
- A4990KLPTR-T
- A5974AD
- A5974D
- A5975D
- A8304SESTR-T
- AAT2153IVN-0.6-T1
- AAT2823IBK-1-T1
- AAT4684ITP-T1
- AD536ASD/883B
- AD536ASH/883B
- AD580SH/883B