更新日期:2024-04-01 00:04:00
产品简介:适用于笔记本电脑的六通道高效 LED 背光驱动器,采用 BGA 封装
查看详情LP8552TLE-E06/NOPB 供应商
- 公司
- 型号
- 品牌
- 封装/批号
- 数量
- 地区
- 日期
- 说明
- 询价
-
TI
-
原厂原装
22+ -
3288
-
上海市
-
-
-
一级代理原装
LP8552TLE-E06/NOPB 中文资料属性参数
- 现有数量:498现货7,250Factory
- 价格:1 : ¥23.37000剪切带(CT)250 : ¥15.86800卷带(TR)
- 系列:-
- 包装:卷带(TR)剪切带(CT)Digi-Reel? 得捷定制卷带
- 产品状态:在售
- 类型:DC DC 稳压器
- 拓扑:升压
- 内部开关:是
- 输出数:6
- 电压 - 供电(最低):2.7V
- 电压 -?供电(最高):22V
- 电压 - 输出:40V
- 电流 - 输出/通道:450mA
- 频率:-
- 调光:PWM
- 应用:背光
- 工作温度:-40°C ~ 85°C(TA)
- 安装类型:表面贴装型
- 封装/外壳:25-WFBGA,DSBGA
- 供应商器件封装:25-DSBGA
产品特性
- High-Voltage DC/DC Boost Converter with Integrated FET with Four Switching Frequency Options: 156/312/625/1250 kHz
- 2.7-V to 22-V Input Voltage Range to Support 1x…5x cell Li-Ion Batteries
- Programmable PWM Resolution 8 to 13 True Bit (Steady State) Additional 1 to 3 Bits Using Dithering During Brightness Changes
- 8 to 13 True Bit (Steady State)
- Additional 1 to 3 Bits Using Dithering During Brightness Changes
- I2C-Compatible and PWM Brightness Control
- Automatic PWM & Current Dimming for Improved Efficiency
- PWM Output Frequency and LED Current set through Resistors
- Optional Synchronization to Display VSYNC Signal
- 6 LED Outputs with LED Fault (Short/Open) Detection
- Low Input Voltage, Over-temperature, Overcurrent Detection, and Shutdown
- Minimum Number of External Components
产品概述
The LP8552 is a white LED driver with integrated boost converter. It has six adjustable
current sinks which can be controlled by PWM input or with
I2C-compatible serial interface. The boost
converter has adaptive output voltage control based on the LED driver voltages. This feature
minimizes the power consumption by adjusting the voltage to lowest sufficient level in all
conditions.LED outputs have 8-bit current resolution and up to 13-bit PWM resolution with additional
1-3 bit dithering to achieve smooth and precise brightness control. Proprietary Phase Shift PWM
control is used for LED outputs to reduce peak current from the boost converter, thus making the
boost capacitors smaller. The Phase Shifting scheme also eliminates audible noise.Automatic PWM dimming at lower brightness values and current dimming at higher brightness
values can be used to improve the optical efficiency. Internal EEPROM is used for storing the
configuration data. This makes it possible to have minimum external component count and make the
solution very small.The LP8552 has safety features which make it possible to detect LED outputs with open or
short fault. As well low input voltage and boost overcurrent conditions are monitored and chip is
turned off in case of these events. Thermal de-rating function prevents overheating of the device
by reducing backlight brightness when set temperature has been reached.
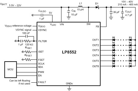
LP8552TLE-E06/NOPB 电路图
LP8552TLE-E06/NOPB 电路图
LP8552TLE-E06/NOPB 相关产品
- 2SD300C17A1
- 2SP0115T2A0-12
- 5962-1022101VSC
- 5962-8686102XA
- 5962-8688202XA
- 5962-89728022A
- 5962-89805012A
- 5962-8982402PA
- 5962-9322201MEA
- 7604501EA
- 85514012A
- 8551401PA
- 905X0205100
- 90E23PYGI8
- 90E24PYGI8
- 90E36ERGI
- A4910KJPTR-T
- A4915METTR-T
- A4930GETTR-T
- A4990KLPTR-T
- A5974AD
- A5974D
- A5975D
- A8304SESTR-T
- AAT2153IVN-0.6-T1
- AAT2823IBK-1-T1
- AAT4684ITP-T1
- AD536ASD/883B
- AD536ASH/883B
- AD580SH/883B

搜索
发布采购