更新日期:2024-04-01 00:04:00
产品简介:带引擎控制和电荷泵的九通道 I2C RGB LED 驱动器
查看详情LP5569ARTWR 供应商
- 公司
- 型号
- 品牌
- 封装/批号
- 数量
- 地区
- 日期
- 说明
- 询价
-
TI
-
原厂原装
22+ -
3288
-
上海市
-
-
-
一级代理原装
-
TSSOP
23+ -
46000
-
合肥
-
-
-
科大讯飞战略投资企业,提供一站式配套服务
LP5569ARTWR 中文资料属性参数
- 现有数量:5,827现货9,000Factory
- 价格:1 : ¥12.40000剪切带(CT)3,000 : ¥6.29632卷带(TR)
- 系列:-
- 包装:卷带(TR)剪切带(CT)Digi-Reel? 得捷定制卷带
- 产品状态:在售
- 类型:线性
- 拓扑:开关电容器(充电泵)
- 内部开关:无
- 输出数:9
- 电压 - 供电(最低):2.5V
- 电压 -?供电(最高):5.5V
- 电压 - 输出:-
- 电流 - 输出/通道:25.5mA
- 频率:1.25MHz
- 调光:I2C,PWM
- 应用:通用
- 工作温度:-40°C ~ 85°C
- 安装类型:表面贴装型
- 封装/外壳:24-WFQFN 裸露焊盘
- 供应商器件封装:24-WQFN(4x4)
产品特性
- 电源电压范围:2.5V–5.5V
- 九个高精度电流源 每个通道最大 25.5mA 8 位独立的电流控制12 位 20kHz 内部单独 PWM 控制(无音频噪声)
- 每个通道最大 25.5mA
- 8 位独立的电流控制
- 12 位 20kHz 内部单独 PWM 控制(无音频噪声)
- 三个可编程 LED Engines 独立照明控制(无有源微控制器控制) 在多个器件之间实现同步SRAM 存储器中具有多达 256 条指令,用于存储照明图案序列与 LP5523 和 LP55231 器件兼容的命令集
- 独立照明控制(无有源微控制器控制)
- 在多个器件之间实现同步
- SRAM 存储器中具有多达 256 条指令,用于存储照明图案序列
- 与 LP5523 和 LP55231 器件兼容的命令集
- 灵活的调光控制I2C 调光控制PWM 直接输入调光PWM 输入频率:100Hz 至 20kHz
- I2C 调光控制
- PWM 直接输入调光
- PWM 输入频率:100Hz 至 20kHz
- 用于通过低电池电压驱动高 VF LED 的自适应高效电荷泵控制
- 主增益调节器控制通过仅对一个寄存器进行写入来对多个 LED 进行调光,从而降低 I2C 总线流量
- 2µA 低待机电流,在自动省电模式下为 10µA(当 LED 不活动时)
- POR、UVLO 和 TSD 保护
产品概述
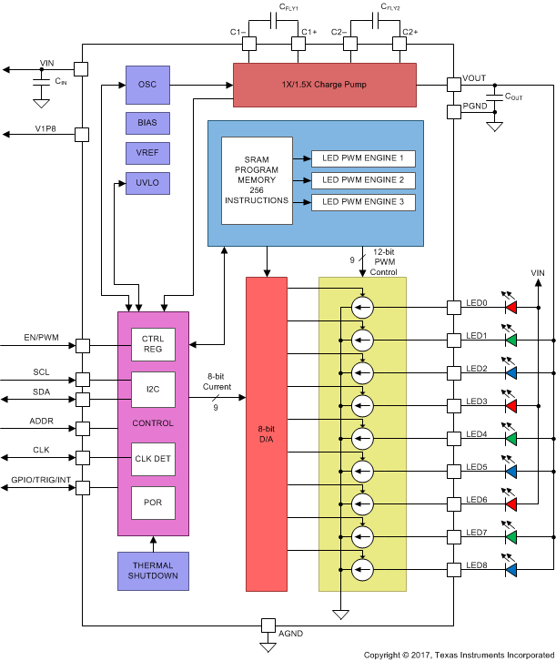
LP5569 器件是一款可编程、易于使用的 9 通道 I2C LED 驱动器,用于为各种 应用制造灯光效果。LED 驱动器配备了一个用于存储用户编程的序列的内部 SRAM 存储器,以及三个允许在无处理器控制的情况下运行的可编程 LED Engines。将处理器置于睡眠模式时,自主运行可以降低系统功耗。高效电荷泵支持通过高 VF(甚至通过 2.5V 输入电压)驱动 LED。LP5569 LED 驱动器可以根据 LED 正向电压要求自主选择最佳的电荷泵增益,从而在宽工作电压范围内保持高效率。当 LED 未激活时,LP5569 器件进入省电模式,从而显著降低空闲电流消耗。灵活的数字接口允许连接多达八个 LP5569 器件,每个器件在同一系统中具有唯一的 I2C 从器件地址,从而支持所有器件之间的灯光效果同步。
LP5569ARTWR 电路图

LP5569ARTWR 电路图
LP5569ARTWR 相关产品
- 2SD300C17A1
- 2SP0115T2A0-12
- 5962-1022101VSC
- 5962-8686102XA
- 5962-8688202XA
- 5962-89728022A
- 5962-89805012A
- 5962-8982402PA
- 5962-9322201MEA
- 7604501EA
- 85514012A
- 8551401PA
- 905X0205100
- 90E23PYGI8
- 90E24PYGI8
- 90E36ERGI
- A4910KJPTR-T
- A4915METTR-T
- A4930GETTR-T
- A4990KLPTR-T
- A5974AD
- A5974D
- A5975D
- A8304SESTR-T
- AAT2153IVN-0.6-T1
- AAT2823IBK-1-T1
- AAT4684ITP-T1
- AD536ASD/883B
- AD536ASH/883B
- AD580SH/883B