更新日期:2024-04-01 00:04:00
产品简介:具有内部程序存储器和集成电荷泵的 9 通道 RGB/白光 LED 驱动器 - WQFN
查看详情LP55231SQE/NOPB 供应商
- 公司
- 型号
- 品牌
- 封装/批号
- 数量
- 地区
- 日期
- 说明
- 询价
-
TI
-
原厂原装
22+ -
3288
-
上海市
-
-
-
一级代理原装
LP55231SQE/NOPB 中文资料属性参数
- 现有数量:10,712现货10,000Factory
- 价格:1 : ¥20.43000剪切带(CT)250 : ¥13.84872卷带(TR)
- 系列:-
- 包装:卷带(TR)剪切带(CT)Digi-Reel? 得捷定制卷带
- 产品状态:在售
- 类型:DC DC 稳压器
- 拓扑:开关电容器(充电泵)
- 内部开关:是
- 输出数:9
- 电压 - 供电(最低):2.7V
- 电压 -?供电(最高):5.5V
- 电压 - 输出:-
- 电流 - 输出/通道:25.5mA
- 频率:1.25MHz
- 调光:PWM
- 应用:背光
- 工作温度:-30°C ~ 85°C(TA)
- 安装类型:表面贴装型
- 封装/外壳:24-WFQFN 裸露焊盘
- 供应商器件封装:24-WQFN(4x4)
产品特性
- 三个独立的程序执行引擎,9 个满量程电流为 25.5mA 的可编程输出,8 位电流设置分辨率和 12 位 PWM 控制分辨率
- 自适应高效 1x/1.5x 分数型电荷泵 - 效率高达 94%
- LED 驱动效率高达 93%
- 电荷泵具有软启动和过流/短路保护
- 内置 LED 测试
- 待机电流典型值 200nA
- 自动节能模式;IVDD = 10µA(典型值)
- 两线制 I2C 兼容控制接口
- 灵活的指令集
- 大容量 SRAM 程序存储器
- 小型应用电路
- 源极(高侧)驱动器
- 架构支持颜色控制
- 彩灯和指示灯
- LED 背景照明
- 触觉反馈
- 可编程电流源
产品概述
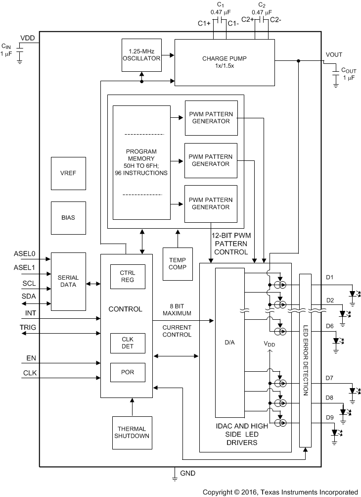
LP55231 是一款 9 通道 LED 驱动器,专用于为移动设备制造灯光效果。 采用高效的电荷泵,支持在锂离子电池电压范围内驱动 LED。 该器件配有内部程序存储器,可在不使用处理器控制的情况下运行。 LP55231 有一个 I2C 兼容控制接口并配有四个引脚可选地址。 INT 引脚可用于在照明序列结束时(中断功能)通知处理器。 另外,该器件具有一个触发输入接口,可实现多个 LP55231 器件之间的同步。 根据 LED 正向电压要求自主选择最佳电荷泵增益,可在宽运行电压范围内保持出色的效率。 当 LED 输出未激活时,该器件能够自动进入节能模式,从而将空闲流耗降至 10µA(典型值)。 仅需四个小型的低成本陶瓷电容。
LP55231SQE/NOPB 电路图
LP55231SQE/NOPB 电路图
LP55231SQE/NOPB 相关产品
- 2SD300C17A1
- 2SP0115T2A0-12
- 5962-1022101VSC
- 5962-8686102XA
- 5962-8688202XA
- 5962-89728022A
- 5962-89805012A
- 5962-8982402PA
- 5962-9322201MEA
- 7604501EA
- 85514012A
- 8551401PA
- 905X0205100
- 90E23PYGI8
- 90E24PYGI8
- 90E36ERGI
- A4910KJPTR-T
- A4915METTR-T
- A4930GETTR-T
- A4990KLPTR-T
- A5974AD
- A5974D
- A5975D
- A8304SESTR-T
- AAT2153IVN-0.6-T1
- AAT2823IBK-1-T1
- AAT4684ITP-T1
- AD536ASD/883B
- AD536ASH/883B
- AD580SH/883B

搜索
发布采购