更新日期:2024-04-01 00:04:00
产品简介:具有 40uA IQ 的 SIMPLE SWITCHER?、汽车类 40V、3.5A 2.2MHz 降压转换器
查看详情LMR14030SSQDDAQ1 供应商
- 公司
- 型号
- 品牌
- 封装/批号
- 数量
- 地区
- 日期
- 说明
- 询价
-
TI
-
原厂原装
22+ -
3288
-
上海市
-
-
-
一级代理原装
-
TI(德州仪器)
-
SO-PowerPad-8
2022+ -
12000
-
上海市
-
-
-
原装可开发票
LMR14030SSQDDAQ1 中文资料属性参数
- 现有数量:6,528现货9,975Factory
- 价格:1 : ¥29.57000管件
- 系列:Automotive, AEC-Q100, SIMPLE SWITCHER?
- 包装:管件
- 产品状态:在售
- 功能:降压
- 输出配置:正
- 拓扑:降压
- 输出类型:可调式
- 输出数:1
- 电压 - 输入(最小值):4V
- 电压 - 输入(最大值):40V
- 电压 - 输出(最小值/固定):0.8V
- 电压 - 输出(最大值):28V
- 电流 - 输出:3.5A
- 频率 - 开关:200kHz ~ 2.5MHz
- 同步整流器:无
- 工作温度:-40°C ~ 125°C(TJ)
- 安装类型:表面贴装型
- 封装/外壳:8-PowerSOIC(0.154",3.90mm 宽)
- 供应商器件封装:8-SO-PowerPad
产品特性
- 适用于汽车电子 应用
- 具有符合 AEC-Q100 标准的下列结果: - 器件温度 1 级:-40°C 至 125°C 的环境运行温度范围 - 器件人体模型 (HBM) 静电放电 (ESD) 分类等级 H1C - 器件带电器件模型 (CDM) ESD 分类等级 C4A
- 输入电压范围:4V 至 40V
- 3.5A 持续输出电流
- 40µA 超低工作静态电流
- 90mΩ 高侧金属氧化物半导体场效应晶体 (MOSFET)
- 最短导通时间:75ns
- 电流模式控制
- 可调节开关频率范围:200kHz 至 2.5MHz
- 与外部时钟频率同步
- 扩展频谱选项,适用于降低电磁干扰 (EMI)
- 内置补偿功能,便于使用
- 支持高占空比运行
- 精密使能引脚
- 关断电流:1µA
- 外部软启动
- 热保护、过压保护和短路保护
- 8 引脚散热增强型小外形集成电路 (HSOIC) PowerPAD封装
- 汽车电池稳压
- 工业用电源
- 电信和数据通信系统
- 通用宽输入电压稳压
产品概述
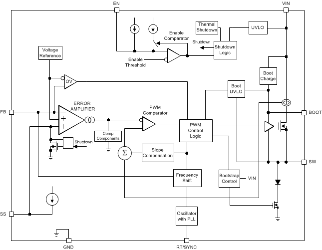
LMR14030-Q1 器件是一款集成高侧金属氧化物半导体场效应晶体管 (MOSFET) 的 40V、3.5A 降压稳压器。该器件的宽输入电压范围为 4V 至 40V,适用于调节从工业到汽车等各类 应用 中的非稳压电源。其扩展系列产品能够以引脚到引脚兼容封装提供 2 A 和 5A 电流选项,其中包括 LMR14020-Q1 和 LMR14050-Q1。该稳压器在休眠模式下的静态电流为 40µA,非常适合电池供电类系统。并且在关断模式下具有 1μA 的超低电流,可进一步延长电池使用寿命。该稳压器的可调开关频率范围较宽,这使得效率或外部元件尺寸能够得到优化。内部环路补偿意味着用户不用承担设计环路补偿组件的枯燥工作。并且还能够以最大限度减少器件的外部元件数。精密使能输入简化了稳压器控制和系统电源排序。此外,该器件还内置多种保护 功能: 逐周期限流保护、应对功耗过大的热感测和热关断保护以及输出过压保护。LMR14030-Q1 采用带有外露焊盘的 8 引脚 HSOIC 或 10 引脚 WSON 封装,用于实现低热阻。
LMR14030SSQDDAQ1 电路图
LMR14030SSQDDAQ1 电路图
LMR14030SSQDDAQ1 相关产品
- 2SD300C17A1
- 2SP0115T2A0-12
- 5962-1022101VSC
- 5962-8686102XA
- 5962-8688202XA
- 5962-89728022A
- 5962-89805012A
- 5962-8982402PA
- 5962-9322201MEA
- 7604501EA
- 85514012A
- 8551401PA
- 905X0205100
- 90E23PYGI8
- 90E24PYGI8
- 90E36ERGI
- A4910KJPTR-T
- A4915METTR-T
- A4930GETTR-T
- A4990KLPTR-T
- A5974AD
- A5974D
- A5975D
- A8304SESTR-T
- AAT2153IVN-0.6-T1
- AAT2823IBK-1-T1
- AAT4684ITP-T1
- AD536ASD/883B
- AD536ASH/883B
- AD580SH/883B

搜索
发布采购