更新日期:2024-04-01 00:04:00
产品简介:具有 70uA 栅极驱动器的 0.48V 至 42V、零 IQ 汽车理想二极管整流器控制器
查看详情LM74670QDGKRQ1 供应商
- 公司
- 型号
- 品牌
- 封装/批号
- 数量
- 地区
- 日期
- 说明
- 询价
-
LM74670QDGKRQ1
原装现货 -
TI
-
-
21+ -
2500
-
深圳
-
12-10
-
只做原装20年老牌供应商,现货请私聊
-
TI
-
原厂原装
22+ -
3288
-
上海市
-
-
-
一级代理原装
-
TI(德州仪器)
-
VSSOP-8
2022+ -
12000
-
上海市
-
-
-
原装可开发票
LM74670QDGKRQ1 中文资料属性参数
- 现有数量:0现货10,000Factory查看交期
- 价格:1 : ¥17.65000剪切带(CT)2,500 : ¥8.99134卷带(TR)
- 系列:Automotive, AEC-Q100
- 包装:卷带(TR)剪切带(CT)Digi-Reel? 得捷定制卷带
- 产品状态:在售
- 类型:桥式整流器
- FET 类型:N 通道
- 比率 - 输入:输出:N:1
- 内部开关:无
- 延迟时间 - 开启:-
- 延迟时间 - 关闭:-
- 电流 - 输出(最大值):-
- 电流 - 供电:-
- 电压 - 供电:42V(最大)
- 应用:通用
- 工作温度:-40°C ~ 125°C
- 安装类型:表面贴装型
- 封装/外壳:8-TSSOP,8-MSOP(0.118",3.00mm 宽)
- 供应商器件封装:8-VSSOP
产品特性
- 符合 AEC-Q100 标准,其中包括以下内容:器件温度 1 级:-40℃ 至 +125℃ 的环境工作温度范围 超出人体模型 (HBM) 静电放电 (ESD) 分类等级 2器件充电器件模型 (CDM) ESD 分类等级 C4B
- 器件温度 1 级:-40℃ 至 +125℃ 的环境工作温度范围
- 超出人体模型 (HBM) 静电放电 (ESD) 分类等级 2
- 器件充电器件模型 (CDM) ESD 分类等级 C4B
- 峰值输入交流电压:42V
- 零 IQ
- 适用于外部 N 通道 MOSFET 的电荷泵栅极驱动器
- 与肖特基二极管相比,正向压降和功耗更低
- 能够处理频率高达 300Hz 的交流信号
产品概述
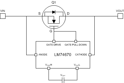
LM74670-Q1 是一种控制器器件,可在交流发电机的全桥或半桥整流器架构中与 N 通道 MOSFET 搭配使用。它旨在驱动外部 MOSFET 以模拟理想二极管。此方案独一无二的优势在于其并无接地基准,因此其具有零 IQ。采用全桥或半桥整流器和交流发电机的肖特基二极管可以替换为 LM74670-Q1 解决方案,以避免正向导电二极管损耗并使交流/直流转换器更加高效。 LM74670-Q1 控制器为外部 N 通道 MOSFET 提供栅极驱动,并配有快速响应内部比较器,可使 MOSFET 栅极在反极性情况下放电。此器件支持频率高达 300Hz 的交流信号。
LM74670QDGKRQ1 电路图
LM74670QDGKRQ1 电路图
LM74670QDGKRQ1 相关产品
- 2SD300C17A1
- 2SP0115T2A0-12
- 5962-1022101VSC
- 5962-8686102XA
- 5962-8688202XA
- 5962-89728022A
- 5962-89805012A
- 5962-8982402PA
- 5962-9322201MEA
- 7604501EA
- 85514012A
- 8551401PA
- 905X0205100
- 90E23PYGI8
- 90E24PYGI8
- 90E36ERGI
- A4910KJPTR-T
- A4915METTR-T
- A4930GETTR-T
- A4990KLPTR-T
- A5974AD
- A5974D
- A5975D
- A8304SESTR-T
- AAT2153IVN-0.6-T1
- AAT2823IBK-1-T1
- AAT4684ITP-T1
- AD536ASD/883B
- AD536ASH/883B
- AD580SH/883B

搜索
发布采购