更新日期:2024-04-01 00:04:00
产品简介:具有 4V UVLO 和互补分离输出的 7.6A/4.5A 单通道栅极驱动器
查看详情LM5134ASD/NOPB 供应商
- 公司
- 型号
- 品牌
- 封装/批号
- 数量
- 地区
- 日期
- 说明
- 询价
-
TI
-
原厂原装
22+ -
3288
-
上海市
-
-
-
一级代理原装
LM5134ASD/NOPB 中文资料属性参数
- 现有数量:0现货10,000Factory查看交期
- 价格:1,000 : ¥8.68129卷带(TR)
- 系列:-
- 包装:卷带(TR)剪切带(CT)Digi-Reel? 得捷定制卷带
- 产品状态:在售
- Digi-Key Programmable:Not Verified
- 驱动配置:低端
- 通道类型:单路
- 驱动器数:1
- 栅极类型:N 沟道 MOSFET
- 电压 - 供电:4V ~ 12.6V
- 逻辑电压?- VIL,VIH:-
- 电流 - 峰值输出(灌入,拉出):4.5A,7.6A
- 输入类型:反相,非反相
- 高压侧电压 - 最大值(自举):-
- 上升/下降时间(典型值):3ns,2ns
- 工作温度:-40°C ~ 125°C(TJ)
- 安装类型:表面贴装型
- 封装/外壳:6-WDFN 裸露焊盘
- 供应商器件封装:6-WSON(3x3)
产品特性
- 主输出具有 7.6A/4.5A 的峰值灌电流/拉电流驱动能力
- PILOT 输出具有 820mA/660mA 的峰值灌电流/拉电流驱动能力
- 4V 至 12.6V 单电源
- 反相和非反相输入之间的延迟时间匹配
- TTL/CMOS 逻辑输入
- 高达 14V 的逻辑输入(与 VDD 电压无关)
- –40°C 至 125°C 的结温范围
- 电机驱动器
- 固态功率控制器
- 功率因数校正转换器
产品概述
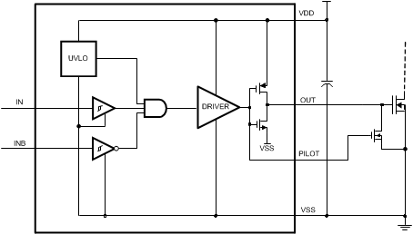
LM5134 是一款高速单路低侧驱动器,具备 7.6A/4.5A 的峰值灌电流/拉电流驱动能力。LM5134 具有反相和非反相输入,为用户控制场效应晶体管 (FET) 提供了更大的灵活性。LM5134 具有 1 个主输出 (OUT) 和 1 个额外的栅极驱动输出 (PILOT)。PILOT 引脚逻辑与 OUT 引脚互补,并且可用于驱动位于主功率 FET 附近的较小 MOSFET。该配置可最大限度减少关断环路,并进一步降低寄生电感。这对于驱动高速 FET 或多个并联的 FET 特别有用。LM5134 提供 6 引脚 SOT-23 封装以及带外露焊盘的 6 引脚 WSON 封装,第二种封装有助于提升散热性能。
LM5134ASD/NOPB 电路图
LM5134ASD/NOPB 电路图
LM5134ASD/NOPB 相关产品
- 2SD300C17A1
- 2SP0115T2A0-12
- 5962-1022101VSC
- 5962-8686102XA
- 5962-8688202XA
- 5962-89728022A
- 5962-89805012A
- 5962-8982402PA
- 5962-9322201MEA
- 7604501EA
- 85514012A
- 8551401PA
- 905X0205100
- 90E23PYGI8
- 90E24PYGI8
- 90E36ERGI
- A4910KJPTR-T
- A4915METTR-T
- A4930GETTR-T
- A4990KLPTR-T
- A5974AD
- A5974D
- A5975D
- A8304SESTR-T
- AAT2153IVN-0.6-T1
- AAT2823IBK-1-T1
- AAT4684ITP-T1
- AD536ASD/883B
- AD536ASH/883B
- AD580SH/883B

搜索
发布采购