更新日期:2024-04-01 00:04:00
产品简介:具有集成辅助偏置电源和稳压预偏置启动的半桥 PWM 控制器
查看详情LM5036RJBT 供应商
- 公司
- 型号
- 品牌
- 封装/批号
- 数量
- 地区
- 日期
- 说明
- 询价
-
TI
-
原厂原装
22+ -
3288
-
上海市
-
-
-
一级代理原装
LM5036RJBT 中文资料属性参数
- 现有数量:130现货
- 价格:1 : ¥49.05000剪切带(CT)250 : ¥34.23864卷带(TR)
- 系列:-
- 包装:卷带(TR)剪切带(CT)Digi-Reel? 得捷定制卷带
- 产品状态:在售
- 输出类型:PWM
- 功能:升压/降压
- 输出配置:正,可提供隔离
- 拓扑:半桥
- 输出数:2
- 输出阶段:2
- 电压 - 供电 (Vcc/Vdd):7.5V ~ 8.1V
- 频率 - 开关:2MHz
- 占空比(最大):50%
- 同步整流器:是
- 时钟同步:是
- 串行接口:-
- 控制特性:限流,频率控制,斜坡
- 工作温度:-40°C ~ 125°C(TJ)
- 安装类型:表面贴装型
- 封装/外壳:28-WFQFN 裸露焊盘
- 供应商器件封装:28-WQFN(5x5)
产品特性
- 适用于小外形尺寸、高密度直流/直流电源转换器的高集成度控制器
- 集成 100V、100mA 辅助偏置电源
- 全稳压预偏置启动
- 适用于低侧和高侧初级 FET 的具有脉冲匹配的增强型逐周期电流限制
- 针对初级侧 FET 优化了最大占空比
- 带有输入电压前馈的电压模式控制
- 100V 高压启动稳压器
- 可配置锁存器,支持 OVP
- 用于初级侧 FET 的集成式 100V、2A MOSFET 驱动器
- 初级侧和同步整流器 (SR) FET 之间的死区时间可编程
- 使用 LM5036 并借助 Excel 计算器工具或 WEBENCH Power Designer 创建定制设计方案
产品概述
LM5036 PWM 控制器,集成了辅助偏置电源,可为工业隔离式电源应用提供高功率密度。它包含使用带有输入电压前馈的电压模式控制来实现半桥功率转换器所需的所有功能。此控制器适合在直流输入电压高达 100V 的隔离式转换器的初级侧运行。此控制器包含的功能可提高功率密度和可靠性,同时降低系统成本:
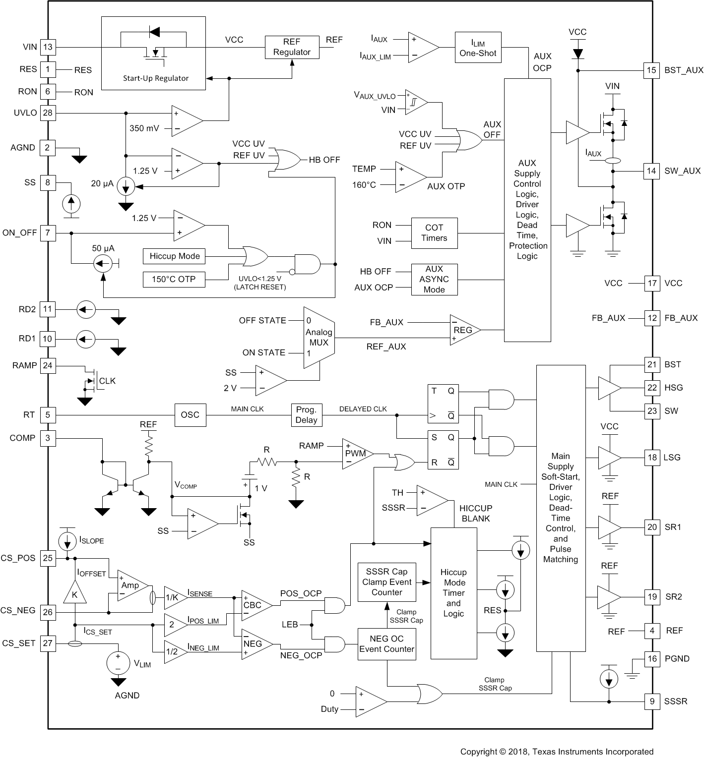
LM5036RJBT 电路图

LM5036RJBT 电路图
LM5036RJBT 相关产品
- 2SD300C17A1
- 2SP0115T2A0-12
- 5962-1022101VSC
- 5962-8686102XA
- 5962-8688202XA
- 5962-89728022A
- 5962-89805012A
- 5962-8982402PA
- 5962-9322201MEA
- 7604501EA
- 85514012A
- 8551401PA
- 905X0205100
- 90E23PYGI8
- 90E24PYGI8
- 90E36ERGI
- A4910KJPTR-T
- A4915METTR-T
- A4930GETTR-T
- A4990KLPTR-T
- A5974AD
- A5974D
- A5975D
- A8304SESTR-T
- AAT2153IVN-0.6-T1
- AAT2823IBK-1-T1
- AAT4684ITP-T1
- AD536ASD/883B
- AD536ASH/883B
- AD580SH/883B