更新日期:2024-04-01 00:04:00
产品简介:交流/直流准谐振电流模式 PWM 控制器
查看详情LM5023MM-2/NOPB 供应商
- 公司
- 型号
- 品牌
- 封装/批号
- 数量
- 地区
- 日期
- 说明
- 询价
-
TI
-
原厂原装
22+ -
3288
-
上海市
-
-
-
一级代理原装
-
TI
-
-
2021+ -
28000
-
苏州
-
-
LM5023MM-2/NOPB 中文资料属性参数
- 现有数量:1,409现货10,000Factory
- 价格:1 : ¥11.77000剪切带(CT)1,000 : ¥5.98628卷带(TR)
- 系列:-
- 包装:卷带(TR)剪切带(CT)Digi-Reel? 得捷定制卷带
- 产品状态:在售
- 输出隔离:隔离
- 内部开关:无
- 电压 - 击穿:-
- 拓扑:反激
- 电压 - 启动:12.8 V
- 电压 - 供电 (Vcc/Vdd):7.5V ~ 45V
- 占空比:-
- 频率 - 开关:130kHz
- 功率 (W):-
- 故障保护:限流,过压
- 控制特性:软启动
- 工作温度:-40°C ~ 125°C(TJ)
- 封装/外壳:8-TSSOP,8-MSOP(0.118",3.00mm 宽)
- 供应商器件封装:8-VSSOP
- 安装类型:表面贴装型
产品特性
- 临界传导模式
- 峰值电流模式控制模式
- 针对低待机功耗的跳周模式
- 针对持续过载保护的断续模式
- 逐周期过流保护可保持通用交流线路上的准确度
- 线路电流前馈
- 通过感测辅助绕组的 OVP 保护
- 集成 0.7A 峰值栅极驱动器
- 直接光耦合器件接口
- 电流感测信号的前缘消隐
- 最高频率钳位 130kHz
- 可编程软启动
- 热关断
- 8 引脚表面贴装小外形尺寸 (MSOP) 封装
- 通用输入交流-直流笔记本电脑适配器 10W 至 65W
- 高效辅助电路和辅助电源
- 电池充电器
- 消费类电子产品(DVD 播放器、机顶盒、数字电视、游戏机、打印机等)
产品概述
LM5023 是一款准谐振脉宽调制 (PWM) 控制器,此控制器包含有实现一个高效离线电源所需的全部功能。 LM5023 使用变压器辅助绕组来实现消磁检测,从而确保了临界传导模式 (CCM) 运行。 LM5023 特有一个用于过流保护的断续模式,它具有的自动重启功能可减少过载期间功率元件上的应力。 针对节能应用(ENERGY STAR®,CEPCP 等)的跳周模式可在轻负载时减少功耗。 LM5023 还使用变压器辅助绕组来实现输出过压 (OVP) 保护,如果检测到 OVP 故障,LM5023 就锁存控制器。
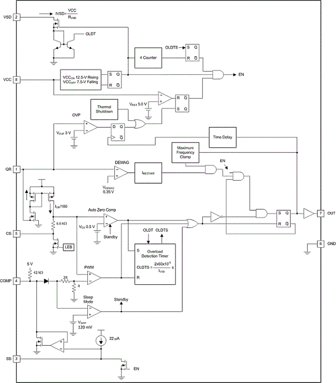
LM5023MM-2/NOPB 电路图
LM5023MM-2/NOPB 电路图
LM5023MM-2/NOPB 相关产品
- 2SD300C17A1
- 2SP0115T2A0-12
- 5962-1022101VSC
- 5962-8686102XA
- 5962-8688202XA
- 5962-89728022A
- 5962-89805012A
- 5962-8982402PA
- 5962-9322201MEA
- 7604501EA
- 85514012A
- 8551401PA
- 905X0205100
- 90E23PYGI8
- 90E24PYGI8
- 90E36ERGI
- A4910KJPTR-T
- A4915METTR-T
- A4930GETTR-T
- A4990KLPTR-T
- A5974AD
- A5974D
- A5975D
- A8304SESTR-T
- AAT2153IVN-0.6-T1
- AAT2823IBK-1-T1
- AAT4684ITP-T1
- AD536ASD/883B
- AD536ASH/883B
- AD580SH/883B

搜索
发布采购