更新日期:2024-04-01 00:04:00
产品简介:高效双串 30V 同步白光 LED 驱动器
查看详情LM36922YFFR 供应商
- 公司
- 型号
- 品牌
- 封装/批号
- 数量
- 地区
- 日期
- 说明
- 询价
-
TI
-
原厂原装
22+ -
3288
-
上海市
-
-
-
一级代理原装
-
TI
-
TSSOP
23+ -
46000
-
合肥
-
-
-
科大讯飞战略投资企业,提供一站式配套服务
LM36922YFFR 中文资料属性参数
- 现有数量:0现货9,000Factory查看交期
- 价格:3,000 : ¥3.58938卷带(TR)
- 系列:-
- 包装:卷带(TR)剪切带(CT)Digi-Reel? 得捷定制卷带
- 产品状态:在售
- 类型:DC DC 稳压器
- 拓扑:升压
- 内部开关:是
- 输出数:2
- 电压 - 供电(最低):2.5V
- 电压 -?供电(最高):5.5V
- 电压 - 输出:38V
- 电流 - 输出/通道:25mA
- 频率:500kHz,1MHz
- 调光:I2C,PWM
- 应用:背光
- 工作温度:-40°C ~ 85°C(TA)
- 安装类型:表面贴装型
- 封装/外壳:12-UFBGA,DSBGA
- 供应商器件封装:12-DSBGA
产品特性
- 拉电流匹配度 1%(整个过程、电压、温度范围内)
- 灌电流匹配度 3%(整个过程、电压、温度范围内)
- 11 位调光分辨率
- 解决方案效率高达 91.6%
- 在高达 28V 的电压下可驱动 1 至 2 个并行 LED 串
- 脉宽调制 (PWM) 调光输入
- I2C 可编程
- 可选择 500kHz 和 1MHz 开关频率,可选偏移为 -12%
- 自动切换频率模式(250kHz、500kHz、1MHz)
- 四个可配置过压保护阈值(17V、21V、25V、29V)
- 四个可配置过流保护阈值(750mA、1000mA、1250mA、1500mA)
- 热关断保护
产品概述
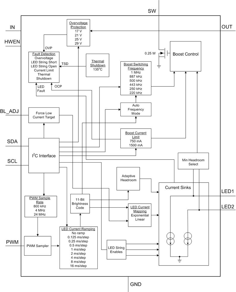
LM36922 是一款针对 LCD 显示器背光照明而设计的超紧凑型、高效双串白色 LED 驱动器。 该器件可为多达 8 个串联的 LED 供电,每个灯串的电流高达 25mA。 该器件采用自适应电流调节方法,可在保持电流稳定的同时为每个灯串提供不同的 LED 电压。 LED 电流通过 I2C 接口或逻辑电平 PWM 输入进行调节。 PWM 占空比在内部进行感测并映射到一个 11 位电流,从而提供宽范围的 PWM 频率并实现无噪声运行。 该器件的工作输入电压范围为 2.5V 至 5.5V,工作温度范围为 -40°C 至 85°C。
LM36922YFFR 电路图
LM36922YFFR 电路图
LM36922YFFR 相关产品
- 2SD300C17A1
- 2SP0115T2A0-12
- 5962-1022101VSC
- 5962-8686102XA
- 5962-8688202XA
- 5962-89728022A
- 5962-89805012A
- 5962-8982402PA
- 5962-9322201MEA
- 7604501EA
- 85514012A
- 8551401PA
- 905X0205100
- 90E23PYGI8
- 90E24PYGI8
- 90E36ERGI
- A4910KJPTR-T
- A4915METTR-T
- A4930GETTR-T
- A4990KLPTR-T
- A5974AD
- A5974D
- A5975D
- A8304SESTR-T
- AAT2153IVN-0.6-T1
- AAT2823IBK-1-T1
- AAT4684ITP-T1
- AD536ASD/883B
- AD536ASH/883B
- AD580SH/883B

搜索
发布采购