更新日期:2024-04-01 00:04:00
产品简介:符合 AEC-Q100 标准、高空间利用率的 520kHz、1.6MHz 升压和 SEPIC 直流/直流稳压器
查看详情LM2735YQSDX/NOPB 供应商
- 公司
- 型号
- 品牌
- 封装/批号
- 数量
- 地区
- 日期
- 说明
- 询价
-
TI
-
原厂原装
22+ -
3288
-
上海市
-
-
-
一级代理原装
-
TI
-
WSON6
2112+ -
4500
-
上海市
-
-
LM2735YQSDX/NOPB 中文资料属性参数
- 现有数量:0现货查看交期
- 价格:4,500 : ¥11.24514卷带(TR)
- 系列:Automotive, AEC-Q100
- 包装:卷带(TR)剪切带(CT)Digi-Reel? 得捷定制卷带
- 产品状态:在售
- 功能:升压,升压/降压
- 输出配置:正
- 拓扑:升压,反激,SEPIC
- 输出类型:可调式
- 输出数:1
- 电压 - 输入(最小值):2.7V
- 电压 - 输入(最大值):5.5V
- 电压 - 输出(最小值/固定):3V
- 电压 - 输出(最大值):24V
- 电流 - 输出:2.1A(开关)
- 频率 - 开关:520kHz
- 同步整流器:无
- 工作温度:-40°C ~ 125°C(TJ)
- 安装类型:表面贴装型
- 封装/外壳:6-WDFN 裸露焊盘
- 供应商器件封装:6-WSON(3x3)
产品特性
- 符合面向汽车应用的 AEC-Q100 标准:器件温度等级 1:-40°C 至 +125°C 运行环境温度范围
- 器件温度等级 1:-40°C 至 +125°C 运行环境温度范围
- 输入电压范围:2.7V 至 5.5V
- 输出电压范围:3V 至 24V
- 在整个温度范围内具有 2.1A 的开关电流
- 电流模式控制
- 逻辑高电平使能引脚
- 在关断模式下具有 80nA 的超低静态电流
- 170mΩ NMOS 开关
- ±2% 反馈电压精度
- 易于使用的小型解决方案总尺寸内部软启动内部补偿两种开关频率520kHz (LM2735-Y)1.6MHz (LM2735-X)使用小型表面贴装电感器和片式电容器微型 SOT-23 和 WSON 封装
- 内部软启动
- 内部补偿
- 两种开关频率
- 520kHz (LM2735-Y)
- 1.6MHz (LM2735-X)
- 使用小型表面贴装电感器和片式电容器
- 微型 SOT-23 和 WSON 封装
- 使用 LM2735-Q1 及 WEBENCH® 电源设计器创建定制设计
产品概述
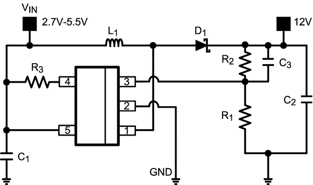
LM2735-Q1 器件是一款易于使用的高空间利用率 2.1A 低侧开关稳压器,非常适合升压和 SEPIC 直流/直流调节。该器件可提供所有有效功能,从而通过最小的 PCB 面积提供具有快速瞬变响应和精确调节功能的本地直流/直流转换。开关频率在内部设置为 520kHz 或 1.6MHz,从而允许使用极小的表面贴装电感器和片式电容器,同时提供高达 90% 的效率。该器件可用于进行后升压,即对主汽车系统 3.3V 电源轨进行升压,从而为需要 5V 电压的 CAN 收发器和其他电路供电。LM2735-Q1 可提供 24V 输出电压,因此还可为音频放大器、天线、同轴电缆供电 (PoC) 和汽车音频总线 (A2B) 器件供电。电流模式控制和内部补偿可在各种工作条件下提供易于使用、组件数最少且性能很高的调节。外部关断 具有 80nA 的超低待机电流,非常适合便携式 应用的需求。微型 SOT-23 和 WSON 封装可节省空间。其他 特性 包括内部软启动、用于减小浪涌电流的电路、逐脉冲电流限制和热关断。
LM2735YQSDX/NOPB 电路图
LM2735YQSDX/NOPB 电路图
LM2735YQSDX/NOPB 相关产品
- 2SD300C17A1
- 2SP0115T2A0-12
- 5962-1022101VSC
- 5962-8686102XA
- 5962-8688202XA
- 5962-89728022A
- 5962-89805012A
- 5962-8982402PA
- 5962-9322201MEA
- 7604501EA
- 85514012A
- 8551401PA
- 905X0205100
- 90E23PYGI8
- 90E24PYGI8
- 90E36ERGI
- A4910KJPTR-T
- A4915METTR-T
- A4930GETTR-T
- A4990KLPTR-T
- A5974AD
- A5974D
- A5975D
- A8304SESTR-T
- AAT2153IVN-0.6-T1
- AAT2823IBK-1-T1
- AAT4684ITP-T1
- AD536ASD/883B
- AD536ASH/883B
- AD580SH/883B

搜索
发布采购