更新日期:2024-04-01 00:04:00
产品简介:具有 8V UVLO 和 TTL 输入的 3A、2A 或 1A 半桥栅极驱动器
查看详情LM25101CMYE/NOPB 供应商
- 公司
- 型号
- 品牌
- 封装/批号
- 数量
- 地区
- 日期
- 说明
- 询价
-
TI
-
原厂原装
22+ -
3288
-
上海市
-
-
-
一级代理原装
-
TI(德州仪器)
-
MSOP-8
2022+ -
12000
-
上海市
-
-
-
原装可开发票
LM25101CMYE/NOPB 中文资料属性参数
- 现有数量:112现货10,000Factory
- 价格:1 : ¥33.39000剪切带(CT)250 : ¥23.29640卷带(TR)
- 系列:-
- 包装:卷带(TR)剪切带(CT)Digi-Reel? 得捷定制卷带
- 产品状态:在售
- Digi-Key Programmable:Not Verified
- 驱动配置:半桥
- 通道类型:独立式
- 驱动器数:2
- 栅极类型:N 沟道 MOSFET
- 电压 - 供电:9V ~ 14V
- 逻辑电压?- VIL,VIH:2.3V,-
- 电流 - 峰值输出(灌入,拉出):1A,1A
- 输入类型:非反相
- 高压侧电压 - 最大值(自举):100 V
- 上升/下降时间(典型值):990ns,715ns
- 工作温度:-40°C ~ 125°C(TJ)
- 安装类型:表面贴装型
- 封装/外壳:8-PowerTSSOP,8-MSOP(0.118",3.00mm 宽)
- 供应商器件封装:8-HVSSOP
产品特性
- 独立的高侧和低侧驱动器逻辑输入
- 自举电源电压高达 100V DC
- 可驱动高侧和低侧 N 沟道金属氧化物半导体场效应晶体管 (MOSFET)
- 短暂传播时间(典型值为 25ns)
- 可以 8ns 的上升和下降时间驱动 1000pF 负载
- 优异的传播延迟匹配(典型值为 3ns)
- 支持电源轨欠压锁定
- 低功耗
- 与 HIP2100 和 HIP2101 引脚兼容
- 由电机控制的驱动器
- 半桥和全桥电源转换器
- 同步降压转换器
- 双开关正向电源转换器
- 有源钳位正激转换器
- 48V 服务器电源
- 太阳能 DC-DC 和 DC-AC 转换器
产品概述
LM25101 高电压栅极驱动器专为驱动采用同步降压或半桥配置的高侧和低侧 N 沟道 MOSFET 而设计。版本 A 提供高达 3A 的栅极驱动,而版本 B 和 C 分别提供
2A 和 1A 的栅极驱动。输出由 TTL
输入阈值独立控制。该器件集成了一个高压二极管,用于对高侧栅极驱动自举电容进行充电。稳健可靠的电平转换器同时拥有高运行速度和低功耗特性,并且可提供从控制逻辑到高侧栅极驱动器的干净电平转换。该器件在低侧和高侧电源轨上提供了欠压锁定功能。这些器件采用标准 8 引脚 SOIC、8 引脚 SO-PowerPAD、8 引脚 WSON、10 引脚 WSON 以及 8 引脚 MOSP PowerPAD 封装。
LM25101CMYE/NOPB 数据手册
数据手册 | 说明 | 数量 | 操作 |
---|---|---|---|
![]() |
IC GATE DVR HI/LO SIDE 8MSOP |
31页,1.43M | 查看 |
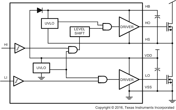
LM25101CMYE/NOPB 电路图

LM25101CMYE/NOPB 电路图
LM25101CMYE/NOPB 相关产品
- 2SD300C17A1
- 2SP0115T2A0-12
- 5962-1022101VSC
- 5962-8686102XA
- 5962-8688202XA
- 5962-89728022A
- 5962-89805012A
- 5962-8982402PA
- 5962-9322201MEA
- 7604501EA
- 85514012A
- 8551401PA
- 905X0205100
- 90E23PYGI8
- 90E24PYGI8
- 90E36ERGI
- A4910KJPTR-T
- A4915METTR-T
- A4930GETTR-T
- A4990KLPTR-T
- A5974AD
- A5974D
- A5975D
- A8304SESTR-T
- AAT2153IVN-0.6-T1
- AAT2823IBK-1-T1
- AAT4684ITP-T1
- AD536ASD/883B
- AD536ASH/883B
- AD580SH/883B