- 封装:16-DIP(0.300",7.62mm)
- RoHS:无铅 / 符合限制有害物质指令(RoHS)规范要求
- 包装方式:管件
- 参考价格:$0.1782-$0.63
更新日期:2024-04-01 00:04:00
产品简介:高速 CMOS 逻辑 8 位并行输入/串行输出移位寄存器
- 封装:16-DIP(0.300",7.62mm)
- RoHS:无铅 / 符合限制有害物质指令(RoHS)规范要求
- 包装方式:管件
- 参考价格:$0.1782-$0.63
CD74HCT165E 供应商
- 公司
- 型号
- 品牌
- 封装/批号
- 数量
- 地区
- 日期
- 说明
- 询价
-
TI
-
原厂原装
22+ -
3288
-
上海市
-
-
-
一级代理原装
CD74HCT165E 中文资料属性参数
- 标准包装:25
- 类别:集成电路 (IC)
- 家庭:逻辑 - 移位寄存器
- 系列:74HCT
- 逻辑类型:移位寄存器
- 输出类型:差分
- 元件数:1
- 每个元件的位元数:8
- 功能:并行或串行至串行
- 电源电压:4.5 V ~ 5.5 V
- 工作温度:-55°C ~ 125°C
- 安装类型:通孔
- 封装/外壳:16-DIP(0.300",7.62mm)
- 供应商设备封装:16-PDIP
- 包装:管件
- 其它名称:296-2098-574HCT165CD74HCT165
CD74HCT165E 数据手册
| 数据手册 | 说明 | 数量 | 操作 |
|---|---|---|---|
CD74HCT165E
|
High Speed CMOS Logic 8-Bit Parallel-In/Serial-Out Shift Register 16-PDIP -55 to 125 |
15页,448K | 查看 |
CD74HCT165E
|
IC 8-BIT SHIFT REGISTER 16-DIP |
17页,837K | 查看 |
CD74HCT165EE4
|
High-Speed CMOS Logic 8-Bit Parallel-In/Serial-Out Shift Register |
13 Pages页,275K | 查看 |
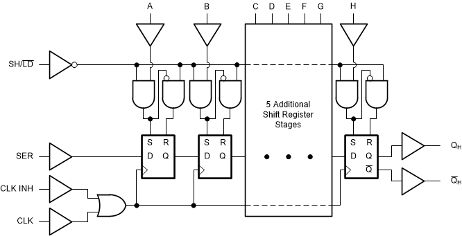
CD74HCT165E 电路图
CD74HCT165E 电路图
CD74HCT165E 相关产品
- 100336QC
- 74AC299SCX
- 74AHC164PW,118
- 74HC164PW,118
- 74HC165D,653
- 74HC4094PW,118
- 74HC595D,118
- 74HC595N,112
- 74HC597D,653
- 74HCT164D,653
- 74HCT165D,652
- 74HCT4015N,112
- 74HCT4094D,112
- 74HCT4094D,118
- 74HCT595N,112
- 74LV164D,118
- 74LV165PW,118
- 74LV595PW,112
- CD4014BE
- CD4014BM96
- CD4014BPWR
- CD4015BE
- CD4015BM96
- CD4015BM96G4
- CD4015BPWR
- CD40194BE
- CD4021BE
- CD4021BM96
- CD4021BM96E4
- CD4021BPWR

搜索
发布采购
CD74HCT165E