- 封装:16-SOIC(0.154",3.90mm 宽)
- RoHS:无铅 / 符合限制有害物质指令(RoHS)规范要求
- 包装方式:Digi-Reel®
- 参考价格:$0.264-$0.66
更新日期:2024-04-01 00:04:00
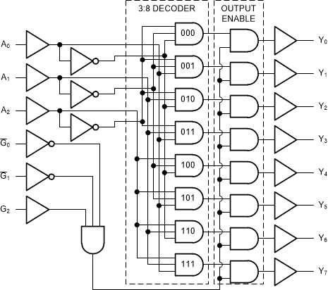
产品简介:高速 CMOS 逻辑反向和同向 3 线至 8 线解码器/多路信号分离器
- 封装:16-SOIC(0.154",3.90mm 宽)
- RoHS:无铅 / 符合限制有害物质指令(RoHS)规范要求
- 包装方式:Digi-Reel®
- 参考价格:$0.264-$0.66
CD74HCT138M96 供应商
- 公司
- 型号
- 品牌
- 封装/批号
- 数量
- 地区
- 日期
- 说明
- 询价
-
TI
-
原厂原装
22+ -
3288
-
上海市
-
-
-
一级代理原装
-
TI
-
-
2021+ -
28000
-
苏州
-
-
-
TI(德州仪器)
-
SOIC-16
2022+ -
12000
-
上海市
-
-
-
原装可开发票
CD74HCT138M96 中文资料属性参数
- 标准包装:1
- 类别:集成电路 (IC)
- 家庭:逻辑 - 信号开关,多路复用器,解码器
- 系列:74HCT
- 类型:解码器/多路分解器
- 电路:1 x 3:8
- 独立电路:1
- 输出电流高,低:4mA,4mA
- 电压电源:单电源
- 电源电压:4.5 V ~ 5.5 V
- 工作温度:-55°C ~ 125°C
- 安装类型:表面贴装
- 封装/外壳:16-SOIC(0.154",3.90mm 宽)
- 供应商设备封装:16-SOIC N
- 包装:®
- 其它名称:296-14547-6
CD74HCT138M96 数据手册
| 数据手册 | 说明 | 数量 | 操作 |
|---|---|---|---|
CD74HCT138M96
|
High-Speed CMOS Logic 3- to 8-Line Decoder/ Demultiplexer Inverting and Noninverting |
14 Pages页,353K | 查看 |
CD74HCT138M96
|
Decoder/Demultiplexer 1 x 3:8 16-SOIC |
19页,758K | 查看 |
CD74HCT138M96E4
|
High-Speed CMOS Logic 3- to 8-Line Decoder/ Demultiplexer Inverting and Noninverting |
14 Pages页,353K | 查看 |
CD74HCT138M96 电路图
CD74HCT138M96 电路图
CD74HCT138M96 相关产品
- 74AC11138D
- 74AC11138DR
- 74AC11138N
- 74AC11138NSR
- 74AC11138PWR
- 74AC11257DW
- 74AC11257N
- 74AC11257PW
- 74AC139MTCX
- 74ACT11139D
- 74ACT11139PWR
- 74ACT11257DWR
- 74ACT138SJX
- 74ACT139MTCX
- 74ACT139SCX
- 74ACT257SCX
- 74AHC138D,118
- 74CB3Q16244DGGRG4
- 74CB3Q3125DBQRE4
- 74CB3Q3245RGYRG4
- 74CB3Q3257DBQRE4
- 74CB3Q3257RGYRG4
- 74CB3Q3305DCURG4
- 74CB3Q3306ADCURE4
- 74CB3Q3306ADCURG4
- 74CB3T16210DGGRG4
- 74CB3T16211DGGRE4
- 74CB3T1G125DBVRE4
- 74CB3T1G125DBVRG4
- 74CB3T1G125DCKRG4

搜索
发布采购
CD74HCT138M96