- 封装:16-SOIC(0.154",3.90mm 宽)
- RoHS:无铅 / 符合限制有害物质指令(RoHS)规范要求
- 包装方式:Digi-Reel®
- 参考价格:$0.264-$0.66
更新日期:2024-04-01 00:04:00
产品简介:高速 CMOS 逻辑 8 输入多路复用器
- 封装:16-SOIC(0.154",3.90mm 宽)
- RoHS:无铅 / 符合限制有害物质指令(RoHS)规范要求
- 包装方式:Digi-Reel®
- 参考价格:$0.264-$0.66
CD74HC151M96 供应商
- 公司
- 型号
- 品牌
- 封装/批号
- 数量
- 地区
- 日期
- 说明
- 询价
-
TI
-
原厂原装
22+ -
3288
-
上海市
-
-
-
一级代理原装
-
TI
-
SOP-16
- -
9477
-
上海市
-
-
-
经营22年实体店原装,具体年份和数量以实际为准
CD74HC151M96 中文资料属性参数
- 标准包装:1
- 类别:集成电路 (IC)
- 家庭:逻辑 - 信号开关,多路复用器,解码器
- 系列:74HC
- 类型:多路复用器
- 电路:1 x 8:1
- 独立电路:1
- 输出电流高,低:5.2mA,5.2mA
- 电压电源:单电源
- 电源电压:2 V ~ 6 V
- 工作温度:-55°C ~ 125°C
- 安装类型:表面贴装
- 封装/外壳:16-SOIC(0.154",3.90mm 宽)
- 供应商设备封装:16-SOIC N
- 包装:®
- 其它名称:296-12787-6
CD74HC151M96 数据手册
| 数据手册 | 说明 | 数量 | 操作 |
|---|---|---|---|
CD74HC151M96
|
High-Speed CMOS Logic 8-Input Multiplexer |
12 Pages页,268K | 查看 |
CD74HC151M96E4
|
High-Speed CMOS Logic 8-Input Multiplexer |
12 Pages页,268K | 查看 |
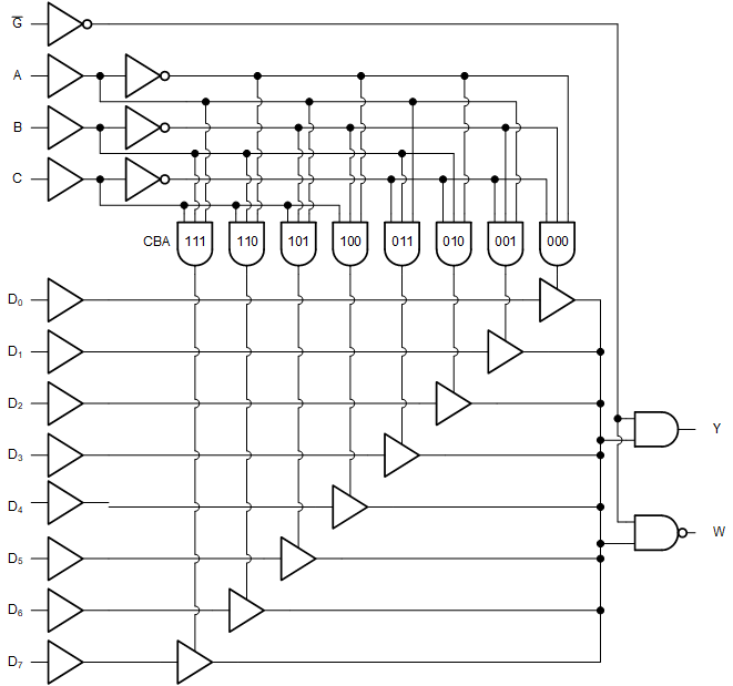
CD74HC151M96 电路图
CD74HC151M96 电路图
CD74HC151M96 相关产品
- 74AC11138D
- 74AC11138DR
- 74AC11138N
- 74AC11138NSR
- 74AC11138PWR
- 74AC11257DW
- 74AC11257N
- 74AC11257PW
- 74AC139MTCX
- 74ACT11139D
- 74ACT11139PWR
- 74ACT11257DWR
- 74ACT138SJX
- 74ACT139MTCX
- 74ACT139SCX
- 74ACT257SCX
- 74AHC138D,118
- 74CB3Q16244DGGRG4
- 74CB3Q3125DBQRE4
- 74CB3Q3245RGYRG4
- 74CB3Q3257DBQRE4
- 74CB3Q3257RGYRG4
- 74CB3Q3305DCURG4
- 74CB3Q3306ADCURE4
- 74CB3Q3306ADCURG4
- 74CB3T16210DGGRG4
- 74CB3T16211DGGRE4
- 74CB3T1G125DBVRE4
- 74CB3T1G125DBVRG4
- 74CB3T1G125DCKRG4

搜索
发布采购
CD74HC151M96