更新日期:2024-04-01 00:04:00
产品简介:具有集成保护功能的单节锂离子电池电量监测计 | 电池电量监测计
查看详情BQ27742YZFT-G1 供应商
- 公司
- 型号
- 品牌
- 封装/批号
- 数量
- 地区
- 日期
- 说明
- 询价
-
TI
-
原厂原装
22+ -
3288
-
上海市
-
-
-
一级代理原装
-
TI(德州仪器)
-
DSBGA-15
2022+ -
12000
-
上海市
-
-
-
原装可开发票
-
TI
-
BGA8
21+ -
20000
-
上海市
-
-
-
原装现货,品质为先!请来电垂询!
-
TI
-
原厂原装
2318+ -
9200
-
合肥
-
-
-
科大讯飞战略投资企业
BQ27742YZFT-G1 中文资料属性参数
- 现有数量:5,114现货5,500Factory
- 价格:1 : ¥26.87000剪切带(CT)250 : ¥18.73696卷带(TR)
- 系列:-
- 包装:卷带(TR)剪切带(CT)Digi-Reel? 得捷定制卷带
- 产品状态:在售
- 功能:多功能控制器
- 电池化学成份:锂离子
- 电池数:1
- 故障保护:过流,过/欠压,短路
- 接口:HDQ,I2C
- 工作温度:-40°C ~ 85°C(TA)
- 安装类型:表面贴装型
- 封装/外壳:15-UFBGA,DSBGA
- 供应商器件封装:15-DSBGA
产品特性
- 单节锂离子电池电量监测计和保护器 应用
- 微控制器外设提供:具有低值感应电阻(5mΩ 至 20mΩ)的精密 16 位高侧库仑计数器 用于报告电池温度的外部和内部温度传感器 使用寿命和电流数据记录 64 字节非易失性暂用闪存通过 SHA-1 认证
- 具有低值感应电阻(5mΩ 至 20mΩ)的精密 16 位高侧库仑计数器
- 用于报告电池温度的外部和内部温度传感器
- 使用寿命和电流数据记录
- 64 字节非易失性暂用闪存
- 通过 SHA-1 认证
- 基于已获专利的 Impedance Track™技术的电池电量计量 用于电池续航能力精确预测的电池放电模拟曲线 针对电池老化、自放电和温度以及额定引入效应的自动调节
- 用于电池续航能力精确预测的电池放电模拟曲线
- 针对电池老化、自放电和温度以及额定引入效应的自动调节
- 集成高侧 NMOS 保护场效应晶体管 (FET) 驱动
- 基于硬件的安全与防护功能:过压保护 (OVP)欠压保护 (UVP)充电过流 (OCC) 放电过流 (OCD) 放电短路 (SCD)
- 过压保护 (OVP)
- 欠压保护 (UVP)
- 充电过流 (OCC)
- 放电过流 (OCD)
- 放电短路 (SCD)
- 采用 I2C 和 HDQ 通信接口格式,用于与主机系统通信
- 超紧凑 15 焊球 NanoFree™DSBGA
产品概述
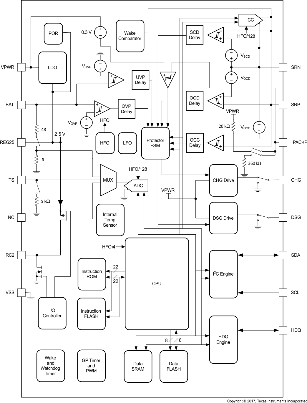
德州仪器 (TI) bq27742-G1 器件是一款电量监测计,适用于单节锂离子电池组。此电量计使用已获专利的 Impedance Track™技术,可预测剩余电池电量和系统运行的速率、温度和老化补偿并且具有最高精度。此器件还含有一个完全集成的高侧保护器,无需单独的锂离子保护电路即可对是否存在过压、欠压、充电过流、放电过流和放电短路条件进行全套高精度故障检测。硬件保护功能提供了内置数据闪存可编程功能,方便针对不同的终端设备需求重新配置现有器件。 这款电量监测计可提供剩余电池电量 (mAh)、充电状态 (%)、续航时间(分钟)、电池电压 (mV)、电流 (mA) 和温度 (°C) 等信息,以及整个电池使用寿命期间记录的重要参数。此器件还支持中断主机,指示检测到各种重要的故障条件并汇报给系统。DSBGA 是 15 焊球封装 (2.78mm × 1.96mm),非常适合空间受限的 应用。
BQ27742YZFT-G1 电路图
BQ27742YZFT-G1 电路图
BQ27742YZFT-G1 相关产品
- 2SD300C17A1
- 2SP0115T2A0-12
- 5962-1022101VSC
- 5962-8686102XA
- 5962-8688202XA
- 5962-89728022A
- 5962-89805012A
- 5962-8982402PA
- 5962-9322201MEA
- 7604501EA
- 85514012A
- 8551401PA
- 905X0205100
- 90E23PYGI8
- 90E24PYGI8
- 90E36ERGI
- A4910KJPTR-T
- A4915METTR-T
- A4930GETTR-T
- A4990KLPTR-T
- A5974AD
- A5974D
- A5975D
- A8304SESTR-T
- AAT2153IVN-0.6-T1
- AAT2823IBK-1-T1
- AAT4684ITP-T1
- AD536ASD/883B
- AD536ASH/883B
- AD580SH/883B

搜索
发布采购