- 封装:8-VFSOP(0.091",2.30mm 宽)
- RoHS:无铅 / 符合限制有害物质指令(RoHS)规范要求
- 包装方式:Digi-Reel®
- 参考价格:$0.252-$0.7
更新日期:2024-04-01 00:04:00
产品简介:具有三态输出的汽车类超级可配置多功能闸
查看详情- 封装:8-VFSOP(0.091",2.30mm 宽)
- RoHS:无铅 / 符合限制有害物质指令(RoHS)规范要求
- 包装方式:Digi-Reel®
- 参考价格:$0.252-$0.7
SN74LVC1G99QDCURQ1 供应商
- 公司
- 型号
- 品牌
- 封装/批号
- 数量
- 地区
- 日期
- 说明
- 询价
-
TI
-
原厂原装
22+ -
3288
-
上海市
-
-
-
一级代理原装
-
TI(德州仪器)
-
VSSOP-8
2022+ -
12000
-
上海市
-
-
-
原装可开发票
SN74LVC1G99QDCURQ1 中文资料属性参数
- 标准包装:1
- 类别:集成电路 (IC)
- 家庭:逻辑 - 栅极和逆变器 - 多功能,可配置
- 系列:74LVC
- 逻辑类型:可配置多功能
- 电路数:1
- 输入数:4
- 施密特触发器输入:是
- 输出类型:三态
- 输出电流高,低:32mA,32mA
- 电源电压:1.65 V ~ 5.5 V
- 工作温度:-40°C ~ 125°C
- 安装类型:表面贴装
- 封装/外壳:8-VFSOP(0.091",2.30mm 宽)
- 供应商设备封装:US8
- 包装:®
- 其它名称:296-29053-6
产品特性
- 符合汽车应用要求
- 支持 5 V VCC 工作
- 允许接受输入电压:5.5 V
- 低功耗, 最大15-μA ICC
- 3.3 V 电压下 ±24 mA 的输出驱动器
- 在一个封装内提供9个不同的逻辑功能
- Ioff 支持部分断电模式工作
- 输入滞后允许慢速输入转换时间和更好的输入端抗噪性
产品概述
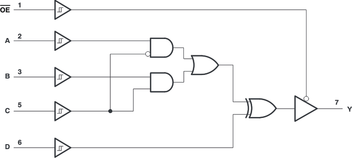
SN74LVC1G99-Q1运行在电压值1.65 V 到 5.5 V之间.SN74LVC1G99-Q1 具备拥有3态输出的可配置多重功能。 当输出使能 (OE) 输入为高电平时,输出被停用。 当OE值较低时, 输出状态由4位输入的16个模式确定。 用户可以选择逻辑功能, 例如 MUX, AND, OR, NAND, NOR, XOR, XNOR, 反相器, 和缓冲器。 所有输入可被连接到 VCC 或者 GND.这个设备的功能是独立反相器, 但是由于施密特作用(双稳态电路作用),对于正向 (VT+) 和负向 (VT–) 信号,它有不同的输入阀值水平.为了确保上电或断电期间的高阻抗状态,OE 应通过一个上拉电阻器连接至 VCC;该电阻器的最小值由驱动器的电流吸收能力来决定。该器件的技术规格针对采用 Ioff 的部分断电应用而全面拟订。 Ioff 电路可禁用输出,能够防止在器件断电时电流回流对器件造成损坏。
SN74LVC1G99QDCURQ1 数据手册
| 数据手册 | 说明 | 数量 | 操作 |
|---|---|---|---|
SN74LVC1G99QDCURQ1
|
Configurable Multiple Function Configurable 1 Circuit 4 Input US8 |
18页,779K | 查看 |
SN74LVC1G99QDCURQ1 电路图
SN74LVC1G99QDCURQ1 电路图
SN74LVC1G99QDCURQ1 相关产品
- 100302QC
- 100307QC
- 74AUP1G97L6X
- 74LVC1G3208DBVRG4
- 74LVC1G57GW,125
- 74LVC1G58GW,125
- CD4019BE
- CD4019BM96
- CD4019BNSR
- CD4019BPWR
- CD4048BE
- CD4048BM96
- CD4048BPW
- CD4068BE
- CD4068BEE4
- CD4068BM96
- CD4068BNSR
- CD4068BPWR
- CD4078BE
- CD4078BM96
- CD4078BNSR
- CD4078BPWR
- CD4078BPWRE4
- CD4085BE
- CD4085BM
- CD4085BPWR
- CD4086BE
- CD4086BM
- CD4086BMT
- CD4572UBE

搜索
发布采购
SN74LVC1G99QDCURQ1