更新日期:2024-04-01 00:04:00
产品简介:移动 I/O 配套支持 Keyscan、I/O 扩展、PWM 和 ACCESS.bus 主机接口
查看详情LM8327JGR8X/NOPB 供应商
- 公司
- 型号
- 品牌
- 封装/批号
- 数量
- 地区
- 日期
- 说明
- 询价
-
TI
-
原厂原装
22+ -
3288
-
上海市
-
-
-
一级代理原装
-
TI(德州仪器)
-
CSBGA-36(3.5x3.5)
2022+ -
12000
-
上海市
-
-
-
原装可开发票
LM8327JGR8X/NOPB 中文资料属性参数
- 现有数量:0现货7,000Factory查看交期
- 价格:3,500 : ¥15.93161卷带(TR)
- 系列:-
- 包装:卷带(TR)剪切带(CT)Digi-Reel? 得捷定制卷带
- 产品状态:在售
- 应用:移动通信
- 接口:I2C
- 电压 - 供电:1.62V ~ 1.98V
- 封装/外壳:36-TFBGA
- 供应商器件封装:36-CSBGA(3.5x3.5)
- 安装类型:表面贴装型
产品特性
- Internal RC Oscillator, no External Clock Required
- Internal PWM Clock Generation, no External Clock Required
- Programmable I2C-compatible ACCESS.Bus Address (Default 0x8A)
- Support for Keypad Matrices of up to of 8 x 12 Keys, Plus 8 Special Function (SF) Keys, for a Full 104 Key Support
- Support for up to 26 Direct Connect Keys
- I2C-Compatible ACCESS.Bus Slave Interface at 100 kHz (Standard-Mode) and 400 kHz (Fast-Mode)
- Three Host-Programmable PWM Outputs for Smooth LED Brightness Modulation
- Supports General-Purpose I/O Expansion on Pins not Otherwise Used for Keypad or PWM Output
- 15-byte Key Event Buffer
- Multiple Key Event Storage
- Key Events, Errors, and Dedicated Hardware Interrupts Request Host Service by Asserting an IRQ Output
- Automatic HALT Mode for Low Power Operation
- Wake-Up from HALT Mode on any Interface (Rising Edge, Falling Edge or Pulse)
- Three PWM Outputs with Dedicated Script Buffer for up to 32 Commands
- Register-Based Command Interpreter with Auto-Increment Address
- PWM Scripting for Three PWM Outputs
- Period of Inactivity that Triggers Entry into HALT Mode
- Debounce Time for Reliable Key Event Polling
- Configuration of General Purpose I/O Ports
- Various Initialization Options (Keypad Size, etc.)
- 1.8V ± 10% Single-Supply Operation
- On-Chip Power-On Reset (POR)
- ESD Glitch Filter on RESETN Pin
- Watchdog Timer
- Dedicated Slow Clock Input for 32 kHz up to 8MHz
- −40°C to +85°C Temperature Range
- 36-pin csBGA Package
产品概述
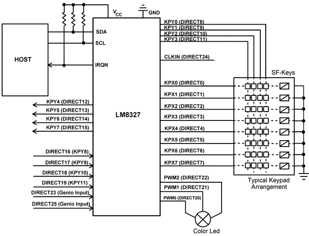
The LM8327 GenI/O-Expander and Keypad Controller is a dedicated device to unburden a host
processor from scanning a matrix-addressed keypad and to provide flexible and general purpose,
host-programmable input/output functions. Three independent PWM timer outputs are provided for
dynamic LED brightness modulation. It communicates with a host processor through an
I2C-compatible ACCESS.bus serial interface. It can communicate in
Standard (100 kHz) and Fast-Mode (400 kHz) in slave Mode only. All available input/output pins can alternately be used as a direct key input connection,
an input or an output in a keypad matrix, or as a host-programmable general purpose input or
output. Any pin programmed as an input can also sense hardware interrupts. The interrupt polarity
(“high-to-low” or “low-to-high” transition) is thereby programmable. The LM8327 follows a predefined register based set of commands. Upon startup (power on) a
configuration file must be sent from the host to setup the hardware of the device.
LM8327JGR8X/NOPB 数据手册
| 数据手册 | 说明 | 数量 | 操作 |
|---|---|---|---|
LM8327JGR8X/NOPB
|
Mobile Communications Interface 36-CSBGA (3.5x3.5) |
65页,1.46M | 查看 |
LM8327JGR8X/NOPB 电路图
LM8327JGR8X/NOPB 电路图
LM8327JGR8X/NOPB 相关产品
- 14212R-500
- 14222R-800
- 14230R-450
- 14315R-100
- 5962-8771601EA
- 5962-89710013X
- 5962-8971001XX
- 65LBC174AM16DWREP
- 6PAIC3109TRHBRQ1
- 6PAIC3109TWRHMRQ1
- 6PAIC3254IRHBRQ1
- 77049012A
- 7900901CA
- 821004JG
- 821034DNG
- 82V2058XDAG
- 82V2084PFG
- 82V2088BBG
- 88E1510-A0-NNB2C000
- 88E1512-A0-NNP2C000
- 88E1512-A0-NNP2I000
- 88E1514-A0-NNP2C000
- 88E1518-A0-NNB2C000
- 88E3015-A2-NNP1C000
- 88E3082-C1-BAR1C000
- 88E3082-C1-BAR1I000
- 89H64H16AG2ZCBLG
- 89HP0504PBZBNRGI
- 89HPES4T4ZBBCGI
- 89HT0816PYDBCG

搜索
发布采购
LM8327JGR8X/NOPB