更新日期:2024-04-01 00:04:00
产品简介:5MHz 至 43MHz 18 位彩色 FPD-Link II 至 FPD-Link 转换器
DS99R124AQSQE/NOPB 供应商
- 公司
- 型号
- 品牌
- 封装/批号
- 数量
- 地区
- 日期
- 说明
- 询价
-
TI
-
原厂原装
22+ -
3288
-
上海市
-
-
-
一级代理原装
DS99R124AQSQE/NOPB 中文资料属性参数
- 现有数量:0现货5,000Factory查看交期
- 价格:250 : ¥78.22228卷带(TR)
- 系列:Automotive, AEC-Q100
- 包装:卷带(TR)剪切带(CT)Digi-Reel? 得捷定制卷带
- 产品状态:在售
- 功能:解串器
- 数据速率:1.2Gbps
- 输入类型:FPD 链路 II,LVDS
- 输出类型:FPD 链路,LVDS
- 输入数:1
- 输出数:4
- 电压 - 供电:1.71V ~ 1.89V,3V ~ 3.6V
- 工作温度:-40°C ~ 105°C(TA)
- 安装类型:表面贴装型
- 封装/外壳:48-WFQFN 裸露焊盘
- 供应商器件封装:48-WQFN(7x7)
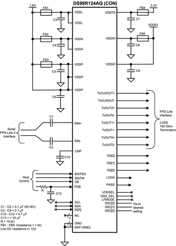
DS99R124AQSQE/NOPB 电路图
DS99R124AQSQE/NOPB 电路图
DS99R124AQSQE/NOPB 相关产品
- 14212R-500
- 14222R-800
- 14230R-450
- 14315R-100
- 5962-8771601EA
- 5962-89710013X
- 5962-8971001XX
- 65LBC174AM16DWREP
- 6PAIC3109TRHBRQ1
- 6PAIC3109TWRHMRQ1
- 6PAIC3254IRHBRQ1
- 77049012A
- 7900901CA
- 821004JG
- 821034DNG
- 82V2058XDAG
- 82V2084PFG
- 82V2088BBG
- 88E1510-A0-NNB2C000
- 88E1512-A0-NNP2C000
- 88E1512-A0-NNP2I000
- 88E1514-A0-NNP2C000
- 88E1518-A0-NNB2C000
- 88E3015-A2-NNP1C000
- 88E3082-C1-BAR1C000
- 88E3082-C1-BAR1I000
- 89H64H16AG2ZCBLG
- 89HP0504PBZBNRGI
- 89HPES4T4ZBBCGI
- 89HT0816PYDBCG

搜索
发布采购