更新日期:2024-04-01 00:04:00
产品简介:10 - 75 MHz、24 位彩色 FPD 链接 II 至 CSI-2 转换器
查看详情DS90UR910QSQX/NOPB 供应商
- 公司
- 型号
- 品牌
- 封装/批号
- 数量
- 地区
- 日期
- 说明
- 询价
-
TI
-
原厂原装
22+ -
3288
-
上海市
-
-
-
一级代理原装
-
TI(德州仪器)
-
WQFN-40(6x6)
2022+ -
12000
-
上海市
-
-
-
原装可开发票
DS90UR910QSQX/NOPB 中文资料属性参数
- 现有数量:0现货查看交期
- 价格:2,500 : ¥52.37396卷带(TR)
- 系列:Automotive, AEC-Q100
- 包装:卷带(TR)
- 产品状态:在售
- 功能:解串器
- 数据速率:900Mbps
- 输入类型:FPD 链路 II,LVDS
- 输出类型:CSI-2,MIPI
- 输入数:1
- 输出数:3
- 电压 - 供电:1.71V ~ 1.89V,3V ~ 3.6V
- 工作温度:-40°C ~ 105°C(TA)
- 安装类型:表面贴装型
- 封装/外壳:40-WFQFN 裸露焊盘
- 供应商器件封装:40-WQFN(6x6)
产品特性
- 支持 10MHz 至 75MHz 像素时钟 (PCLK)(280Mbps 至 2.10Gbps FPD-Link II 线速率)
- 兼容直流均衡以及交流耦合的 FPD-Link II 串行位流
- 可对长达 10 米的屏蔽双绞线 (STP) 电缆进行数据恢复
- 符合 v1.00.00 规范的 MIPI D-PHY 模块
- 与 MIPI CSI-2 版本 1.01 兼容
- 支持双通道运行,每条数据通道支持的传输速率最高可达 900Mbps
- 视频流数据包格式:RGB888
- 连续和非连续时钟模式
- 支持超低功耗、退出、高速和控制模式
- 集成输入端接和可调节接收均衡
- 快速随机锁定;无需基准时钟
- CCI/I2C 兼容控制总线
- 全速内置自检 (@Speed BIST) 和报告引脚
- +1.8V 单电源
- 1.8V 或 3.3V 兼容 LVCMOS I/O 接口
- 汽车应用级产品:符合 AEC-Q100 2 级要求
- 8kV ISO 10605 静电放电 (ESD) 额定值
- 6mm x 6mm 超薄型四方扁平无引线 (WQFN)-40 封装
产品概述
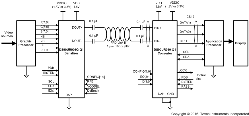
DS90UR910-Q1 是一款接口桥接芯片,用于恢复 FPD-Link II 串行位流中的数据,并将其转换为符合移动行业处理器接口 (MIPI) 规范的摄像机串行接口 (CSI-2) 格式。该器件可从兼容 FPD-Link II 串行器的串行位流中恢复 24 位或 18 位 RGB 数据以及 3 个视频同步信号。恢复的数据在由符合 MIPI DPHY/CSI-2 规范的半速率串行时钟所选通的两条数据通道中进行封包化和串行化,每条数据通道的传输速率最高可达 900Mbps。FPD-Link II 接收器支持频率最高可达 75MHz 的像素时钟。CSI-2 输出串行总线可显著降低图形处理器 (GPU) 的互连和信号计数,同时面向多台汽车驾驶员辅助摄像机的视频流简化系统设计。
DS90UR910-Q1 采用 40 引脚 WQFN 封装。电气性能符合汽车级 AEC-Q100 2 级标准温度范围(-40°C 至 +105°C)。
DS90UR910QSQX/NOPB 电路图
DS90UR910QSQX/NOPB 电路图
DS90UR910QSQX/NOPB 相关产品
- 14212R-500
- 14222R-800
- 14230R-450
- 14315R-100
- 5962-8771601EA
- 5962-89710013X
- 5962-8971001XX
- 65LBC174AM16DWREP
- 6PAIC3109TRHBRQ1
- 6PAIC3109TWRHMRQ1
- 6PAIC3254IRHBRQ1
- 77049012A
- 7900901CA
- 821004JG
- 821034DNG
- 82V2058XDAG
- 82V2084PFG
- 82V2088BBG
- 88E1510-A0-NNB2C000
- 88E1512-A0-NNP2C000
- 88E1512-A0-NNP2I000
- 88E1514-A0-NNP2C000
- 88E1518-A0-NNB2C000
- 88E3015-A2-NNP1C000
- 88E3082-C1-BAR1C000
- 88E3082-C1-BAR1I000
- 89H64H16AG2ZCBLG
- 89HP0504PBZBNRGI
- 89HPES4T4ZBBCGI
- 89HT0816PYDBCG

搜索
发布采购