更新日期:2024-04-01 00:04:00
产品简介:多通道数字音频解串器
查看详情DS90UA102TRHSJQ1 供应商
- 公司
- 型号
- 品牌
- 封装/批号
- 数量
- 地区
- 日期
- 说明
- 询价
-
TI
-
原厂原装
22+ -
3288
-
上海市
-
-
-
一级代理原装
-
TI(德州仪器)
-
WQFN-48(7x7)
2022+ -
12000
-
上海市
-
-
-
原装可开发票
DS90UA102TRHSJQ1 中文资料属性参数
- 现有数量:0现货查看交期
- 价格:2,500 : ¥58.34831卷带(TR)
- 系列:Automotive, AEC-Q100
- 包装:卷带(TR)
- 产品状态:在售
- 功能:解串器
- 数据速率:600Mbps
- 输入类型:FPD 链路 III,LVDS
- 输出类型:LVCMOS
- 输入数:1
- 输出数:4
- 电压 - 供电:1.71V ~ 1.89V
- 工作温度:-40°C ~ 105°C(TA)
- 安装类型:表面贴装型
- 封装/外壳:48-WFQFN 裸露焊盘
- 供应商器件封装:48-WQFN(7x7)
产品特性
- 数字音频解串器
- 灵活的数字音频输出,支持 I2S(立体声)和时分复用 (TMD) (多通道)格式
- 同轴或单个差分对互连
- 高速串行输入接口
- 极低延迟 (< 15µs)
- 具有 I2C 兼容串行控制总线的双向控制接口通道
- 支持多达 8 个立体声 I2S 或 TDM 音频输出
- 支持 10MHz 至 50MHz 的音频系统时钟
- 单个 1.8V 电源
- 1.8V 或 3.3V I/O 接口
- 4/4 个专用通用输入/输出
- 长达 15m 的交流耦合屏蔽双绞线 (STP) 或同轴电缆
- 具有嵌入式时钟的直流均衡 & 扰频数据
- 自适应电缆均衡
- 全速链路内置自检 (BIST) 模式和锁定 (LOCK) 状态引脚
- 汽车应用级产品:符合 AEC-Q100 2 级要求
- 温度范围:-40°C 至 105°C
- 符合 ISO 10605 以及 IEC 61000-4-2 静电放电 (ESD) 标准
- 汽车信息娱乐系统
- 主动噪声消除系统
- 分布式多通道音频系统
产品概述
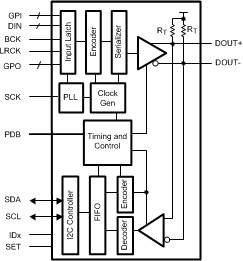
此 DS90UA102-Q1 解串器,与 DS90UA101-Q1 串行器一同使用,为多通道音频系统中数字音频分配提供了一个解决方案。 它在一个单条屏蔽双绞线或同轴电缆上借助一个嵌入式时钟用高速已串化接口接收数据。 这个串行总线系统配置在链路上支持高速数据正向传输和低速双向控制通道。 数字音频、通用 IO 和一个单差分对上控制信号的联合使用减少了互连尺寸和重量,同时也减少了与偏斜和系统延迟相关的设计问题。此DS90UA102-Q1 解串器提取时钟,并将来自高速低压差分信令的信号电平位移至单端 LVCMOS。 此器件输出多达 8 个数字音频数据通道、字/帧同步、位时钟和系统时钟。四个专用的通用输入引脚和四个通用输出引脚可灵活地实现与远程器件之间的控制和中断信号传输。串行输入数据流的自适应均衡为线缆的传输介质损耗提供补偿,并减少了介质引入的确定性抖动。
DS90UA102TRHSJQ1 电路图
DS90UA102TRHSJQ1 电路图
DS90UA102TRHSJQ1 相关产品
- 14212R-500
- 14222R-800
- 14230R-450
- 14315R-100
- 5962-8771601EA
- 5962-89710013X
- 5962-8971001XX
- 65LBC174AM16DWREP
- 6PAIC3109TRHBRQ1
- 6PAIC3109TWRHMRQ1
- 6PAIC3254IRHBRQ1
- 77049012A
- 7900901CA
- 821004JG
- 821034DNG
- 82V2058XDAG
- 82V2084PFG
- 82V2088BBG
- 88E1510-A0-NNB2C000
- 88E1512-A0-NNP2C000
- 88E1512-A0-NNP2I000
- 88E1514-A0-NNP2C000
- 88E1518-A0-NNB2C000
- 88E3015-A2-NNP1C000
- 88E3082-C1-BAR1C000
- 88E3082-C1-BAR1I000
- 89H64H16AG2ZCBLG
- 89HP0504PBZBNRGI
- 89HPES4T4ZBBCGI
- 89HT0816PYDBCG

搜索
发布采购