更新日期:2024-04-01 00:04:00
产品简介:具有均衡和去加重功能的 2.5/5.0/8.0Gbps 1 通道 PCI Express 转接驱动器
查看详情DS80PCI102SQE/NOPB 供应商
- 公司
- 型号
- 品牌
- 封装/批号
- 数量
- 地区
- 日期
- 说明
- 询价
-
TI
-
原厂原装
22+ -
3288
-
上海市
-
-
-
一级代理原装
-
TI
-
TSSOP
23+ -
46000
-
合肥
-
-
-
科大讯飞战略投资企业,提供一站式配套服务
DS80PCI102SQE/NOPB 中文资料属性参数
- 现有数量:0现货查看交期
- 价格:1 : ¥78.94000剪切带(CT)250 : ¥56.37052卷带(TR)
- 系列:-
- 包装:卷带(TR)剪切带(CT)Digi-Reel? 得捷定制卷带
- 产品状态:在售
- 类型:缓冲器,转接驱动器
- 应用:PCIe
- 输入:CML
- 输出:CML
- 数据速率(最大值):8Gbps
- 通道数:2
- 延迟时间:200ps
- 信号调节:输入均衡,输出去加重
- 电容 - 输入:10 pF
- 电压 - 供电:2.375V ~ 3.6V
- 电流 - 供电:-
- 工作温度:-40°C ~ 85°C
- 安装类型:表面贴装型
- 封装/外壳:24-WFQFN 裸露焊盘
- 供应商器件封装:24-WQFN(4x4)
产品特性
- Comprehensive Family, Proven System Interoperability DS80PCI102: x1 PCIe Gen-1, Gen-2, and Gen-3 DS80PCI402: x4 PCIe Gen-1, Gen-2, and Gen-3 DS80PCI800: x8/x16 PCIe Gen-1, Gen-2, and Gen-3
- DS80PCI102: x1 PCIe Gen-1, Gen-2, and Gen-3
- DS80PCI402: x4 PCIe Gen-1, Gen-2, and Gen-3
- DS80PCI800: x8/x16 PCIe Gen-1, Gen-2, and Gen-3
- Automatic Rate-Detect and Adaptation to Gen-1, Gen-2, and Gen-3 Speeds
- Seamless Support for Gen-3 Transmit FIR Handshake
- Receiver EQ (up to 36 dB), Transmit De- Emphasis (up to 12 dB)
- Adjustable Transmit VOD: 0.7 to 1.3 Vp-p (Pin Mode)
- 0.2 UI of Residual Deterministic Jitter at 8 Gbps After 40 Inches of FR4 or 10 m 30-awg PCIe Cable
- Low Power Dissipation With Ability to Turn Off Unused Channels: 65 mW/Channel
- Automatic Receiver Detect (Hot-Plug)
- Multiple Configuration Modes: Pins/SMBus/Direct- EEPROM Load
- Flow-Thru Pinout in 4-mm × 4-mm 24-Pin Leadless WQFN Package
- Single Supply Voltage: 2.5 V or 3.3 V (Selectable)
- ±5-kV HBM ESD Rating
- −40°C to 85°C Operating Temperature Range
产品概述
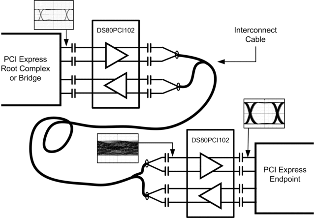
The DS80PCI102 is a low-power, 1-lane repeater with 4-stage input equalization, and an
output de-emphasis driver to enhance the reach of PCI-Express serial links in board-to-board or
cable interconnects. The device is ideal for x1 PCI-Express configuration, and it automatically
detects and adapts to Gen-1, Gen-2, and Gen-3 data rates for easy system upgrade.DS80PCI102 offers programmable transmit de-emphasis (up to 12 dB), transmit VOD (up to
1300 mVp-p), and receive equalization (up to 36 dB) to enable longer distance transmission in
lossy copper cables (10 meters or more), or backplanes (40 inches or more) with multiple
connectors. The receiver can open an input eye that is completely closed due to inter-symbol
interference (ISI) introduced by the interconnect medium.The programmable settings can be applied easily through pins or software
(SMBus/I2C), or can be loaded through an external EEPROM. When operating
in the EEPROM mode, the configuration information is automatically loaded on power up, which
eliminates the need for an external microprocessor or software driver.
DS80PCI102SQE/NOPB 数据手册
数据手册 | 说明 | 数量 | 操作 |
---|---|---|---|
![]() |
Buffer, ReDriver 2 Channel 8Gbps 24-WQFN (4x4) |
46页,3.57M | 查看 |
DS80PCI102SQE/NOPB 电路图

DS80PCI102SQE/NOPB 电路图
DS80PCI102SQE/NOPB 相关产品
- 14212R-500
- 14222R-800
- 14230R-450
- 14315R-100
- 5962-8771601EA
- 5962-89710013X
- 5962-8971001XX
- 65LBC174AM16DWREP
- 6PAIC3109TRHBRQ1
- 6PAIC3109TWRHMRQ1
- 6PAIC3254IRHBRQ1
- 77049012A
- 7900901CA
- 821004JG
- 821034DNG
- 82V2058XDAG
- 82V2084PFG
- 82V2088BBG
- 88E1510-A0-NNB2C000
- 88E1512-A0-NNP2C000
- 88E1512-A0-NNP2I000
- 88E1514-A0-NNP2C000
- 88E1518-A0-NNB2C000
- 88E3015-A2-NNP1C000
- 88E3082-C1-BAR1C000
- 88E3082-C1-BAR1I000
- 89H64H16AG2ZCBLG
- 89HP0504PBZBNRGI
- 89HPES4T4ZBBCGI
- 89HT0816PYDBCG