更新日期:2024-04-01 00:04:00
产品简介:四路差分线路接收器
查看详情DS26F32ME/883 供应商
- 公司
- 型号
- 品牌
- 封装/批号
- 数量
- 地区
- 日期
- 说明
- 询价
-
20/LCC
2019+ -
5800
-
上海市
-
-
-
全新原装现货
-
NS
-
SOP-8
23+ -
15000
-
上海市
-
-
-
热卖全新原装现货特价长期供应欢迎来电
DS26F32ME/883 中文资料属性参数
- 现有数量:0现货
- 价格:在售
- 系列:-
- 包装:散装
- 产品状态:在售
- 类型:接收器
- 协议:RS422,RS423
- 驱动器/接收器数:0/4
- 双工:-
- 接收器滞后:-
- 数据速率:-
- 电压 - 供电:4.5V ~ 5.5V
- 工作温度:-55°C ~ 125°C(TA)
- 安装类型:表面贴装型
- 封装/外壳:20-CLCC
- 供应商器件封装:20-LCCC(8.89x8.89)
产品特性
- Input Voltage Range of ±7.0V (Differential or Common Mode) ±0.2V Sensitivity over the Input Voltage Range
- High Input Impedance
- Operation from Single +5.0V Supply
- Input Pull-Down Resistor Prevents Output Oscillation on Unused Channels
- TRI-STATE Outputs, with Choice of Complementary Enables, for Receiving Directly onto a Data Bus
产品概述
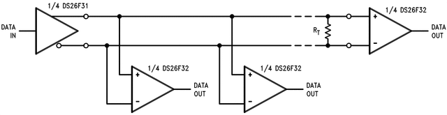
The DS26F32 is a quad differential line receiver designed to meet the requirements of EIA
Standards RS-422 and RS-423, and Federal Standards 1020 and 1030 for balanced and unbalanced
digital data transmission. The DS26F32 offers improved performance due to the use of state-of-the-art L-FAST bipolar
technology. The L-FAST technology allows for higher speeds and lower currents by utilizing
extremely short gate delay times. Thus, the DS26F32 features lower power, extended temperature
range, and improved specifications.The device features an input sensitivity of 200 mV over the input common mode range of
±7.0V. The DS26F32 provides an enable function common to all four receivers and TRI-STATE outputs
with 8.0 mA sink capability. Also, a fail-safe input/output relationship keeps the outputs high
when the inputs are open. The DS26F32 offers optimum performance when used with the DS26F31 Quad Differential Line
Driver.
DS26F32ME/883 数据手册
| 数据手册 | 说明 | 数量 | 操作 |
|---|---|---|---|
DS26F32ME/883
|
Quad Differential Line Receivers |
6 Pages页,314K | 查看 |
DS26F32ME/883
|
QUAD DIFFERENTIAL LINE RECEIVERS ALSO AVAILABLE GUARANTEED TO 100K RAD(Si) TESTED TO MIL-STD-883, METHOD 1019.5, CONDITION A |
12 Pages页,314K | 查看 |
DS26F32ME/883 电路图
DS26F32ME/883 电路图
DS26F32ME/883 相关产品
- 14212R-500
- 14222R-800
- 14230R-450
- 14315R-100
- 5962-8771601EA
- 5962-89710013X
- 5962-8971001XX
- 65LBC174AM16DWREP
- 6PAIC3109TRHBRQ1
- 6PAIC3109TWRHMRQ1
- 6PAIC3254IRHBRQ1
- 77049012A
- 7900901CA
- 821004JG
- 821034DNG
- 82V2058XDAG
- 82V2084PFG
- 82V2088BBG
- 88E1510-A0-NNB2C000
- 88E1512-A0-NNP2C000
- 88E1512-A0-NNP2I000
- 88E1514-A0-NNP2C000
- 88E1518-A0-NNB2C000
- 88E3015-A2-NNP1C000
- 88E3082-C1-BAR1C000
- 88E3082-C1-BAR1I000
- 89H64H16AG2ZCBLG
- 89HP0504PBZBNRGI
- 89HPES4T4ZBBCGI
- 89HT0816PYDBCG

搜索
发布采购
DS26F32ME/883