更新日期:2024-04-01 00:04:00
产品简介:12.5Gbps 双端口多路复用器和扇出缓冲器
查看详情DS125MB203SQ/NOPB 供应商
- 公司
- 型号
- 品牌
- 封装/批号
- 数量
- 地区
- 日期
- 说明
- 询价
-
TI
-
原厂原装
22+ -
3288
-
上海市
-
-
-
一级代理原装
-
TI/德州仪器
-
2000
21+ -
10000
-
杭州
-
-
-
只做原装现货,大量现货热卖
-
TI(德州仪器)
-
WQFN-54
2022+ -
12000
-
上海市
-
-
-
原装可开发票
-
TI
-
TSSOP
23+ -
46000
-
合肥
-
-
-
科大讯飞战略投资企业,提供一站式配套服务
DS125MB203SQ/NOPB 中文资料属性参数
- 现有数量:2,007现货
- 价格:1 : ¥165.99000剪切带(CT)2,000 : ¥118.58075卷带(TR)
- 系列:-
- 包装:卷带(TR)剪切带(CT)Digi-Reel? 得捷定制卷带
- 产品状态:在售
- 类型:缓冲器,多路复用器
- 应用:PCIe
- 输入:CML
- 输出:CML
- 数据速率(最大值):12.5Gbps
- 通道数:4 x 1:2,2:1
- 延迟时间:200ps
- 信号调节:输入均衡,输出去加重
- 电容 - 输入:10 pF
- 电压 - 供电:2.375V ~ 3.6V
- 电流 - 供电:-
- 工作温度:-40°C ~ 85°C
- 安装类型:表面贴装型
- 封装/外壳:54-WFQFN 裸露焊盘
- 供应商器件封装:54-WQFN(10x5.5)
产品特性
- 12.5Gbps 双通道 2:1 复用器,1:2 开关或扇出
- 低至 390mW 的总功耗(典型值)
- 高级信号调节 功能:频率为 6.25GHz 时,最高可支持 30dB 的接收均衡功能 发送去加重功能高达 –12dB 发送输出电压控制:600mV 至 1300mV
- 频率为 6.25GHz 时,最高可支持 30dB 的接收均衡功能
- 发送去加重功能高达 –12dB
- 发送输出电压控制:600mV 至 1300mV
- 可通过引脚选择、电可擦可编程只读存储器 (EEPROM) 或 SMBus 接口进行编程
- 2.5V 或 3.3V 可选电源电压
- 运行温度范围:–40°C 至 +85°C
- 10GE,10G-KR
- PCIe 1 代/2 代/3 代
- SAS2/SATA3(最高可达 6Gbps)
- XAUI,RXAUI
产品概述
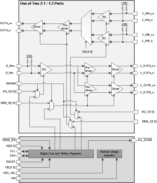
DS125MB203 器件是一款具有信号调节功能的双端口 2:1 复用器和 1:2 开关或扇出缓冲器,适用于数据传输速率最高可达 12.5Gbps 的 10GE、10G-KR (802.3ap)、光纤通道、PCIe、无线带宽、SATA3/SAS2 和 其他高速总线 应用。接收器的连续时间线性均衡器 (CTLE) 可提供必要的升压性能,从而在 12.5Gbps 的速率下对长达 30 英寸的 FR-4 或 8M 电缆 (AWG-24) 进行补偿。该片上特性免除了对外部信号调节器的需求。发送器 具有 可编程幅值电压等级,可在 600 mVp-p 至 1300 mVp-p 范围内进行选择,同时实现高达 12dB 的去加重。DS125MB203 可配置为支持 PCIe、SAS/SATA、10G-KR 或其他信号传输协议。在 10G-KR 和 PCIe 3 代模式下运行时,DS125MB203 以透明方式允许主机控制器和端点优化完整链路并协商发送均衡器系数。这种链路协商协议的无缝管理可确保系统级互操作性并最大限度地降低延迟。这种可编程设置可通过引脚设置、SMBus (I2C) 协议进行应用,或者直接从外部 EEPROM 载入。当运行在 EEPROM 模式下时,配置信息在加电时自动载入,这样就免除了对于外部微控制器或软件驱动程序的需要。
DS125MB203SQ/NOPB 电路图
DS125MB203SQ/NOPB 电路图
DS125MB203SQ/NOPB 相关产品
- 14212R-500
- 14222R-800
- 14230R-450
- 14315R-100
- 5962-8771601EA
- 5962-89710013X
- 5962-8971001XX
- 65LBC174AM16DWREP
- 6PAIC3109TRHBRQ1
- 6PAIC3109TWRHMRQ1
- 6PAIC3254IRHBRQ1
- 77049012A
- 7900901CA
- 821004JG
- 821034DNG
- 82V2058XDAG
- 82V2084PFG
- 82V2088BBG
- 88E1510-A0-NNB2C000
- 88E1512-A0-NNP2C000
- 88E1512-A0-NNP2I000
- 88E1514-A0-NNP2C000
- 88E1518-A0-NNB2C000
- 88E3015-A2-NNP1C000
- 88E3082-C1-BAR1C000
- 88E3082-C1-BAR1I000
- 89H64H16AG2ZCBLG
- 89HP0504PBZBNRGI
- 89HPES4T4ZBBCGI
- 89HT0816PYDBCG

搜索
发布采购