- 封装:14-SOIC(0.154",3.90mm 宽)
- RoHS:无铅 / 符合限制有害物质指令(RoHS)规范要求
- 包装方式:带卷 (TR)
- 参考价格:$0.186
更新日期:2024-04-01 00:04:00
产品简介:具有设置和复位功能的高速 CMOS 逻辑双通道上升沿 D 触发器
查看详情- 封装:14-SOIC(0.154",3.90mm 宽)
- RoHS:无铅 / 符合限制有害物质指令(RoHS)规范要求
- 包装方式:带卷 (TR)
- 参考价格:$0.186
CD74HCT74M96G4 供应商
- 公司
- 型号
- 品牌
- 封装/批号
- 数量
- 地区
- 日期
- 说明
- 询价
-
TI
-
原厂原装
22+ -
3288
-
上海市
-
-
-
一级代理原装
CD74HCT74M96G4 中文资料属性参数
- 标准包装:2,500
- 类别:集成电路 (IC)
- 家庭:逻辑 - 触发器
- 系列:74HCT
- 功能:设置(预设)和复位
- 类型:D 型
- 输出类型:差分
- 元件数:2
- 每个元件的位元数:1
- 频率 - 时钟:50MHz
- 延迟时间 - 传输:35ns
- 触发器类型:正边沿
- 输出电流高,低:4mA,4mA
- 电源电压:4.5 V ~ 5.5 V
- 工作温度:-55°C ~ 125°C
- 安装类型:表面贴装
- 封装/外壳:14-SOIC(0.154",3.90mm 宽)
- 包装:带卷 (TR)
产品特性
- LSTTL input logic compatible VIL(max) = 0.8 V, VIH(min) = 2 V
- VIL(max) = 0.8 V, VIH(min) = 2 V
- CMOS input logic compatible II ≤ 1 µA at VOL, VOH
- II ≤ 1 µA at VOL, VOH
- Buffered inputs
- 4.5 V to 5.5 V operation
- Wide operating temperature range: -55°C to +125°C
- Supports fanout up to 10 LSTTL loads
- Significant power reduction compared to LSTTL logic ICs
产品概述
The CDx4HCT74-Q1 devices contain two
independent D-type positive-edge-triggered flip-flops with asynchronous preset and
clear pins for each.
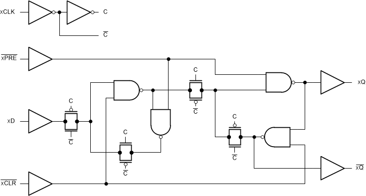
CD74HCT74M96G4 电路图
CD74HCT74M96G4 电路图
CD74HCT74M96G4 相关产品
- 100331QC
- 100351QC
- 74ABT374CSCX
- 74AC11074D
- 74AC11074DR
- 74AC11074N
- 74AC11074PWR
- 74AC16374DLR
- 74AC273MTCX
- 74AC74MTR
- 74AC74SCX
- 74ACT11074D
- 74ACT11074DBR
- 74ACT11074N
- 74ACT11074NSR
- 74ACT11374DWR
- 74ACT16374DLR
- 74ACT16374DLRG4
- 74ACT16823DLR
- 74ACT574SJ
- 74ACT74MTCX
- 74ACT74TTR
- 74AHC1G79GV,125
- 74AHC377PW,118
- 74AHC574PW,118
- 74AHCT273PW,118
- 74AVC16722DGGRE4
- 74F175SCX
- 74F374SCX
- 74HC112PW,118

搜索
发布采购