- 封装:14-DIP(0.300",7.62mm)
- RoHS:无铅 / 符合限制有害物质指令(RoHS)规范要求
- 包装方式:管件
- 参考价格:$0.26-$0.8
更新日期:2024-04-01 00:04:00
产品简介:具有复位功能的高速 CMOS 逻辑双通道下降沿 J-K 触发器
- 封装:14-DIP(0.300",7.62mm)
- RoHS:无铅 / 符合限制有害物质指令(RoHS)规范要求
- 包装方式:管件
- 参考价格:$0.26-$0.8
CD74HCT73E 供应商
- 公司
- 型号
- 品牌
- 封装/批号
- 数量
- 地区
- 日期
- 说明
- 询价
-
TI
-
原厂原装
22+ -
3288
-
上海市
-
-
-
一级代理原装
-
TI(德州仪器)
-
PDIP-14
2022+ -
12000
-
上海市
-
-
-
原装可开发票
-
HAR
-
DIP-8P
23+ -
15000
-
上海市
-
-
-
中国区代理原装进口特价
CD74HCT73E 中文资料属性参数
- 标准包装:25
- 类别:集成电路 (IC)
- 家庭:逻辑 - 触发器
- 系列:74HCT
- 功能:复位
- 类型:JK 型
- 输出类型:差分
- 元件数:2
- 每个元件的位元数:1
- 频率 - 时钟:60MHz
- 延迟时间 - 传输:38ns
- 触发器类型:负边沿
- 输出电流高,低:4mA,4mA
- 电源电压:4.5 V ~ 5.5 V
- 工作温度:-55°C ~ 125°C
- 安装类型:通孔
- 封装/外壳:14-DIP(0.300",7.62mm)
- 包装:管件
- 其它名称:296-9297-5
产品特性
- 时钟输入迟滞,改进了抗扰度并增加了输入上升和下降时间
- 异步复位
- 互补输出
- 缓冲输入
- 当 VCC = 5V, CL = 15pF,TA = 25℃ 时 fMAX 典型值 = 60MHz
- 扇出(在温度范围内) 标准输出:10 个 LSTTL 负载 总线驱动器输出:15 个 LSTTL 负载
- 标准输出:10 个 LSTTL 负载
- 总线驱动器输出:15 个 LSTTL 负载
- 宽工作温度范围:–55℃ 至 125℃
- 平衡的传播延迟及转换时间
- 与 LSTTL 逻辑 IC 相比,功耗显著降低
- HC 类型 工作电压为 2 V 至 6V 高抗噪性:当 VCC = 5V 时,NIL = 30%,NIH = VCC 的 30%
- 工作电压为 2 V 至 6V
- 高抗噪性:当 VCC = 5V 时,NIL = 30%,NIH = VCC 的 30%
- HCT 类型 工作电压为 4.5V 至 5.5V 直接 LSTTL 输入逻辑兼容性, VIL = 0.8V(最大值),VIH = 2V(最小值) CMOS 输入兼容性,当电压为 VOL、VOH时,II ≤ 1µA
- 工作电压为 4.5V 至 5.5V
- 直接 LSTTL 输入逻辑兼容性, VIL = 0.8V(最大值),VIH = 2V(最小值)
- CMOS 输入兼容性,当电压为 VOL、VOH时,II ≤ 1µA
CD74HCT73E 数据手册
| 数据手册 | 说明 | 数量 | 操作 |
|---|---|---|---|
CD74HCT73E
|
High Speed CMOS Logic Dual Negative-Edge-Triggered J-K Flip-Flops with Reset 14-PDIP -55 to 125 |
15页,452K | 查看 |
CD74HCT73E
|
IC JK TYPE NEG TRG DUAL 14DIP |
17页,617K | 查看 |
CD74HCT73EE4
|
Dual J-K Flip-Flop with Reset Negative-Edge Trigger |
13 Pages页,280K | 查看 |
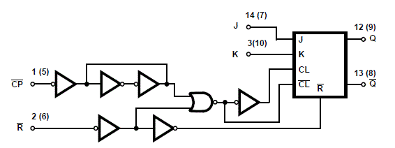
CD74HCT73E 电路图
CD74HCT73E 电路图
CD74HCT73E 相关产品
- 100331QC
- 100351QC
- 74ABT374CSCX
- 74AC11074D
- 74AC11074DR
- 74AC11074N
- 74AC11074PWR
- 74AC16374DLR
- 74AC273MTCX
- 74AC74MTR
- 74AC74SCX
- 74ACT11074D
- 74ACT11074DBR
- 74ACT11074N
- 74ACT11074NSR
- 74ACT11374DWR
- 74ACT16374DLR
- 74ACT16374DLRG4
- 74ACT16823DLR
- 74ACT574SJ
- 74ACT74MTCX
- 74ACT74TTR
- 74AHC1G79GV,125
- 74AHC377PW,118
- 74AHC574PW,118
- 74AHCT273PW,118
- 74AVC16722DGGRE4
- 74F175SCX
- 74F374SCX
- 74HC112PW,118

搜索
发布采购
CD74HCT73E