- 封装:16-SOIC(0.154",3.90mm 宽)
- RoHS:无铅 / 符合限制有害物质指令(RoHS)规范要求
- 包装方式:管件
- 参考价格:$0.15875
更新日期:2024-04-01 00:04:00
产品简介:具有 TTL 输入的 5V、8:1、单通道模拟多路复用器
查看详情- 封装:16-SOIC(0.154",3.90mm 宽)
- RoHS:无铅 / 符合限制有害物质指令(RoHS)规范要求
- 包装方式:管件
- 参考价格:$0.15875
CD74HCT4051MG4 供应商
- 公司
- 型号
- 品牌
- 封装/批号
- 数量
- 地区
- 日期
- 说明
- 询价
-
TI
-
原厂原装
22+ -
3288
-
上海市
-
-
-
一级代理原装
-
TI(德州仪器)
-
SOIC-16
2022+ -
12000
-
上海市
-
-
-
原装可开发票
CD74HCT4051MG4 中文资料属性参数
- 标准包装:40
- 类别:集成电路 (IC)
- 家庭:接口 - 模拟开关,多路复用器,多路分解器
- 系列:74HCT
- 功能:多路复用器/多路分解器
- 电路:1 x 8:1
- 导通状态电阻:130 欧姆
- 电压电源:单/双电源
- 电压 - 电源,单路/双路(±):4.5 V ~ 5.5 V,±1 V ~ 5 V
- 电流 - 电源:-
- 工作温度:-55°C ~ 125°C
- 安装类型:表面贴装
- 封装/外壳:16-SOIC(0.154",3.90mm 宽)
- 供应商设备封装:16-SOIC N
- 包装:管件
产品特性
- 符合汽车应用要求
- 宽模拟输入电压范围:±5V(最大值)
- 低导通电阻: 70Ω(典型值)(VCC – VEE = 4.5V) 40Ω(典型值)(VCC – VEE = 9V)
- 70Ω(典型值)(VCC – VEE = 4.5V)
- 40Ω(典型值)(VCC – VEE = 9V)
- 低开关间串扰
- 快速开关和传播速度
- 先断后合开关
- 宽工作温度范围:–40°C 至 +125°C
- 工作控制电压:4.5V 至 5.5V
- 开关电压:0V 至 10V
- 直接 LSTTL 输入逻辑兼容性VIL = 0.8V(最大值),VIH = 2V(最小值)
- CMOS 输入兼容性在 VOL、VOH 下 II ≤ 1µA
产品概述
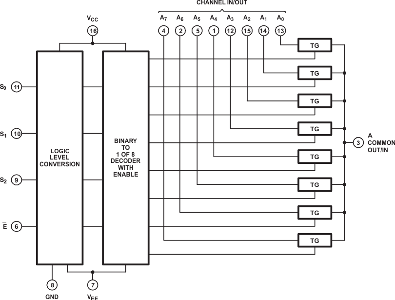
CDx4HC405x 和 CDx4HCT405x 器件是数字控制的模拟开关,它使用硅栅 CMOS 技术并借助标准 CMOS 集成电路的低功耗特性来实现与 LSTTL 接近的运行速度。该模拟多路复用器和多路信号分离器可控制模拟电压,该电压可能会在整个电源电压范围内变化(例如,VCC 变为 VEE)。它是双向开关,可将任何模拟输入用作输出,反之亦然。该开关具有低导通电阻和低关断泄漏。此外,该器件还具有使能控制,当处于高电平时将禁用所有开关,将其置于关断状态。
CD74HCT4051MG4 数据手册
| 数据手册 | 说明 | 数量 | 操作 |
|---|---|---|---|
CD74HCT4051MG4
|
High-Speed CMOS Logic Analog Multiplexers/Demultiplexers |
26 Pages页,466K | 查看 |
CD74HCT4051MG4
|
High Speed CMOS Logic Analog Multiplexers/Demultiplexers |
27 Pages页,466K | 查看 |
CD74HCT4051MG4 电路图
CD74HCT4051MG4 电路图
CD74HCT4051MG4 相关产品
- 1P1G3157QDBVRQ1
- 1P1G3157QDCKRQ1
- 1P1G66QDBVRG4Q1
- 1P1G66QDBVRQ1
- 74AHC1G66GW,125
- 74H1G66STR
- 74HC4051D,652
- 74HC4052D,652
- 74HC4052N,652
- 74HC4052PW,118
- 74HC4053PW,118
- 74HC4066D,653
- 74HC4316D,653
- 74HC4351N,652
- 74HCT4051D,118
- 74HCT4051PW,118
- 74HCT4052D,118
- 74HCT4052PW,118
- 74HCT4053D,112
- 74HCT4066D,118
- 74LV4051D,118
- 74LV4052D,118
- 74LV4052PW,118
- 74LVC1G3157DBVRE4
- 74LVC1G3157DBVRG4
- 74LVC1G3157DCKRE4
- 74LVC1G3157DCKRG4
- 74LVC1G3157DRYRG4
- 74LVC1G3157GM,115
- 74LVC2G66DP,125

搜索
发布采购
CD74HCT4051MG4