- 封装:20-DIP(0.300",7.62mm)
- RoHS:无铅 / 符合限制有害物质指令(RoHS)规范要求
- 包装方式:管件
- 参考价格:$0.2717-$0.84
更新日期:2024-04-01 00:04:00
产品简介:具有三态输出的高速 CMOS 逻辑八路上升沿 D 类触发器
- 封装:20-DIP(0.300",7.62mm)
- RoHS:无铅 / 符合限制有害物质指令(RoHS)规范要求
- 包装方式:管件
- 参考价格:$0.2717-$0.84
CD74HCT374E 供应商
- 公司
- 型号
- 品牌
- 封装/批号
- 数量
- 地区
- 日期
- 说明
- 询价
-
TI
-
原厂原装
22+ -
3288
-
上海市
-
-
-
一级代理原装
-
HAR
-
-
2019+ -
5800
-
上海市
-
-
-
全新原装现货
-
HAR
-
DIP陶瓷
23+ -
15000
-
上海市
-
-
-
中国区代理原装进口特价
CD74HCT374E 中文资料属性参数
- 标准包装:20
- 类别:集成电路 (IC)
- 家庭:逻辑 - 触发器
- 系列:74HCT
- 功能:标准
- 类型:D 型总线
- 输出类型:三态非反相
- 元件数:1
- 每个元件的位元数:8
- 频率 - 时钟:60MHz
- 延迟时间 - 传输:15ns
- 触发器类型:正边沿
- 输出电流高,低:6mA,6mA
- 电源电压:4.5 V ~ 5.5 V
- 工作温度:-55°C ~ 125°C
- 安装类型:通孔
- 封装/外壳:20-DIP(0.300",7.62mm)
- 包装:管件
- 其它名称:296-2115-574HCT374CD74HCT374
产品特性
- 缓冲输入
- 通用三态输出使能控制
- 三态输出
- 总线驱动能力
- 当 VCC = 5V,CL = 15pF, TA = 25℃ 时的传播延迟典型值(时钟到 Q)= 15ns
- 扇出(在温度范围内) 标准输出:10 个 LSTTL 负载 总线驱动器输出:15 个 LSTTL 负载
- 标准输出:10 个 LSTTL 负载
- 总线驱动器输出:15 个 LSTTL 负载
- 宽工作温度范围:–55℃ 至 125℃
- 平衡的传播延迟及转换时间
- 与 LSTTL 逻辑 IC 相比,功耗显著降低
- HC 类型 2V 至 6V 工作电压 高抗噪性:当 VCC = 5V 时,NIL = 30%,NIH = VCC 的 30%
- 2V 至 6V 工作电压
- 高抗噪性:当 VCC = 5V 时,NIL = 30%,NIH = VCC 的 30%
- HCT 类型 4.5V 至 5.5V 工作电压 直接 LSTTL 输入逻辑兼容性, VIL = 0.8V(最大值),VIH = 2V(最小值) CMOS 输入兼容性,当电压为 VOL、VOH 时,II ≤ 1µA
- 4.5V 至 5.5V 工作电压
- 直接 LSTTL 输入逻辑兼容性, VIL = 0.8V(最大值),VIH = 2V(最小值)
- CMOS 输入兼容性,当电压为 VOL、VOH 时,II ≤ 1µA
CD74HCT374E 数据手册
| 数据手册 | 说明 | 数量 | 操作 |
|---|---|---|---|
CD74HCT374E
|
High Speed CMOS Logic Octal Positive-Edge Triggered D-Type Flip-Flops with 3-State Outputs 20-PDIP -55 to 125 |
18页,485K | 查看 |
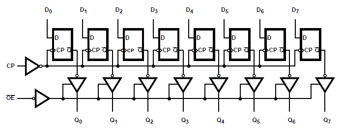
CD74HCT374E 电路图
CD74HCT374E 电路图
CD74HCT374E 相关产品
- 100331QC
- 100351QC
- 74ABT374CSCX
- 74AC11074D
- 74AC11074DR
- 74AC11074N
- 74AC11074PWR
- 74AC16374DLR
- 74AC273MTCX
- 74AC74MTR
- 74AC74SCX
- 74ACT11074D
- 74ACT11074DBR
- 74ACT11074N
- 74ACT11074NSR
- 74ACT11374DWR
- 74ACT16374DLR
- 74ACT16374DLRG4
- 74ACT16823DLR
- 74ACT574SJ
- 74ACT74MTCX
- 74ACT74TTR
- 74AHC1G79GV,125
- 74AHC377PW,118
- 74AHC574PW,118
- 74AHCT273PW,118
- 74AVC16722DGGRE4
- 74F175SCX
- 74F374SCX
- 74HC112PW,118

搜索
发布采购
CD74HCT374E