- 封装:16-DIP(0.300",7.62mm)
- RoHS:无铅 / 符合限制有害物质指令(RoHS)规范要求
- 包装方式:管件
- 参考价格:$0.36191
更新日期:2024-04-01 00:04:00
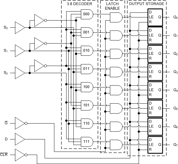
产品简介:高速 CMOS 逻辑 8 位可寻址锁存器
- 封装:16-DIP(0.300",7.62mm)
- RoHS:无铅 / 符合限制有害物质指令(RoHS)规范要求
- 包装方式:管件
- 参考价格:$0.36191
CD74HCT259E 供应商
- 公司
- 型号
- 品牌
- 封装/批号
- 数量
- 地区
- 日期
- 说明
- 询价
-
TI
-
原厂原装
22+ -
3288
-
上海市
-
-
-
一级代理原装
-
HAR
-
-
2019+ -
5800
-
上海市
-
-
-
全新原装现货
CD74HCT259E 中文资料属性参数
- 标准包装:25
- 类别:集成电路 (IC)
- 家庭:逻辑 - 锁销
- 系列:74HCT
- 逻辑类型:D 型,可寻址
- 电路:1:8
- 输出类型:标准
- 电源电压:4.5 V ~ 5.5 V
- 独立电路:1
- 延迟时间 - 传输:16ns
- 输出电流高,低:4mA,4mA
- 工作温度:-55°C ~ 125°C
- 安装类型:通孔
- 封装/外壳:16-DIP(0.300",7.62mm)
- 供应商设备封装:16-PDIP
- 包装:管件
- 其它名称:296-2109-574HCT259CD74HCT259
CD74HCT259E 电路图
CD74HCT259E 电路图
CD74HCT259E 相关产品
- 74ABT16373ADGGRE4
- 74ABT16373ADGGRG4
- 74ABT373AD,118
- 74ABT573CMTCX
- 74AC16373DLR
- 74AC373PC
- 74ACT11373DBR
- 74ACT11373DWR
- 74ACT16373DLR
- 74ACT16373DLRG4
- 74ACT16841DL
- 74ACT373SCX
- 74ACT841SCX
- 74AHCT573PW,118
- 74ALVC373BQ,115
- 74ALVCH16373DGGRG4
- 74F573SJX
- 74HC259D,652
- 74HC259D,653
- 74HC373D,652
- 74HC573D,652
- 74HC573PW,118
- 74HCT373PW,118
- 74HCT573D,652
- 74LV573PW,118
- 74LVC16373ADGG,118
- 74LVC16373ADGGRG4
- 74LVC16373ADGVRE4
- 74LVC1G373DBVRE4
- 74LVC1G373DCKRE4

搜索
发布采购