更新日期:2024-04-01 00:04:00
产品简介:高速 CMOS 逻辑模拟多路复用器/多路信号分离器
查看详情CD54HCT4051F3A 供应商
- 公司
- 型号
- 品牌
- 封装/批号
- 数量
- 地区
- 日期
- 说明
- 询价
-
DIP
2019+ -
5800
-
上海市
-
-
-
全新原装现货
-
TI
-
DIP
- -
3
-
台州
-
-
CD54HCT4051F3A 中文资料属性参数
- 现有数量:0现货2,310Factory
- 价格:在售
- 系列:*
- 包装:管件
- 产品状态:在售
- 开关电路:-
- 多路复用器/解复用器电路:-
- 电路数:-
- 导通电阻(最大值):-
- 通道至通道匹配 (ΔRon):-
- 电压 -?电源,单 (V+):-
- 电压 - 供电,双?(V±):-
- 开关时间?(Ton, Toff)(最大值):-
- -3db 带宽:-
- 电荷注入:-
- 沟道电容 (CS(off),CD(off)):-
- 电流 - 漏泄 (IS(off))(最大值):-
- 串扰:-
- 工作温度:-
- 安装类型:-
- 封装/外壳:-
- 供应商器件封装:-
产品特性
- 符合汽车应用要求
- 宽模拟输入电压范围:±5V(最大值)
- 低导通电阻: 70Ω(典型值)(VCC – VEE = 4.5V) 40Ω(典型值)(VCC – VEE = 9V)
- 70Ω(典型值)(VCC – VEE = 4.5V)
- 40Ω(典型值)(VCC – VEE = 9V)
- 低开关间串扰
- 快速开关和传播速度
- 先断后合开关
- 宽工作温度范围:–40°C 至 +125°C
- 工作控制电压:4.5V 至 5.5V
- 开关电压:0V 至 10V
- 直接 LSTTL 输入逻辑兼容性VIL = 0.8V(最大值),VIH = 2V(最小值)
- CMOS 输入兼容性在 VOL、VOH 下 II ≤ 1µA
产品概述
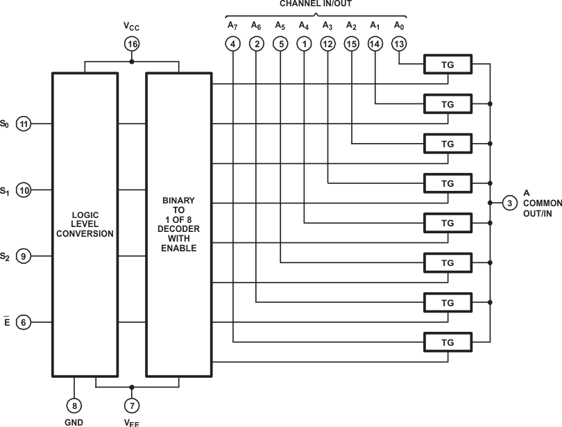
CDx4HC405x 和 CDx4HCT405x 器件是数字控制的模拟开关,它使用硅栅 CMOS 技术并借助标准 CMOS 集成电路的低功耗特性来实现与 LSTTL 接近的运行速度。该模拟多路复用器和多路信号分离器可控制模拟电压,该电压可能会在整个电源电压范围内变化(例如,VCC 变为 VEE)。它是双向开关,可将任何模拟输入用作输出,反之亦然。该开关具有低导通电阻和低关断泄漏。此外,该器件还具有使能控制,当处于高电平时将禁用所有开关,将其置于关断状态。
CD54HCT4051F3A 数据手册
| 数据手册 | 说明 | 数量 | 操作 |
|---|---|---|---|
CD54HCT4051F3A
|
High Speed CMOS Logic Analog Multiplexers/Demultiplexers |
27 Pages页,466K | 查看 |
CD54HCT4051F3A
|
High-Speed CMOS Logic Analog Multiplexers/Demultiplexers |
26 Pages页,466K | 查看 |
CD54HCT4051F3A 电路图
CD54HCT4051F3A 电路图
CD54HCT4051F3A 相关产品
- 14212R-500
- 14222R-800
- 14230R-450
- 14315R-100
- 5962-8771601EA
- 5962-89710013X
- 5962-8971001XX
- 65LBC174AM16DWREP
- 6PAIC3109TRHBRQ1
- 6PAIC3109TWRHMRQ1
- 6PAIC3254IRHBRQ1
- 77049012A
- 7900901CA
- 821004JG
- 821034DNG
- 82V2058XDAG
- 82V2084PFG
- 82V2088BBG
- 88E1510-A0-NNB2C000
- 88E1512-A0-NNP2C000
- 88E1512-A0-NNP2I000
- 88E1514-A0-NNP2C000
- 88E1518-A0-NNB2C000
- 88E3015-A2-NNP1C000
- 88E3082-C1-BAR1C000
- 88E3082-C1-BAR1I000
- 89H64H16AG2ZCBLG
- 89HP0504PBZBNRGI
- 89HPES4T4ZBBCGI
- 89HT0816PYDBCG

搜索
发布采购
CD54HCT4051F3A