更新日期:2024-04-01 00:04:00
产品简介:差分总线收发器
查看详情5962-9318301Q2A 供应商
- 公司
- 型号
- 品牌
- 封装/批号
- 数量
- 地区
- 日期
- 说明
- 询价
-
Texas Instruments
-
LCCC20
21+ -
447
-
上海市
-
-
-
一级代理原装
5962-9318301Q2A 中文资料属性参数
- 现有数量:0现货8,403Factory
- 价格:在售
- 系列:*
- 包装:管件
- 产品状态:在售
- 类型:-
- 协议:-
- 驱动器/接收器数:-
- 双工:-
- 接收器滞后:-
- 数据速率:-
- 电压 - 供电:-
- 工作温度:-
- 安装类型:-
- 封装/外壳:-
- 供应商器件封装:-
产品特性
- 双向收发器
- 符合或超出 ANSI 标准 TIA/EIA−485−A 和 ISO 8482:1987(E) 的要求
- 高速低功耗 LinBiCMOS™ 电路
- 专为在 串行和并行应用中实现高速运行而设计
- 低偏斜
- 针对嘈杂环境中的长距离 总线线路上的多点传输而设计
- 极低的禁用电源电流。.. 200µA(最大值)
- 宽正负输入/输出 总线电压范围
- 热关断保护
- 驱动器正负电流 限制
- 开路故障安全接收器设计
- 接收器输入灵敏度..±200mV(最大值)
- 接收器输入迟滞。..50 mV(典型值)
- 采用 5V 单电源供电
- 无干扰上电和断电 保护
- 可用于 Q-Temp 汽车 高可靠性汽车应用 配置控制/打印支持 通过汽车标准认证
产品概述
这些收发器适用于 ANSI 标准 TIA/EIA−485 (RS-485) 和 ISO 8482 应用,前提是它们在此数据表的运行条件和特性部分中已指定。TIA/EIA−485−A 和 ISO 8482:1987 (E) 中包含的某些限制不符合或无法在整个军用温度范围内进行测试。SN55LBC176 的额定工作温度范围是 –55°C 至 125°C。SN65LBC176 的额定工作温度范围是 –40°C 至 85°C,SN65LBC176Q 的额定工作温度范围是 –40°C 至 125°C。SN75LBC176 的额定工作温度范围是 0°C 至 70°C。
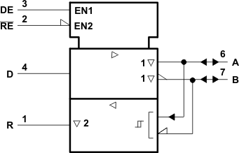
5962-9318301Q2A 电路图
5962-9318301Q2A 电路图
5962-9318301Q2A 相关产品
- 14212R-500
- 14222R-800
- 14230R-450
- 14315R-100
- 5962-8771601EA
- 5962-89710013X
- 5962-8971001XX
- 65LBC174AM16DWREP
- 6PAIC3109TRHBRQ1
- 6PAIC3109TWRHMRQ1
- 6PAIC3254IRHBRQ1
- 77049012A
- 7900901CA
- 821004JG
- 821034DNG
- 82V2058XDAG
- 82V2084PFG
- 82V2088BBG
- 88E1510-A0-NNB2C000
- 88E1512-A0-NNP2C000
- 88E1512-A0-NNP2I000
- 88E1514-A0-NNP2C000
- 88E1518-A0-NNB2C000
- 88E3015-A2-NNP1C000
- 88E3082-C1-BAR1C000
- 88E3082-C1-BAR1I000
- 89H64H16AG2ZCBLG
- 89HP0504PBZBNRGI
- 89HPES4T4ZBBCGI
- 89HT0816PYDBCG

搜索
发布采购