- 封装:32-LQFP
- RoHS:无铅 / 符合限制有害物质指令(RoHS)规范要求
- 包装方式:托盘
- 参考价格:$1.792-$3.92
更新日期:2024-04-01 00:04:00
产品简介:具有可选串行 EEPROM 接口的 2/3 端口 12Mbps USB 全速集线器
查看详情- 封装:32-LQFP
- RoHS:无铅 / 符合限制有害物质指令(RoHS)规范要求
- 包装方式:托盘
- 参考价格:$1.792-$3.92
TUSB2036VFG4 供应商
- 公司
- 型号
- 品牌
- 封装/批号
- 数量
- 地区
- 日期
- 说明
- 询价
-
TI
-
原厂原装
22+ -
3288
-
上海市
-
-
-
一级代理原装
-
TI(德州仪器)
-
LQFP-32(7x7)
2022+ -
12000
-
上海市
-
-
-
原装可开发票
TUSB2036VFG4 中文资料属性参数
- 标准包装:250
- 类别:集成电路 (IC)
- 家庭:接口 - 控制器
- 系列:-
- 控制器类型:USB 集线器
- 接口:串行 EEPROM
- 电源电压:3 V ~ 3.6 V
- 电流 - 电源:40mA
- 工作温度:0°C ~ 70°C
- 安装类型:表面贴装
- 封装/外壳:32-LQFP
- 供应商设备封装:32-LQFP(7x7)
- 包装:托盘
- 其它名称:296-17784
产品特性
- Fully Compliant With the USB Specification as a Full-Speed Hub: TID #30220242
- Integrated USB Transceivers
- 3.3-V Low-Power ASIC Logic
- One Upstream Port and 2 or 3 Programmable Downstream PortsTotal Number of Ports (2 or 3) Selected by Input PinTotal Number of Permanently Connected Ports Is Selected by 2 Input Pins
- Total Number of Ports (2 or 3) Selected by Input Pin
- Total Number of Permanently Connected Ports Is Selected by 2 Input Pins
- Two Power Source Modes Self-Powered Mode Bus-Powered Mode
- Self-Powered Mode
- Bus-Powered Mode
- All Downstream Ports Support Full-Speed and Low-Speed Operations
- Power Switching and Overcurrent Reporting Is Provided Ganged or Per Port
- Supports Suspend and Resume Operations
- Suspend Status Pin Available for External Logic Power Down
- Supports Custom Vendor ID and Product ID With External Serial EEPROM
- 3-State EEPROM Interface Allows EEPROM Sharing
- Push-Pull Outputs for PWRON Eliminate the Need for External Pullup Resistors
- Noise Filtering on OVRCUR Provides Immunity to Voltage Spikes
- Supports 6-MHz Operation Through a Crystal Input or a 48-MHz Input Clock
- Output Pin Available to Disable External Pullup Resister on DP0 for 3 ms After Reset or After Change on BUSPWR and Enable Easy Implementation of Onboard Bus/Self-Power Dynamic Switching Circuitry
- No Special Driver Requirements; Works Seamlessly With Any Operating System With USB Stack Support
- Available in 32-Pin HLQFP Package With a 0.8-mm Pin Pitch (JEDEC − S-PQFP-G For Low-Profile Quad Flat Pack)
产品概述
The TUSB2036 hub is a 3.3-V CMOS device that provides up to three downstream ports in
compliance with the USB 2.0 specification. Because this device is implemented with a digital state
machine instead of a microcontroller, no firmware programming is required. Fully-compliant USB
transceivers are integrated into the ASIC for all upstream and downstream ports. The downstream
ports support both full-speed and low-speed devices by automatically setting the slew rate
according to the speed of the device attached to the ports. The configuration of the
BUSPWR pin selects either the bus-powered or the self-powered mode. The
introduction of the DP0 pullup resistor disable pin, DP0PUR, makes it much easier to implement an
onboard bus/self-power dynamic-switching circuitry. With the new function pin, the end-equipment
vendor can reduce the total board cost while adding additional product value. The EXTMEM (pin 26) enables or disables the optional EEPROM
interface. When EXTMEM is high, the vendor and product IDs (VID and PID) use
defaults, such that the message displayed during enumeration is General Purpose USB Hub. The TUSB2036 supports both bus-powered and self-powered modes. External power-management
devices, such as the TPS2044, are required to control the 5-V power source switching (on/off) to
the downstream ports and to detect an overcurrent condition from the downstream ports individually
or ganged. An individually port power controlled hub switches power on or off to each downstream
port as requested by the USB host. Also when an individually port power controlled hub senses an
over-current event, only power to the affected downstream port will be switched off. A ganged hub
switches on power to all its downstream ports when power is required to be on for any port. The
power to the downstream ports is not switched off unless all ports are in a state that allows power
to be removed. Also when a ganged hub senses an over-current event, power to all downstream ports
will be switched off. The logic level of the MODE pin controls the selection of a crystal input to drive an
internal oscillator or an external clock source.
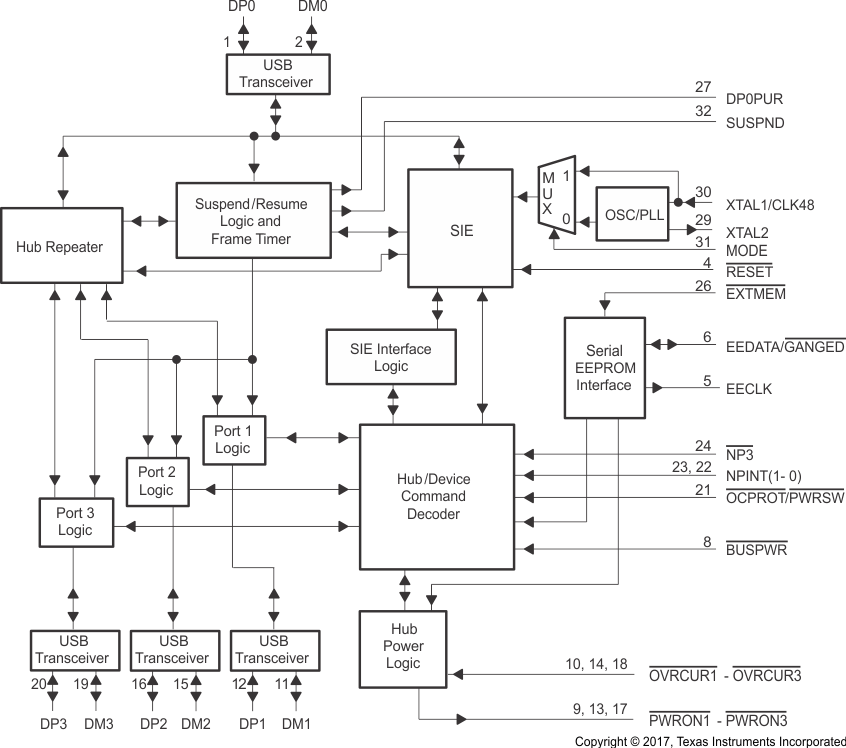
TUSB2036VFG4 电路图
TUSB2036VFG4 电路图
TUSB2036VFG4 相关产品
- COM20020I-DZD
- CS82C59A
- CY7C63833-LTXC
- CY7C64225-28PVXC
- CY7C65621-56LTXCT
- CY7C65630-56LTXCT
- CY7C65631-56LTXCT
- CY7C65632-28LTXC
- CY7C65632-28LTXCT
- CY7C65632-48AXC
- CY7C65634-28LTXC
- CY7C65634-48AXC
- CY7C65640A-LTXC
- CY7C65642-28LTXC
- CY7C65642-48AXC
- CY7C67200-48BAXI
- CY7C68300B-56LFXC
- CY7C68300B-56PVXC
- CY7C68300C-56LFXC
- CY8C20140-LDX2I
- CY8CMBR2016-24LQXI
- CY8CMBR2044-24LKXI
- CYWB0320ABX-FDXIT
- DP83820BVUW
- DP83934AVQB
- DP83934CVUL-33
- DS2141AQ
- DS2482S-100+
- DS2482S-100+T&R
- DS2482S-800+T&R

搜索
发布采购