- 封装:48-VFQFN 裸露焊盘
- RoHS:无铅 / 符合限制有害物质指令(RoHS)规范要求
- 包装方式:Digi-Reel?
更新日期:2024-04-01 00:04:00
产品简介:1.7 - 6.0GHz 宽带集成直接降压转换接收器
查看详情- 封装:48-VFQFN 裸露焊盘
- RoHS:无铅 / 符合限制有害物质指令(RoHS)规范要求
- 包装方式:Digi-Reel?
TRF371135IRGZT 供应商
- 公司
- 型号
- 品牌
- 封装/批号
- 数量
- 地区
- 日期
- 说明
- 询价
-
TI
-
原厂原装
22+ -
3288
-
上海市
-
-
-
一级代理原装
TRF371135IRGZT 中文资料属性参数
- 标准包装:1
- 类别:RF/IF 和 RFID
- 家庭:RF 解调器
- 系列:-
- 功能:解调器
- LO 频率:1.7GHz ~ 6GHz
- RF 频率:1.7GHz ~ 6GHz
- P1dB:3dBV
- 增益:45dB
- 噪音数据:17.5dB
- 电流 - 电源:370mA
- 电源电压:4.5 V ~ 5.5 V
- 封装/外壳:48-VFQFN 裸露焊盘
- 供应商设备封装:48-VQFN 裸露焊盘(7x7)
- 包装:Digi-Reel?
- 其它名称:296-27207-6
产品特性
- Frequency Range: 1700 MHz to 6000 MHz
- Integrated Baseband Programmable-Gain Amplifier
- On-Chip Programmable Baseband Filter
- High Out-of-Band IP3: 22 dBm at 3550 MHz
- High Out-of-Band IP2: 52 dBm at 3550 MHz
- Hardware and Software Power Down
- Three-Wire Serial Interface
- Single Supply: 4.5-V to 5.5-V Operation
- Silicon Germanium Technology
- APPLICATIONS Multicarrier Wireless Infrastructure WiMAXHigh-Linearity Direct-Downconversion Receiver LTE (Long Term Evolution)
- Multicarrier Wireless Infrastructure
- WiMAX
- High-Linearity Direct-Downconversion Receiver
- LTE (Long Term Evolution)
产品概述
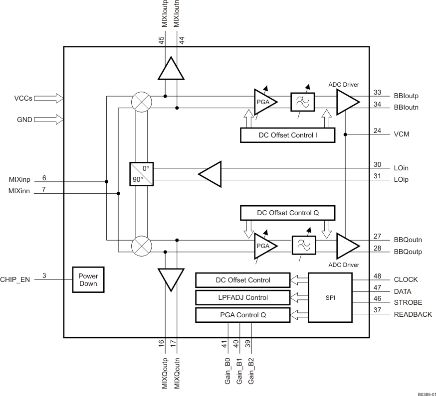
The TRF371135 is a highly linear and integrated direct-conversion quadrature demodulator. The TRF371135 integrates balanced I and Q mixers, LO buffers, and phase splitters to convert an RF signal directly to I and Q baseband. The on-chip programmable-gain amplifiers allow adjustment of the output signal level without the need for external variable-gain (attenuator) devices. The TRF371135 integrates programmable baseband low-pass filters that attenuate nearby interference, eliminating the need for an external baseband filter.Housed in a 7-mm × 7-mm QFN package, the TRF371135 provides the smallest and most integrated receiver solution available for high-performance equipment.
TRF371135IRGZT 电路图
TRF371135IRGZT 电路图

搜索
发布采购